Форум водно-моторного Клуба Фрегат

Назад   Форум водно-моторного Клуба Фрегат > Обо всем > Барахолка. Куплю > Куплю, где купить

Відповідь
 
LinkBack Параметри теми Параметри перегляду
Старий 28.02.2017, 23:36   #1 (permalink)
Новичок
 
Псевдо: Дмитрий
Звідки Ви: Никополь
Карапь: Катер
Дописи: 25
Сказал(а) спасибо: 7
Поблагодарили 25 раз(а) в 5 сообщениях
Типово Может есть у кого?

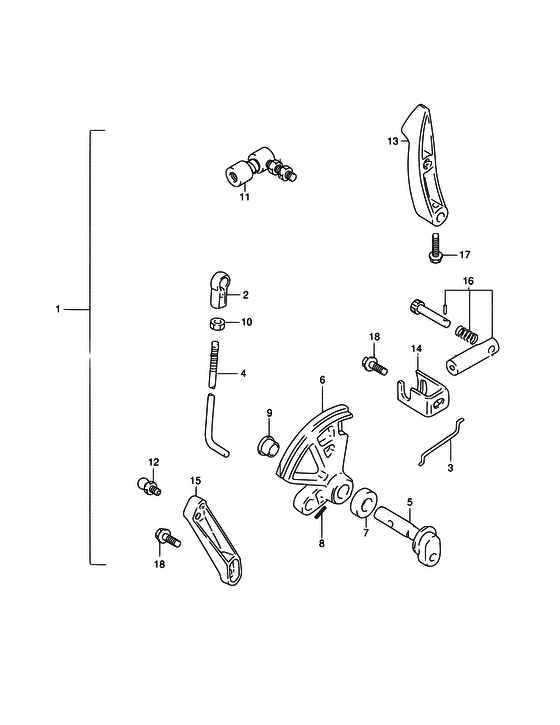
Всем привет. Ставлю дистанцию на свой мотор Suzuki DT30 и столкнулся с тем,что нет у меня ручки управления дроселем. Может у кого есть такая?
Жутко не хочется но если не найду то буду отливать из алюминия.
Дополнительно схему кину чтоб понятнее было. Ручка под номером 15
Мініатюри долучень
Щоб збільшити малюнок, клацніть по ньому
Назва:  866ae93f0a8f37661b4d028026a44f7e.png
Переглядів: 396
Розмір:  21,4 КБ
ID:	129954  
Dimon kulibin зараз поза форумом   Відповісти з цитуванням
Старий 19.03.2017, 22:57   #2 (permalink)
Новичок
 
Псевдо: Дмитрий
Звідки Ви: Никополь
Карапь: Катер
Дописи: 25
Сказал(а) спасибо: 7
Поблагодарили 25 раз(а) в 5 сообщениях
Типово Re: Может есть у кого?

Цитата:
Допис від Dimon kulibin Переглянути допис
Всем привет. Ставлю дистанцию на свой мотор Suzuki DT30 и столкнулся с тем,что нет у меня ручки управления дроселем. Может у кого есть такая?
Жутко не хочется но если не найду то буду отливать из алюминия.
Дополнительно схему кину чтоб понятнее было. Ручка под номером 15

Озовитесь,очень нужно
Dimon kulibin зараз поза форумом   Відповісти з цитуванням
Старий 19.03.2017, 23:04   #3 (permalink)
Активный участник
 
Аватар для Петров Саша
 
Псевдо: Саша
Звідки Ви: Киев
Карапь: длинномер + надувас
Дописи: 1.417
Сказал(а) спасибо: 347
Поблагодарили 1.264 раз(а) в 483 сообщениях
Типово Re: Может есть у кого?

Цитата:
Допис від Dimon kulibin Переглянути допис
но если не найду то буду отливать из алюминия

зачем отливать ?можно из толстой полосы загнуть, а отверстия пропилить ,делов на пару часов с перекурами.
Петров Саша зараз поза форумом   Відповісти з цитуванням
Старий 19.03.2017, 23:09   #4 (permalink)
Новичок
 
Псевдо: Дмитрий
Звідки Ви: Никополь
Карапь: Катер
Дописи: 25
Сказал(а) спасибо: 7
Поблагодарили 25 раз(а) в 5 сообщениях
Типово Re: Может есть у кого?

Цитата:
Допис від Петров Саша Переглянути допис
зачем отливать ?можно из толстой полосы загнуть, а отверстия пропилить ,делов на пару часов с перекурами.

я то отлил уже но хочеться оригинал поставить.Осталось тягу сделать)))

Востаннє редагував Dimon kulibin: 19.03.2017 о 23:12.
Dimon kulibin зараз поза форумом   Відповісти з цитуванням
ВідповідьПереход на главную страницу


Тут присутні: 1 (учасників - 0 , гостей - 1)
 

Ваші права у розділі
Ви не можете створювати теми
Ви не можете писати дописи
Ви не можете долучати файли
Ви не можете редагувати дописи

BB-код є Увімк.
Усмішки Увімк.
[IMG] код Увімк.
HTML код Вимк.
Trackbacks are Увімк.
Pingbacks are Увімк.
Refbacks are Увімк.


Схожі теми
Тема Автор Розділ Відповідей Останній допис
У кого есть, и какие, радиостанции. popovitch Навигация и связь 160 02.03.2021 13:43
У кого есть скидка навионика? P.A.S. Куплю, где купить 2 10.07.2012 13:23


Часовий пояс GMT +3. Поточний час: 05:48.


vBulletin 3.8.7 ; Copyright © 2000-2026 Jelsoft Enterprises Limited
Переклад: © Віталій Стопчанський, 2004-2010

Search Engine Optimization by vBSEO 3.6.0