Форум водно-моторного Клуба Фрегат

Назад   Форум водно-моторного Клуба Фрегат > Водномоторная тематика > Подвесные двигатели > Подвесные импортные брендовые

Відповідь
 
LinkBack Параметри теми Параметри перегляду
Старий 29.03.2013, 21:21   #1 (permalink)
Активный участник
 
Аватар для vlad2002
 
Псевдо: Влад
Звідки Ви: Дніпро
Карапь: Ю-2, Мерк-40
Дописи: 18.183
Сказал(а) спасибо: 11.888
Поблагодарили 12.362 раз(а) в 3.030 сообщениях
Типово Подскажите по Сузуки 30л.с

Всем доброго времени! Кто знает как правильно устанавливать сальники на вал гребного винта?
__________________
Москаль мені не брат
vlad2002 зараз поза форумом   Відповісти з цитуванням
Старий 29.03.2013, 23:12   #2 (permalink)
Активный участник
 
Аватар для brodigy
 
Псевдо: Дмитрий
Звідки Ви: Харьков
Карапь: Adventure
Дописи: 209
Сказал(а) спасибо: 8
Поблагодарили 68 раз(а) в 40 сообщениях
Типово Re: Подскажите по Сузуки 30л.с

Если имеется ввиду положение то оба закрытыми сторонами к винту, т.е наружу.
Естественно все смазать
brodigy зараз поза форумом   Відповісти з цитуванням
Пользователь сказал cпасибо:
vlad2002 (30.03.2013)
Старий 30.03.2013, 13:31   #3 (permalink)
Активный участник
 
Аватар для vlad2002
 
Псевдо: Влад
Звідки Ви: Дніпро
Карапь: Ю-2, Мерк-40
Дописи: 18.183
Сказал(а) спасибо: 11.888
Поблагодарили 12.362 раз(а) в 3.030 сообщениях
Типово Re: Подскажите по Сузуки 30л.с

Цитата:
Допис від brodigy Переглянути допис
Если имеется ввиду положение то оба закрытыми сторонами к винту, т.е наружу.
Естественно все смазать

Благодарю! Они так и стояли... а мне товарищи одн сказал, что так не ставят... Лучше перебдеть...
__________________
Москаль мені не брат
vlad2002 зараз поза форумом   Відповісти з цитуванням
Старий 30.03.2013, 14:21   #4 (permalink)
Активный участник
 
Аватар для Руслан 35
 
Псевдо: Руслан
Звідки Ви: Киев "UMS Marine"
Карапь: Finval 510 с Ямахой 60 4т
Дописи: 5.182
Сказал(а) спасибо: 938
Поблагодарили 4.698 раз(а) в 1.745 сообщениях
Типово Re: Подскажите по Сузуки 30л.с

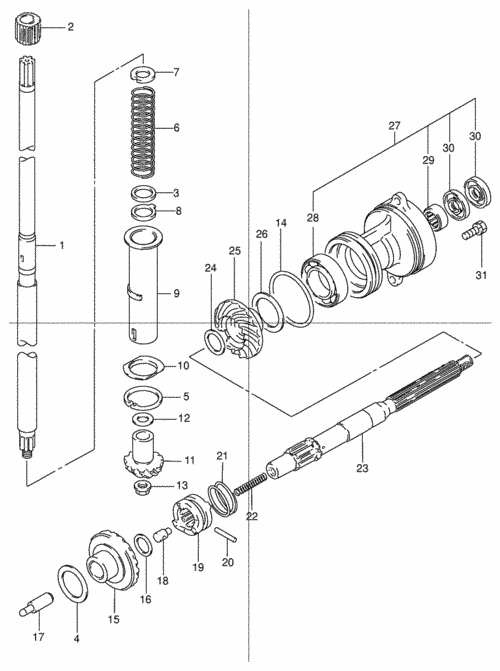
Мегазип: Цилиндр для подвесного мотора Suzuki DT30 (DT30LK8)
Мініатюри долучень
Щоб збільшити малюнок, клацніть по ньому
Назва:  f72c7a8e6a4438ae64d8b58f51404a20.png
Переглядів: 720
Розмір:  26,7 КБ
ID:	40199  

Востаннє редагував Руслан 35: 30.03.2013 о 14:23.
Руслан 35 зараз поза форумом   Відповісти з цитуванням
Пользователь сказал cпасибо:
vlad2002 (30.03.2013)
Старий 30.03.2013, 16:47   #5 (permalink)
Активный участник
 
Аватар для vlad2002
 
Псевдо: Влад
Звідки Ви: Дніпро
Карапь: Ю-2, Мерк-40
Дописи: 18.183
Сказал(а) спасибо: 11.888
Поблагодарили 12.362 раз(а) в 3.030 сообщениях
Типово Re: Подскажите по Сузуки 30л.с

Цитата:
Допис від Руслан 35 Переглянути допис
Мегазип: Цилиндр для подвесного мотора Suzuki DT30 (DT30LK8)

Супер! Спасибо!
__________________
Москаль мені не брат
vlad2002 зараз поза форумом   Відповісти з цитуванням
Старий 30.03.2013, 19:48   #6 (permalink)
Активный участник
 
Аватар для VladSVS
 
Псевдо: Владислав
Звідки Ви: Киев, Калнышевского,16
Карапь: Buster-XL+H150 и UMS410OC+Suzuki DF20ATL
Дописи: 375
Сказал(а) спасибо: 0
Поблагодарили 384 раз(а) в 140 сообщениях
Подмигивание Re: Подскажите по Сузуки 30л.с

Цитата:
Допис від Руслан 35 Переглянути допис
Мегазип: Цилиндр для подвесного мотора Suzuki DT30 (DT30LK8)

Руслан, никогда не стоит смотреть в каталог запчастей, по таким вопросам.
Там масса ошибок на картинках. За частую даже внешний вид нарисованной запчасти ставит в тупик, при её заказе.
Хотя в данном конкретном случае, сальники гребного вала нарисованы правильно.
VladSVS зараз поза форумом   Відповісти з цитуванням
Старий 30.03.2013, 21:27   #7 (permalink)
Активный участник
 
Аватар для Руслан 35
 
Псевдо: Руслан
Звідки Ви: Киев "UMS Marine"
Карапь: Finval 510 с Ямахой 60 4т
Дописи: 5.182
Сказал(а) спасибо: 938
Поблагодарили 4.698 раз(а) в 1.745 сообщениях
Типово Re: Подскажите по Сузуки 30л.с

Влад я знаю, но тут действительно всё правильно, а вот в случае с 25 лс 4т есть вопросы.
Руслан 35 зараз поза форумом   Відповісти з цитуванням
ВідповідьПереход на главную страницу


Тут присутні: 1 (учасників - 0 , гостей - 1)
 

Ваші права у розділі
Ви не можете створювати теми
Ви не можете писати дописи
Ви не можете долучати файли
Ви не можете редагувати дописи

BB-код є Увімк.
Усмішки Увімк.
[IMG] код Увімк.
HTML код Вимк.
Trackbacks are Увімк.
Pingbacks are Увімк.
Refbacks are Увімк.


Схожі теми
Тема Автор Розділ Відповідей Останній допис
сузуки 2.5 андрей пав Архив 2 25.01.2013 22:01
Сузуки 30 2-такта dronlutsk Архив 0 01.03.2012 13:21
Редуктор Сузуки 5(6) alexwas Архив 1 06.01.2012 19:19
Запчасти на сузуки vlad2002 Куплю, где купить 1 15.12.2011 21:15
ДНЕПР с Сузуки-40 4т Святовит Архив 5 13.08.2011 12:32


Часовий пояс GMT +3. Поточний час: 21:56.


vBulletin 3.8.7 ; Copyright © 2000-2026 Jelsoft Enterprises Limited
Переклад: © Віталій Стопчанський, 2004-2010

Search Engine Optimization by vBSEO 3.6.0