Форум водно-моторного Клуба Фрегат

Назад   Форум водно-моторного Клуба Фрегат > Водномоторная тематика > Электрика и электроника > Электрика

Відповідь
 
LinkBack Параметри теми Параметри перегляду
Старий 03.03.2017, 08:57   #21 (permalink)
Активный участник
 
Аватар для Fisherman-ua
 
Псевдо: Виталий
Звідки Ви: Кременчуг
Карапь: Крым
Дописи: 351
Сказал(а) спасибо: 34
Поблагодарили 36 раз(а) в 20 сообщениях
Типово Re: Мультиприборы Yamaha 6y8

Посмотрю-отпишусь.
__________________
тел.0686122887 Смотрите мои предыдущие позиции.
Fisherman-ua зараз поза форумом   Відповісти з цитуванням
Старий 07.03.2017, 17:50   #22 (permalink)
Активный участник
 
Аватар для Fisherman-ua
 
Псевдо: Виталий
Звідки Ви: Кременчуг
Карапь: Крым
Дописи: 351
Сказал(а) спасибо: 34
Поблагодарили 36 раз(а) в 20 сообщениях
Типово Re: Мультиприборы Yamaha 6y8

Цитата:
Допис від Гена Переглянути допис
И может идти на разьём выхода на приборы пятые, тестером звонится на раз

Шановне товариство хотелось бы продолжить.
Сейчас датчик тримма подключен на двухпиновый разьем -провода розовый,черный.Нашел неподключенный четырехпиновый у которого тоже есть розовый провод и он звонится с розовым на двухпиновом разьеме(об этом скорее всего писал Гена).Я так понимаю еще какой-то разъем должен быть?
Мініатюри долучень
Щоб збільшити малюнок, клацніть по ньому
Назва:  IMAG1035[1].jpg
Переглядів: 667
Розмір:  110,8 КБ
ID:	130352  
__________________
тел.0686122887 Смотрите мои предыдущие позиции.
Fisherman-ua зараз поза форумом   Відповісти з цитуванням
Старий 07.03.2017, 20:15   #23 (permalink)
Активный участник
 
Аватар для в1961
 
Псевдо: Виктор
Звідки Ви: Киев
Карапь: ФинВал 475 Яма-70
Дописи: 17.213
Сказал(а) спасибо: 9.228
Поблагодарили 14.853 раз(а) в 4.277 сообщениях
Типово Re: Мультиприборы Yamaha 6y8

Звони Гене, быстрей будет
067 598 00 00
__________________
Ну, за рыбалку!!!
в1961 зараз поза форумом   Відповісти з цитуванням
Пользователь сказал cпасибо:
Fisherman-ua (07.03.2017)
Старий 08.03.2017, 01:37   #24 (permalink)
Клубень
 
Аватар для Гена
 
Псевдо: Гена
Звідки Ви: м. Київ,
Карапь: ----------------------
Дописи: 15.285
Сказал(а) спасибо: 4.540
Поблагодарили 4.495 раз(а) в 2.709 сообщениях
Типово Re: Мультиприборы Yamaha 6y8

Цитата:
Допис від Fisherman-ua Переглянути допис
Шановне товариство хотелось бы продолжить.
Сейчас датчик тримма подключен на двухпиновый разьем -провода розовый,черный.Нашел неподключенный четырехпиновый у которого тоже есть розовый провод и он звонится с розовым на двухпиновом разьеме(об этом скорее всего писал Гена).Я так понимаю еще какой-то разъем должен быть?

Вот эти разьёмы как раз и идут для подключения приборов пятой серии. На восьмую надо переключать, они не входят в компьютер мотора, потому и трим не меняется.
__________________
067 598 00 00 Командери, гвинти, прилади контролю та інша комплектація до човнів.
Гена зараз поза форумом   Відповісти з цитуванням
Старий 08.03.2017, 02:03   #25 (permalink)
Активный участник
 
Аватар для Fisherman-ua
 
Псевдо: Виталий
Звідки Ви: Кременчуг
Карапь: Крым
Дописи: 351
Сказал(а) спасибо: 34
Поблагодарили 36 раз(а) в 20 сообщениях
Типово Re: Мультиприборы Yamaha 6y8

Tам есть штатный разъем или нужно как-то врезаться?
__________________
тел.0686122887 Смотрите мои предыдущие позиции.
Fisherman-ua зараз поза форумом   Відповісти з цитуванням
Старий 08.03.2017, 02:12   #26 (permalink)
Клубень
 
Аватар для Гена
 
Псевдо: Гена
Звідки Ви: м. Київ,
Карапь: ----------------------
Дописи: 15.285
Сказал(а) спасибо: 4.540
Поблагодарили 4.495 раз(а) в 2.709 сообщениях
Типово Re: Мультиприборы Yamaha 6y8

Цитата:
Допис від Fisherman-ua Переглянути допис
Tам есть штатный разъем или нужно как-то врезаться?

Должен быть, по крайней мере, на тех моторах, где переключал я, он был.
__________________
067 598 00 00 Командери, гвинти, прилади контролю та інша комплектація до човнів.
Гена зараз поза форумом   Відповісти з цитуванням
Старий 08.03.2017, 10:47   #27 (permalink)
Активный участник
 
Аватар для Fisherman-ua
 
Псевдо: Виталий
Звідки Ви: Кременчуг
Карапь: Крым
Дописи: 351
Сказал(а) спасибо: 34
Поблагодарили 36 раз(а) в 20 сообщениях
Типово Re: Мультиприборы Yamaha 6y8

Цитата:
Допис від Гена Переглянути допис
Должен быть, по крайней мере, на тех моторах, где переключал я, он был.

Может вот этот ,черный с заглушками.
Мініатюри долучень
Щоб збільшити малюнок, клацніть по ньому
Назва:  IMAG1027.jpg
Переглядів: 894
Розмір:  90,6 КБ
ID:	130454   Щоб збільшити малюнок, клацніть по ньому
Назва:  IMAG1028.jpg
Переглядів: 793
Розмір:  108,3 КБ
ID:	130455   Щоб збільшити малюнок, клацніть по ньому
Назва:  IMAG1036.jpg
Переглядів: 720
Розмір:  105,1 КБ
ID:	130456  
__________________
тел.0686122887 Смотрите мои предыдущие позиции.
Fisherman-ua зараз поза форумом   Відповісти з цитуванням
Старий 08.03.2017, 11:33   #28 (permalink)
Активный участник
 
Аватар для AcidKiev
 
Псевдо: Александр
Звідки Ви: Киев РОП 6
Карапь: Прогресс 2+Yamaha F60
Дописи: 4.893
Сказал(а) спасибо: 3.874
Поблагодарили 2.874 раз(а) в 588 сообщениях
Типово Re: Мультиприборы Yamaha 6y8

Скорее всего эта
Мініатюри долучень
Щоб збільшити малюнок, клацніть по ньому
Назва:  1765389_192576.jpg
Переглядів: 838
Розмір:  87,2 КБ
ID:	130458  
AcidKiev зараз поза форумом   Відповісти з цитуванням
Пользователь сказал cпасибо:
Fisherman-ua (09.03.2017)
Старий 09.03.2017, 08:41   #29 (permalink)
Активный участник
 
Аватар для Fisherman-ua
 
Псевдо: Виталий
Звідки Ви: Кременчуг
Карапь: Крым
Дописи: 351
Сказал(а) спасибо: 34
Поблагодарили 36 раз(а) в 20 сообщениях
Типово Re: Мультиприборы Yamaha 6y8

Я так понимаю - нужно найти разомкнутый Однопиновый с розовым проводом и соеденить их?
Мініатюри долучень
Щоб збільшити малюнок, клацніть по ньому
Назва:  attachment.jpg
Переглядів: 728
Розмір:  131,7 КБ
ID:	130494  
__________________
тел.0686122887 Смотрите мои предыдущие позиции.

Востаннє редагував Fisherman-ua: 09.03.2017 о 09:32.
Fisherman-ua зараз поза форумом   Відповісти з цитуванням
Старий 09.03.2017, 11:00   #30 (permalink)
Активный участник
 
Аватар для AcidKiev
 
Псевдо: Александр
Звідки Ви: Киев РОП 6
Карапь: Прогресс 2+Yamaha F60
Дописи: 4.893
Сказал(а) спасибо: 3.874
Поблагодарили 2.874 раз(а) в 588 сообщениях
Типово Re: Мультиприборы Yamaha 6y8

Да. По крайней мере когда знакомому подключал двиг после этой манипуляции всё заработало
AcidKiev зараз поза форумом   Відповісти з цитуванням
Старий 09.03.2017, 11:06   #31 (permalink)
Клубень
 
Аватар для Гена
 
Псевдо: Гена
Звідки Ви: м. Київ,
Карапь: ----------------------
Дописи: 15.285
Сказал(а) спасибо: 4.540
Поблагодарили 4.495 раз(а) в 2.709 сообщениях
Типово Re: Мультиприборы Yamaha 6y8

Цитата:
Допис від Fisherman-ua Переглянути допис
Я так понимаю - нужно найти разомкнутый Однопиновый с розовым проводом и соеденить их?

Да, и про чёрный с датчика не забыть.
__________________
067 598 00 00 Командери, гвинти, прилади контролю та інша комплектація до човнів.
Гена зараз поза форумом   Відповісти з цитуванням
Старий 09.03.2017, 12:49   #32 (permalink)
Активный участник
 
Аватар для Fisherman-ua
 
Псевдо: Виталий
Звідки Ви: Кременчуг
Карапь: Крым
Дописи: 351
Сказал(а) спасибо: 34
Поблагодарили 36 раз(а) в 20 сообщениях
Типово Re: Мультиприборы Yamaha 6y8

Да, трим заработал !!!
Отдельное спасибо Гене,Александру и Вите
__________________
тел.0686122887 Смотрите мои предыдущие позиции.

Востаннє редагував Fisherman-ua: 10.03.2017 о 09:38.
Fisherman-ua зараз поза форумом   Відповісти з цитуванням
2 пользователя(ей) сказали cпасибо:
AcidKiev (09.03.2017), в1961 (09.03.2017)
Старий 09.03.2017, 15:02   #33 (permalink)
Клубень
 
Аватар для Гена
 
Псевдо: Гена
Звідки Ви: м. Київ,
Карапь: ----------------------
Дописи: 15.285
Сказал(а) спасибо: 4.540
Поблагодарили 4.495 раз(а) в 2.709 сообщениях
Типово Re: Мультиприборы Yamaha 6y8

Шо и мозги пришлось перепрошивать????
__________________
067 598 00 00 Командери, гвинти, прилади контролю та інша комплектація до човнів.
Гена зараз поза форумом   Відповісти з цитуванням
Пользователь сказал cпасибо:
Fisherman-ua (10.03.2017)
Старий 09.03.2017, 18:39   #34 (permalink)
Активный участник
 
Аватар для Fisherman-ua
 
Псевдо: Виталий
Звідки Ви: Кременчуг
Карапь: Крым
Дописи: 351
Сказал(а) спасибо: 34
Поблагодарили 36 раз(а) в 20 сообщениях
Типово Re: Мультиприборы Yamaha 6y8

Да...слава богу обошлось.
А датчик скорости пришлось поставить.
__________________
тел.0686122887 Смотрите мои предыдущие позиции.
Fisherman-ua зараз поза форумом   Відповісти з цитуванням
Старий 14.01.2019, 19:16   #35 (permalink)
Новичок
 
Псевдо: Василий
Звідки Ви: Киев
Карапь: Весло
Дописи: 20
Сказал(а) спасибо: 1
Поблагодарили 13 раз(а) в 5 сообщениях
Типово Re: Мультиприборы Yamaha 6y8

Доброго всем дня,
Нужен совет как правильно подключить в общую магистральную сеть Lowrance и приборы 6Y8 (тах. + спид.).
Есть в наличии:
1. Двигатель Yamaha;
2. Комплект 6Y8 - со всеми проводами и хабом;
3. Lowrance HDS Live-9;
4. Starter Kit NMEA 2000;
5. Point-1;
6. Sonic Hub2;
7. Датчик расхода топлива Lowrance EP-60R + датчик уровня EP-65R;
***
Нужно, чтобы все работало: приборы в сети сами по себе, Lowrance сам по себе - с полным функционалом.
Спидометр 6Y8 может показывать скорость COG (GPS), если его подключить к проводкам Лорика по NMEA 1183, он увидит GPS от прибора? Или как-то иначе надо?
Но, самый главный вопрос: как законектить всю эту "музыку" в одну сеть от мотора без доп.шлюза? Если такое конечно возможно) И не спрашивайте зачем)
Заранее благодарен за конструктив.
Vasiliy65 зараз поза форумом   Відповісти з цитуванням
Старий 14.01.2019, 19:29   #36 (permalink)
Клубень
 
Аватар для Гена
 
Псевдо: Гена
Звідки Ви: м. Київ,
Карапь: ----------------------
Дописи: 15.285
Сказал(а) спасибо: 4.540
Поблагодарили 4.495 раз(а) в 2.709 сообщениях
Типово Re: Мультиприборы Yamaha 6y8

Цитата:
Допис від Vasiliy65 Переглянути допис
Доброго всем дня,
Нужен совет как правильно подключить в общую магистральную сеть Lowrance и приборы 6Y8 (тах. + спид.).
Есть в наличии:
1. Двигатель Yamaha;
2. Комплект 6Y8 - со всеми проводами и хабом;
3. Lowrance HDS Live-9;
4. Starter Kit NMEA 2000;
5. Point-1;
6. Sonic Hub2;
7. Датчик расхода топлива Lowrance EP-60R + датчик уровня EP-65R;
***
Нужно, чтобы все работало: приборы в сети сами по себе, Lowrance сам по себе - с полным функционалом.
Спидометр 6Y8 может показывать скорость COG (GPS), если его подключить к проводкам Лорика по NMEA 1183, он увидит GPS от прибора? Или как-то иначе надо?
Но, самый главный вопрос: как законектить всю эту "музыку" в одну сеть от мотора без доп.шлюза? Если такое конечно возможно) И не спрашивайте зачем)
Заранее благодарен за конструктив.

Нужен кабель для подключения мотора в сеть. Конектится он прямо в хаб на 4 пиновое гнездо. И потом просто мтроить общую сетку. Всё будет работать, может единственное дополнительно кабеля и тройники понадобятся, надо глянуть комплект поставки всех устройств сети.
Кабель либо брать оригинальный по заоблачной стоимости либо можно самому сделать.
__________________
067 598 00 00 Командери, гвинти, прилади контролю та інша комплектація до човнів.
Гена зараз поза форумом   Відповісти з цитуванням
Пользователь сказал cпасибо:
Vasiliy65 (15.01.2019)
Старий 15.01.2019, 10:00   #37 (permalink)
Новичок
 
Псевдо: Василий
Звідки Ви: Киев
Карапь: Весло
Дописи: 20
Сказал(а) спасибо: 1
Поблагодарили 13 раз(а) в 5 сообщениях
Типово Re: Мультиприборы Yamaha 6y8

Гена спасибо огромное!
Т.е. ни каких «шлюзов» мне не нужно? Достаточно Yamaha Engine Interface Cable for NMEA2000 «000-0120-37», который можно подключить в «хаб» Command Link?
Как я понимаю теперь, сеть будет выглядеть так: приборы 6Y8 подключаются к двигателю через «хаб» Command Link, а сеть NMEA 2K в этот же «хаб» кабелем Yamaha 000-0120-37? А питание подключать надо и к сети 2К и к «хабу» Command Link?
Если у меня дополнительно возникнут вопросы, Вам можно перезвонить, чтобы долго не переписываться? В часности, меня интересует кабель Yamaha, т.к. у меня его нет.
Vasiliy65 зараз поза форумом   Відповісти з цитуванням
Старий 15.01.2019, 10:04   #38 (permalink)
Клубень
 
Аватар для Гена
 
Псевдо: Гена
Звідки Ви: м. Київ,
Карапь: ----------------------
Дописи: 15.285
Сказал(а) спасибо: 4.540
Поблагодарили 4.495 раз(а) в 2.709 сообщениях
Типово Re: Мультиприборы Yamaha 6y8

Цитата:
Допис від Vasiliy65 Переглянути допис
Гена спасибо огромное!
Т.е. ни каких «шлюзов» мне не нужно? Достаточно Yamaha Engine Interface Cable for NMEA2000 «000-0120-37», который можно подключить в «хаб» Command Link?
Как я понимаю теперь, сеть будет выглядеть так: приборы 6Y8 подключаются к двигателю через «хаб» Command Link, а сеть NMEA 2K в этот же «хаб» кабелем Yamaha 000-0120-37? А питание подключать надо и к сети 2К и к «хабу» Command Link?
Если у меня дополнительно возникнут вопросы, Вам можно перезвонить, чтобы долго не переписываться? В часности, меня интересует кабель Yamaha, т.к. у меня его нет.

Да, именно так. Там есть другое подключение, но там нжно ещё одно устройство Ямаха и не все движки Ямаха его поддерживают. Звоните конечно, чем смогу помогу.
__________________
067 598 00 00 Командери, гвинти, прилади контролю та інша комплектація до човнів.
Гена зараз поза форумом   Відповісти з цитуванням
Старий 15.01.2019, 13:18   #39 (permalink)
Новичок
 
Псевдо: Василий
Звідки Ви: Киев
Карапь: Весло
Дописи: 20
Сказал(а) спасибо: 1
Поблагодарили 13 раз(а) в 5 сообщениях
Типово Re: Мультиприборы Yamaha 6y8

Гена спасибо огромное!
Двигатель у меня "Yamaha 100" модельный ряд 2008-2009, для Европы.
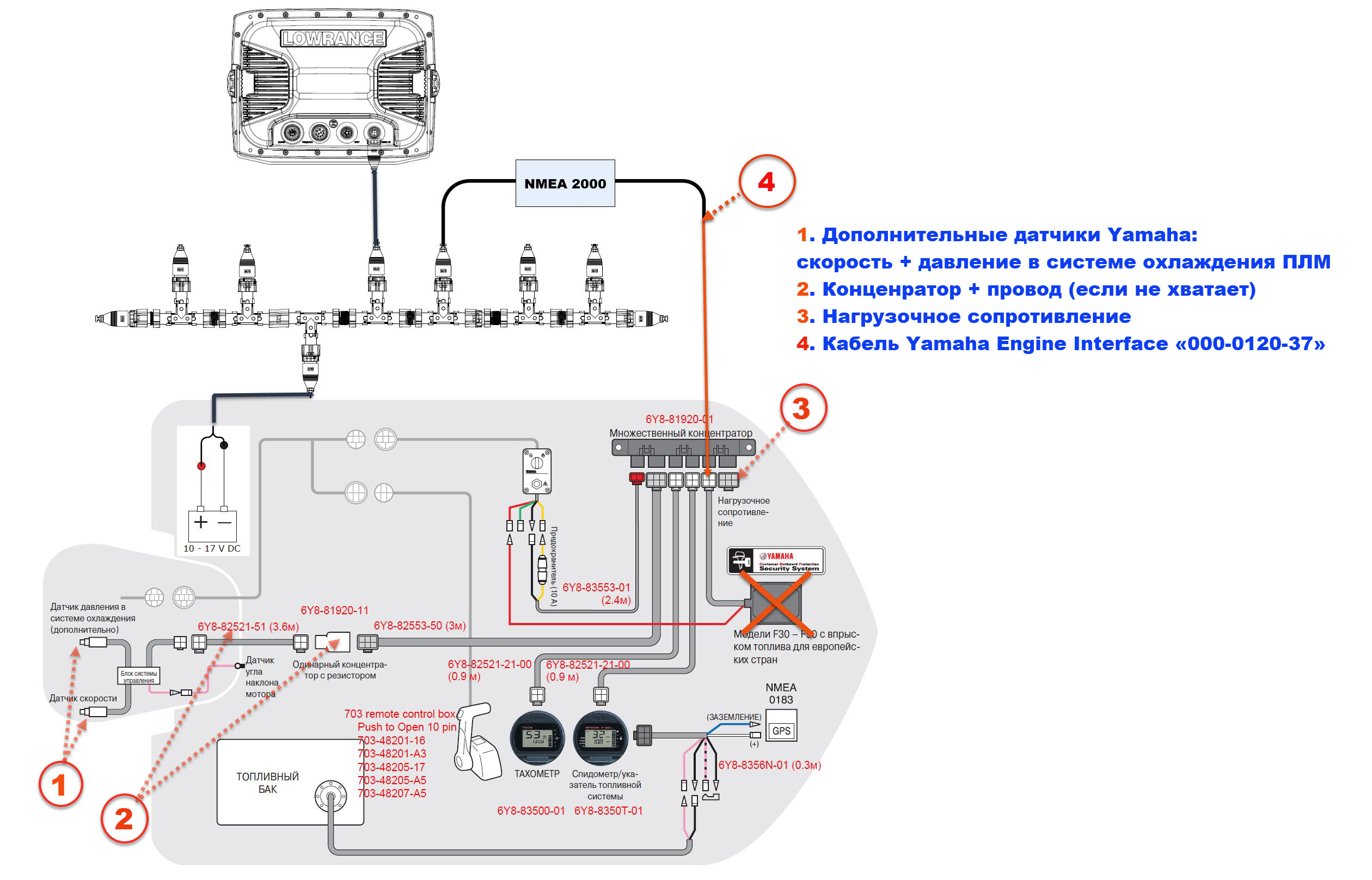
Я набросал схему чтобы, (прежде всего для меня) наглядно было:
-Дополнительные датчики, это те, которые на схеме #1?
-Если длины кабеля 6y8-82553-50 не хватит, нужен будет концентратор + кабель #2?

Я правильно понял вопрос? А какое есть другое подключение?
Мініатюри долучень
Щоб збільшити малюнок, клацніть по ньому
Назва:  Схема Lowrance 2K+G6Y8.JPG
Переглядів: 682
Розмір:  532,7 КБ
ID:	154208  
Vasiliy65 зараз поза форумом   Відповісти з цитуванням
Старий 15.01.2019, 16:31   #40 (permalink)
Активный участник
 
Аватар для в1961
 
Псевдо: Виктор
Звідки Ви: Киев
Карапь: ФинВал 475 Яма-70
Дописи: 17.213
Сказал(а) спасибо: 9.228
Поблагодарили 14.853 раз(а) в 4.277 сообщениях
Типово Re: Мультиприборы Yamaha 6y8

Датчики давления воды и датчик скорости нафик не нужны....не зря они и продаются как допы.
__________________
Ну, за рыбалку!!!
в1961 зараз поза форумом   Відповісти з цитуванням
2 пользователя(ей) сказали cпасибо:
gsmkua (10.01.2020), Валера М (16.01.2019)
ВідповідьПереход на главную страницу


Тут присутні: 1 (учасників - 0 , гостей - 1)
 

Ваші права у розділі
Ви не можете створювати теми
Ви не можете писати дописи
Ви не можете долучати файли
Ви не можете редагувати дописи

BB-код є Увімк.
Усмішки Увімк.
[IMG] код Увімк.
HTML код Вимк.
Trackbacks are Увімк.
Pingbacks are Увімк.
Refbacks are Увімк.


Схожі теми
Тема Автор Розділ Відповідей Останній допис
Продам мультиприборы Yamaha 6Y5- oleg_nk Архив 7 30.04.2016 09:22
Мультиприборы Yamaha 6Y8 Panchello Куплю, где купить 28 10.04.2015 11:16
Перепрошивка Yamaha F40 на Yamaha F50/F60, 086 ошибка Vodomoto Архив 0 19.05.2013 00:04


Часовий пояс GMT +3. Поточний час: 21:28.


vBulletin 3.8.7 ; Copyright © 2000-2026 Jelsoft Enterprises Limited
Переклад: © Віталій Стопчанський, 2004-2010

Search Engine Optimization by vBSEO 3.6.0