Форум водно-моторного Клуба Фрегат

Назад   Форум водно-моторного Клуба Фрегат > Водномоторная тематика > Электрика и электроника > Электрика

Відповідь
 
LinkBack Параметри теми Параметри перегляду
Старий 16.03.2010, 18:44   #1 (permalink)
Клубень
 
Аватар для Novell
 
Псевдо: Алексей
Звідки Ви: Киев (Выдыбай)
Карапь: Длиномер 9,55х1,8 (mercury 15 BigFoot 4t)
Дописи: 3.550
Сказал(а) спасибо: 1.030
Поблагодарили 1.863 раз(а) в 571 сообщениях
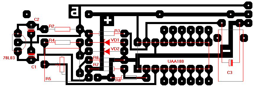
Типово Вольтметр, указатель уровня топлива, термометр

щас стоит вопрос индикации уровня топлива в баке... стрелочный както несильно хочу.... вот нарыл такю схему... что думаете???


Указатель уровня топлива

Указатель остатка топлива на самом деле является омметром и измеряет сопротивление датчика-реостата. Если подключить переменное соротивление к указателю, то его показания должны соответствовать следующему:
0 Ом – стрелка лежит на левом краю шкалы;
15 Ом – стрелка на границе красной и белой зоны;
45 Ом – стрелка на линии 1/2;
90 Ом – стрелка на линии 1;
при разрыве стрелка на правом краю шкалы;

Стабилизатор 78L03 при таком подключении работает, как источник тока 30 мА. Стабилитрон на 3В нужен для защиты измерительного входа микросхемы от перенапряжения в случае "обрыва" провода датчика. При КЗ датчика показания должны быть, как для пустого бака.
Цепочка R3, C3 замедляет изменение напряжения на измерительном входе 17 микросхемы UAA180. Постоянная времени цепочки около 2 секунд. Такое замедление должно предотвращать скачки в показаниях прибора при колебаниях поплавка датчика вместе с уровнем бензина во время движения.
Для настройки прибора вместо датчика-реостата нужно подключить сопротивление 90 Ом и, вращая подстроечный резистор, найти момент включения полного светящегося столба.

После установки приборов на автомобиль был замечен такой недостаток в работе указателя остатка топлива.
При полном баке все хорошо, а, вот, когда бак становится пустым больше, чем на половину, то во время движения (в поворотах, или при разгоне/торможении) показания могут меняться на 3 деления (а это четверь шкалы!), например, от 1 до 4 светодиодов. Очевидно, что это связано с переливанием бензина по горизонтально расположенному баку под действием сил инерции. Как с этим бороться пока не очень понятно.
Мініатюри долучень
Щоб збільшити малюнок, клацніть по ньому
Назва:  bak_cxem.gif
Переглядів: 1798
Розмір:  7,1 КБ
ID:	845   Щоб збільшити малюнок, клацніть по ньому
Назва:  BAK_DETA.gif
Переглядів: 1049
Розмір:  11,4 КБ
ID:	846   Щоб збільшити малюнок, клацніть по ньому
Назва:  bak_face.gif
Переглядів: 1113
Розмір:  2,0 КБ
ID:	847   Щоб збільшити малюнок, клацніть по ньому
Назва:  BAK_PLAT.gif
Переглядів: 1010
Розмір:  8,4 КБ
ID:	848  
Novell зараз поза форумом   Відповісти з цитуванням
Старий 16.03.2010, 19:24   #2 (permalink)
Клубень
 
Аватар для Novell
 
Псевдо: Алексей
Звідки Ви: Киев (Выдыбай)
Карапь: Длиномер 9,55х1,8 (mercury 15 BigFoot 4t)
Дописи: 3.550
Сказал(а) спасибо: 1.030
Поблагодарили 1.863 раз(а) в 571 сообщениях
Типово Re: Указатель уровня топлива

нашол первоисточник (Вольтметр, Указатель уровня топлива, Термометр)
http://analarc.narod.ru/hobby/panel/...html#PARA_FUEL
Novell зараз поза форумом   Відповісти з цитуванням
Старий 17.03.2010, 16:56   #3 (permalink)
Активный участник
 
Аватар для vladk
 
Псевдо: Влад
Звідки Ви: Киев
Карапь: Bayliner 195
Дописи: 149
Сказал(а) спасибо: 33
Поблагодарили 27 раз(а) в 18 сообщениях
Типово Re: Вольтметр, указатель уровня топлива, термометр

Вот есть еще готовые решения, http://www.orionspb.ru/main/pro/bort...lada/kd_9/#top
vladk зараз поза форумом   Відповісти з цитуванням
Старий 09.11.2015, 15:25   #4 (permalink)
Активный участник
 
Аватар для Antonioni2007
 
Псевдо: Антон
Звідки Ви: Киев Роп 6
Карапь: водоизмещающий, селедка, м412 68л.с.с.
Дописи: 3.118
Сказал(а) спасибо: 1.019
Поблагодарили 1.547 раз(а) в 651 сообщениях
Типово Re: Вольтметр, указатель уровня топлива, термометр

Цитата:
Допис від Novell Переглянути допис
Как с этим бороться пока не очень понятно

скорее всего играться цепочкой R3,C3,попробовать емкость конденсатора увеличить.
__________________
Комфорт-не излишество,а полезность)))
Antonioni2007 зараз поза форумом   Відповісти з цитуванням
Старий 09.11.2015, 22:21   #5 (permalink)
Активный участник
 
Аватар для Antonioni2007
 
Псевдо: Антон
Звідки Ви: Киев Роп 6
Карапь: водоизмещающий, селедка, м412 68л.с.с.
Дописи: 3.118
Сказал(а) спасибо: 1.019
Поблагодарили 1.547 раз(а) в 651 сообщениях
Типово Re: Вольтметр, указатель уровня топлива, термометр

Цитата:
Допис від Novell Переглянути допис
нашол первоисточник

Новел,скажи,пожалуйста,а измерители давления масла и температуры схемы,которые нужно паять самому, не попадались?
Если уж делать,то делать всё)
__________________
Комфорт-не излишество,а полезность)))

Востаннє редагував Antonioni2007: 09.11.2015 о 22:38.
Antonioni2007 зараз поза форумом   Відповісти з цитуванням
Старий 06.12.2015, 17:46   #6 (permalink)
Активный участник
 
Псевдо: Александр
Звідки Ви: Киев РОП-4.
Карапь: Длинномер
Дописи: 124
Сказал(а) спасибо: 39
Поблагодарили 18 раз(а) в 14 сообщениях
Типово Re: Вольтметр, указатель уровня топлива, термометр

Всем привет.
Посоветуйте специалиста для ремонта электропроводки и приборной панели на длинномере.
Baltazar зараз поза форумом   Відповісти з цитуванням
Старий 06.12.2015, 19:50   #7 (permalink)
MAX
Клубень
 
Аватар для MAX
 
Псевдо: Максим
Звідки Ви: Киев РОП-6
Карапь: Прогресс-2м
Дописи: 9.053
Сказал(а) спасибо: 8.079
Поблагодарили 2.149 раз(а) в 711 сообщениях
Типово Re: Вольтметр, указатель уровня топлива, термометр

Заедте на КАРДАЧИ на Радиорынок, там таких приблуд любых( сам паяй) много
MAX зараз поза форумом   Відповісти з цитуванням
Пользователь сказал cпасибо:
Antonioni2007 (08.12.2015)
Старий 06.12.2015, 21:19   #8 (permalink)
Клубень
 
Аватар для Гена
 
Псевдо: Гена
Звідки Ви: м. Київ,
Карапь: ----------------------
Дописи: 15.285
Сказал(а) спасибо: 4.540
Поблагодарили 4.495 раз(а) в 2.709 сообщениях
Типово Re: Вольтметр, указатель уровня топлива, термометр

Цитата:
Допис від Baltazar Переглянути допис
Всем привет.
Посоветуйте специалиста для ремонта электропроводки и приборной панели на длинномере.

Проводку можем мы глянуть, а панель надо смотреть, что стоит.
__________________
067 598 00 00 Командери, гвинти, прилади контролю та інша комплектація до човнів.
Гена зараз поза форумом   Відповісти з цитуванням
Пользователь сказал cпасибо:
Baltazar (06.12.2015)
Старий 06.12.2015, 21:59   #9 (permalink)
Активный участник
 
Псевдо: Александр
Звідки Ви: Киев РОП-4.
Карапь: Длинномер
Дописи: 124
Сказал(а) спасибо: 39
Поблагодарили 18 раз(а) в 14 сообщениях
Типово Re: Вольтметр, указатель уровня топлива, термометр

Отправил сообщ. в личку.
Baltazar зараз поза форумом   Відповісти з цитуванням
Старий 06.12.2015, 22:32   #10 (permalink)
Клубень
 
Аватар для Гена
 
Псевдо: Гена
Звідки Ви: м. Київ,
Карапь: ----------------------
Дописи: 15.285
Сказал(а) спасибо: 4.540
Поблагодарили 4.495 раз(а) в 2.709 сообщениях
Типово Re: Вольтметр, указатель уровня топлива, термометр

Цитата:
Допис від Baltazar Переглянути допис
Отправил сообщ. в личку.

Пока ничего не пришло.
__________________
067 598 00 00 Командери, гвинти, прилади контролю та інша комплектація до човнів.
Гена зараз поза форумом   Відповісти з цитуванням
Старий 09.01.2016, 20:44   #11 (permalink)
Активный участник
 
Псевдо: Александр
Звідки Ви: Киев РОП-4.
Карапь: Длинномер
Дописи: 124
Сказал(а) спасибо: 39
Поблагодарили 18 раз(а) в 14 сообщениях
Типово Re: Вольтметр, указатель уровня топлива, термометр

Отправил фото.
Baltazar зараз поза форумом   Відповісти з цитуванням
ВідповідьПереход на главную страницу


Тут присутні: 1 (учасників - 0 , гостей - 1)
 

Ваші права у розділі
Ви не можете створювати теми
Ви не можете писати дописи
Ви не можете долучати файли
Ви не можете редагувати дописи

BB-код є Увімк.
Усмішки Увімк.
[IMG] код Увімк.
HTML код Вимк.
Trackbacks are Увімк.
Pingbacks are Увімк.
Refbacks are Увімк.



Часовий пояс GMT +3. Поточний час: 23:32.


vBulletin 3.8.7 ; Copyright © 2000-2026 Jelsoft Enterprises Limited
Переклад: © Віталій Стопчанський, 2004-2010

Search Engine Optimization by vBSEO 3.6.0