Форум водно-моторного Клуба Фрегат

Назад   Форум водно-моторного Клуба Фрегат > Водномоторная тематика > Электрика и электроника > Электрика

Відповідь
 
LinkBack Параметри теми Параметри перегляду
Старий 07.08.2013, 23:08   #1 (permalink)
Участник
 
Псевдо: Вячеслав
Звідки Ви: Молдова
Карапь: SEARAY 185, SEADOO GTX, SEADOO HX
Дописи: 55
Сказал(а) спасибо: 8
Поблагодарили 1 раз в 1 сообщении
Типово Запуск мотора без фишки

Ребята нужна помощь, кто сможет объяснить как завести мотор МЕРКУРИ 50 (2-т, 4 цилиндра, конец 80-х) без фишки (папы) у меня стоит фишка (мамка) 8 выходов. Какие нужно замкнуть, чтоб включить зажигания и какие замкнуть, чтоб стартер крутил?

Добавлено через 1 минуту
Схему сколько искал, не нашел такую чтоб можно было разобраться.
Moldovan зараз поза форумом   Відповісти з цитуванням
Старий 07.08.2013, 23:37   #2 (permalink)
Клубень
 
Аватар для Гена
 
Псевдо: Гена
Звідки Ви: м. Київ,
Карапь: ----------------------
Дописи: 15.285
Сказал(а) спасибо: 4.540
Поблагодарили 4.495 раз(а) в 2.709 сообщениях
Типово Re: Запуск мотора без фишки

Не помню точно,но где то в 90 цветовая маркировка была у Мерка поменяна.если нет, то надо замкнуть красный и фиолетовый и на эту скрутку прикосать жёлтый с красной полосой, что бы подсос задействовать к скрутке косаем жёлтый с чёрной полосой, глушим - чёрный касаем с чёрным с жёлтой полосой.
__________________
067 598 00 00 Командери, гвинти, прилади контролю та інша комплектація до човнів.
Гена зараз поза форумом   Відповісти з цитуванням
Пользователь сказал cпасибо:
Moldovan (07.08.2013)
Старий 07.08.2013, 23:48   #3 (permalink)
Участник
 
Псевдо: Вячеслав
Звідки Ви: Молдова
Карапь: SEARAY 185, SEADOO GTX, SEADOO HX
Дописи: 55
Сказал(а) спасибо: 8
Поблагодарили 1 раз в 1 сообщении
Типово Re: Запуск мотора без фишки

Как я понял:
красный и фиолетовый - это зажигание
желтый с красной полоской - это старте
желтый с черной полосой - подсос
А вот если мы красный с фиолетовым разомкнем - он не заглушиться?

Добавлено через 4 минуты
Случайно не помнишь соотношение цветов по номерам на фишке (там идут по кругу от 1 до 7 и 8 по центру) у меня просто сложно будет разобрать фишку.
По моему у меня фиолетового нету ...
Moldovan зараз поза форумом   Відповісти з цитуванням
Старий 07.08.2013, 23:50   #4 (permalink)
Клубень
 
Аватар для Гена
 
Псевдо: Гена
Звідки Ви: м. Київ,
Карапь: ----------------------
Дописи: 15.285
Сказал(а) спасибо: 4.540
Поблагодарили 4.495 раз(а) в 2.709 сообщениях
Типово Re: Запуск мотора без фишки

Красный - постоянный плюс, фиолетовый - плюя после замка зажигания. На многих 2 тактных моторах замыкать обчно и не нужно, на инжекторных обязавтельно, всё остльное правильно.

Добавлено через 1 минуту
По фишке не помню, надо на работе искать записи,хотя где то тут у нас на форуме была схема по фишке и цветам.
__________________
067 598 00 00 Командери, гвинти, прилади контролю та інша комплектація до човнів.
Гена зараз поза форумом   Відповісти з цитуванням
Старий 08.08.2013, 00:17   #5 (permalink)
Участник
 
Псевдо: Вячеслав
Звідки Ви: Молдова
Карапь: SEARAY 185, SEADOO GTX, SEADOO HX
Дописи: 55
Сказал(а) спасибо: 8
Поблагодарили 1 раз в 1 сообщении
Типово Re: Запуск мотора без фишки

здесь я нашел одну схему, но там не видно ни цветов ни номеров на фишке ...

Добавлено через 1 минуту
Если сегодня, завтра попадет под руку, то скинь ссылку на схему, а вообще еще лучше бы разобраться по номерам на фишке.

Добавлено через 2 минуты
У меня карбюраторный, значит мне не надо стыковать фиолетовый с красным, а можно стартером (желтый с красной полоской) касаться фиолетового?

Добавлено через 2 минуты
Если вдруг черный и черный с желтой полоской не заглушат двигатель, то какой еще вариант есть заглушить мотор, не считая выдирать провода со свечей (я понял, что можно убить катушки) и вариант перекрыть подачу воздуха на карбюраторы (не удобно под лезть к ним)?
Moldovan зараз поза форумом   Відповісти з цитуванням
Старий 08.08.2013, 00:23   #6 (permalink)
Клубень
 
Аватар для Гена
 
Псевдо: Гена
Звідки Ви: м. Київ,
Карапь: ----------------------
Дописи: 15.285
Сказал(а) спасибо: 4.540
Поблагодарили 4.495 раз(а) в 2.709 сообщениях
Типово Re: Запуск мотора без фишки

Сброшу.
От касания фиолетового жёлтым с красной полосой ничего не будет. И старта тоже. Заглушить либо так кая я сказал,либо провода сдёргивать,либо на карбе воздух перекрывать. Ну и другие народные методы
__________________
067 598 00 00 Командери, гвинти, прилади контролю та інша комплектація до човнів.
Гена зараз поза форумом   Відповісти з цитуванням
Старий 08.08.2013, 00:47   #7 (permalink)
Участник
 
Псевдо: Вячеслав
Звідки Ви: Молдова
Карапь: SEARAY 185, SEADOO GTX, SEADOO HX
Дописи: 55
Сказал(а) спасибо: 8
Поблагодарили 1 раз в 1 сообщении
Типово Re: Запуск мотора без фишки

Ок буду ждать.
Moldovan зараз поза форумом   Відповісти з цитуванням
Старий 08.08.2013, 19:03   #8 (permalink)
Участник
 
Псевдо: Вячеслав
Звідки Ви: Молдова
Карапь: SEARAY 185, SEADOO GTX, SEADOO HX
Дописи: 55
Сказал(а) спасибо: 8
Поблагодарили 1 раз в 1 сообщении
Типово Re: Запуск мотора без фишки

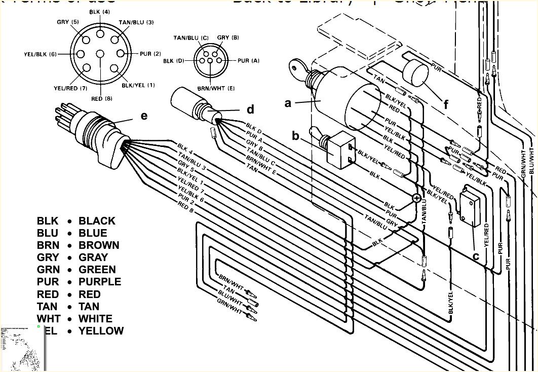
У меня вот какой расклад по цветам:

КРАСНЫЙ (на +)
КРАСНЫЙ (на "SEMIKRDN")
ЖЕЛТЫЙ С КРАСНОЙ полоской
ЖЕЛТЫЙ С ЧЕРНОЙ полоской
ЧЕРНЫЙ С ЖЕЛТОЙ полоской (на массу)
ЧЕРНЫЙ С ЖЕЛТОЙ полоской (на катушку)
ЧЕРНЫЙ
СЕРЫЙ

В скобках попытался распознать одинаковые цвета, если это поможет.
Moldovan зараз поза форумом   Відповісти з цитуванням
Старий 08.08.2013, 19:32   #9 (permalink)
Клубень
 
Аватар для Novell
 
Псевдо: Алексей
Звідки Ви: Киев (Выдыбай)
Карапь: Длиномер 9,55х1,8 (mercury 15 BigFoot 4t)
Дописи: 3.550
Сказал(а) спасибо: 1.030
Поблагодарили 1.863 раз(а) в 571 сообщениях
Типово Re: Запуск мотора без фишки

я пока неразобрался с електрикой то поначалу заодил замыка стартер отверткой, впринципи глягув куда идут провада от стартера то там непроблема найти провода на завод.....
а глушил подсосом...... там електро магнитом закрываеться заслонка....

вот тут моя схема
__________________
Длиномер ПЛМ (Подвесной лодочный мотор) Mercury 15 BigFoot 4t

NovellUA
Novell зараз поза форумом   Відповісти з цитуванням
Пользователь сказал cпасибо:
Moldovan (08.08.2013)
Старий 08.08.2013, 21:36   #10 (permalink)
Участник
 
Псевдо: Вячеслав
Звідки Ви: Молдова
Карапь: SEARAY 185, SEADOO GTX, SEADOO HX
Дописи: 55
Сказал(а) спасибо: 8
Поблагодарили 1 раз в 1 сообщении
Типово Re: Запуск мотора без фишки

У меня проблема возникла что мне делать с двумя красными (по логике их надо замкнуть) и давать на них желтый с черной полоской - чтоб завести.
Но вот как глушить если у меня 2 черных с желтой полоской и один просто черный. Если я замкну все три (2 черных с желтой полоской и черный) ничего не спалю?
Moldovan зараз поза форумом   Відповісти з цитуванням
Старий 09.08.2013, 10:47   #11 (permalink)
Клубень
 
Аватар для Novell
 
Псевдо: Алексей
Звідки Ви: Киев (Выдыбай)
Карапь: Длиномер 9,55х1,8 (mercury 15 BigFoot 4t)
Дописи: 3.550
Сказал(а) спасибо: 1.030
Поблагодарили 1.863 раз(а) в 571 сообщениях
Типово Re: Запуск мотора без фишки

смотри по схеме.... провод должен ити по схеме в какойто ECM ...... вызванюй куда какой идет провод.....

Добавлено через 6 минут
Цитата:
Допис від Moldovan Переглянути допис
желтый с черной полоской - чтоб завести.

жёлтый/чёрная полоса-подсос воздуха в цепи системы обогащения топлива
для старта вот - жёлтый/красная полоса от выключателя стартера к соленоиду стартера и выключателю блокировки запуска

с стартом все просто от стартера идет провод к реле от реле идет толстый провод на акамулятор и на управление..... вот к этому управлению и подсоеденяйся
__________________
Длиномер ПЛМ (Подвесной лодочный мотор) Mercury 15 BigFoot 4t

NovellUA

Востаннє редагував Novell: 09.08.2013 о 10:43.
Novell зараз поза форумом   Відповісти з цитуванням
Старий 10.08.2013, 21:42   #12 (permalink)
Участник
 
Псевдо: Вячеслав
Звідки Ви: Молдова
Карапь: SEARAY 185, SEADOO GTX, SEADOO HX
Дописи: 55
Сказал(а) спасибо: 8
Поблагодарили 1 раз в 1 сообщении
Типово Re: Запуск мотора без фишки

Кто-то может сказать цвета по номеру контактов на фишке (от 1 до 8).
Moldovan зараз поза форумом   Відповісти з цитуванням
Старий 11.08.2013, 16:57   #13 (permalink)
Активный участник
 
Аватар для P_Petrovich
 
Псевдо: Petrovich
Звідки Ви: берег р.Десна, Жавинка, Чернігів
Карапь: КРИМ
Дописи: 5.735
Сказал(а) спасибо: 3.161
Поблагодарили 3.203 раз(а) в 1.232 сообщениях
Типово Re: Запуск мотора без фишки

Цитата:
Допис від Moldovan Переглянути допис
Кто-то может сказать цвета по номеру контактов на фишке (от 1 до 8).

ТУТ всё есть
пролистай туда сюда
P_Petrovich зараз поза форумом   Відповісти з цитуванням
Пользователь сказал cпасибо:
Moldovan (12.08.2013)
Старий 11.08.2013, 22:07   #14 (permalink)
Активный участник
 
Аватар для P_Petrovich
 
Псевдо: Petrovich
Звідки Ви: берег р.Десна, Жавинка, Чернігів
Карапь: КРИМ
Дописи: 5.735
Сказал(а) спасибо: 3.161
Поблагодарили 3.203 раз(а) в 1.232 сообщениях
Типово Re: Запуск мотора без фишки

110 страница манула
Мініатюри долучень
Щоб збільшити малюнок, клацніть по ньому
Назва:  02.JPG
Переглядів: 625
Розмір:  174,9 КБ
ID:	47740  

Востаннє редагував P_Petrovich: 11.08.2013 о 22:09.
P_Petrovich зараз поза форумом   Відповісти з цитуванням
Пользователь сказал cпасибо:
Moldovan (12.08.2013)
Старий 13.08.2013, 23:17   #15 (permalink)
Участник
 
Псевдо: Вячеслав
Звідки Ви: Молдова
Карапь: SEARAY 185, SEADOO GTX, SEADOO HX
Дописи: 55
Сказал(а) спасибо: 8
Поблагодарили 1 раз в 1 сообщении
Типово Re: Запуск мотора без фишки

Всем, кто откликнулся спасибо!!!
Я разобрался. У меня оказывается с фишки выходят 6 проводов:

КРАСНЫЙ - плюс (после фишки раздваивается) - 8
ЖЕЛТЫЙ С КРАСНОЙ полоской - стартер - 7
ЖЕЛТЫЙ С ЧЕРНОЙ полоской - подсос - 6
ЧЕРНЫЙ С ЖЕЛТОЙ полоской - глушит двигатель (после фишки раздваивается) - 1
ЧЕРНЫЙ - масса - 4
СЕРЫЙ - тахометр - 5

Скобой между 8 (плюс) и 7 (стартер) - завел мотор и скобой между 4 (масса) и 1 (черный с желтой полоской) - заглушил мотор.

Moldovan зараз поза форумом   Відповісти з цитуванням
ВідповідьПереход на главную страницу


Тут присутні: 1 (учасників - 0 , гостей - 1)
 

Ваші права у розділі
Ви не можете створювати теми
Ви не можете писати дописи
Ви не можете долучати файли
Ви не можете редагувати дописи

BB-код є Увімк.
Усмішки Увімк.
[IMG] код Увімк.
HTML код Вимк.
Trackbacks are Увімк.
Pingbacks are Увімк.
Refbacks are Увімк.


Схожі теми
Тема Автор Розділ Відповідей Останній допис
Убрать шум мотора. Юнга Уход за двигателем 6 12.11.2012 22:08
Покраска мотора Рамзес Аксессуары двигателей 45 26.08.2012 18:43
Кража мотора Рамзес Кражи 3 18.06.2012 22:44
Фишки на троса газа и реверса Max_suz Куплю, где купить 17 02.08.2011 01:21
Защита от мотора Михаил Надувнухи, РИБы 13 16.06.2010 01:40


Часовий пояс GMT +3. Поточний час: 04:50.


vBulletin 3.8.7 ; Copyright © 2000-2026 Jelsoft Enterprises Limited
Переклад: © Віталій Стопчанський, 2004-2010

Search Engine Optimization by vBSEO 3.6.0