Перегляд одного допису
Старий 16.03.2012, 10:54   #86 (permalink)
vladymyr
Активный участник
 
Аватар для vladymyr
 
Псевдо: Владимир
Звідки Ви: Киев
Карапь: самострой, минкота 30, ветерок 8
Дописи: 168
Сказал(а) спасибо: 60
Поблагодарили 67 раз(а) в 29 сообщениях
Типово Re: Ветерок. Новое зажигание.

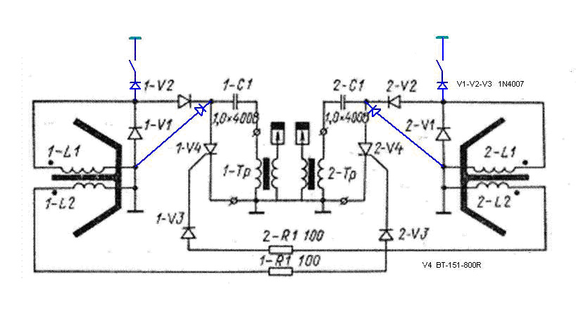
Я, вот так спаял. "Стоп" поставил на накопительную фиксированным двухканальным темблером.
Мініатюри долучень
Щоб збільшити малюнок, клацніть по ньому
Назва:  моя схема на ветерок.jpg
Переглядів: 2184
Розмір:  106,7 КБ
ID:	20949  
vladymyr зараз поза форумом   Відповісти з цитуванням