Перегляд одного допису
Старий 22.04.2012, 17:03   #51 (permalink)
Вовчик
Клубень, модератор
 
Аватар для Вовчик
 
Псевдо: Володимир
Звідки Ви: Україна
Карапь: Параплан-Skywalk Chili 2
Дописи: 19.707
Сказал(а) спасибо: 9.570
Поблагодарили 7.182 раз(а) в 3.170 сообщениях
Типово Re: Зарядка на Вихрь 30

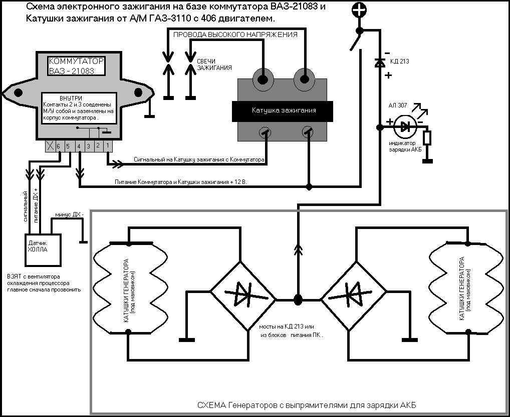
Ну вот нашёл таки схемку заж для Вихря .С полноценной зарядкой аккумы.
Правда тутприходится жертвовать автономностью заж.Тоесть как у машины ,зависит от аккумулятора.
Всё таки решил такое же сворганить ,и испытать на другом моторе.Фото прилагаю.

Само описание работ.

На лодочной станции мы понасобирали старых электронных зажиганий от вихрей. Благо что их там навалом с нерабочей одной или второй половиной. Это весьма распостраненный дефект- не работает одна свеча. Т.к. блоки мало ремонтопригодны, их выкидывают или просто бросают в уголки сейфа где хранят моторы. Главное чтоб обмотки были целыми, неповрежденными- они пригодятся. Хотя в принципе их не сложно намотать и самому. Далее, при помощи паяльника и отвертки была извлечена старая схема с кучей всяких деталюшек которые больше нигде не пригодяться. Была извлечена и выброшена катушечка датчика зажигания. Она тоже не нужна. Маховик для всего этого нужен обычный, "НЕ ЭЛЕКТРОННЫЙ!!!". И все. подготовка закончилась. Начинаем сборку зажигания. На пальцах это выглядит примерно так: Было собрано два моста на диодах КД-213. Это маленькие диски с выводами, выдерживающие до 100ампер в импульсе. Стоят они не дорого, да и достать их не проблема, за то очень надежно и к.з не бояться. Их понадобиться 8 штук на мотор. По четыре на каждый мост. Итак, два моста подключили к двум обмоткам- одна освещения, вторая раньше работала на зажигание, теперь будет тоже "освещать" за одно и аккумулятор заряжать. выхода мостов подключили паралельно.
Таким образом обе катушки теперь независимо друг от друга качают" электричество. Поверьте, так намного эфективнее чем если просто соединить обе катушки в параллель и нагрузить на один мост. К тому же места там хватает с избытком. Далее, датчик холла был размещен в прорези, где раньше стояла катушечка старого датчика. После установки датчика и диодных мостов ниша заплняется герметиком из которого выходят провода.Все проще паренной репы! На блке двигателя укрепляем новую двухискровую бобину и электронный коммутатор. Все соединяем по схеме ВАЗ-2108-09. Выход с мостиков кидаем на аккумулятор. И все. Можно заводить. Подаем питание, дергаем шнур..... ВСЕ!!!

Это все красиво и просто. За исключением датчика холла. С ним прийдется поковырятся маленько. Дело в том, что его не хватает для нормального срабатывания от полюсных башмаков маховика. Вернее не хватало у меня- я у себя использовал датчик холла от клавиатур компьютера.(раньше такие делали) Вы у себя можете сами проверить это. Делается так: у датчика три провода- два питания и один- сигнальный провод Если у Вас все есть в комплекте, соберите на столе схему зажигания, подайте питание. Поднесите датчик к башмаку изнутри маховика. В момент когда вы будете переносить датчик от одного башмака к другому у вас должна сформироваться искра. Если этого не происходит (как у меня) то вам необходимо датчик "подмагнитить". Делается это просто- к датчику подносится маленький магнитик (его вы снимете с датчика- он идет вместе с ним) как только датчик сработает, магнитик немного отодвигается от датчика и приклеивается в этом месте эпоксидной смолой. Важную роль играет полярность датчика. Это вы должны выяснить сами- на каком башмаке уВас должна формироваться искра. Хотя я думаю что жигулевские датчики намного более чувствителнее чем те что были в моем распоряжении. Поверьте, три года назад датчики еще были в дефиците. Вот пожалуй и все. Если возникнут вопросы - обращайтесь на е-мейл ant_alex2001@mail.ru постараюсь помочь чем смогу. Чуточку попозже, как доберусь до фотоаппарата сфотографирую и выложу сюда фотографии всей этой красоты и еще более подробные описания технических деталей и проблем с которыми вы может быть столкнетесь при создания этого шедевра лодочной электроники. :).
Еще немного добавлю- с установкой батарейной системы у вас отпадает множество проблем- таких как установка тахометра, приборов контроля за температурой двигателя. Вы спросите почему? Потому что теперь эту кучу электроники Вы сможете купить в любом автомагазине и работать у Вас она будет не хуже чем в авто. У моего друга так и стояло- два тахометра от ВАЗ2106, два прибора контроля за температурой. Вы спросите как подключить все это? Просто берете схему автомобиля........ А датчики температуры ставяться элементарно просто- сверлите в рубашке вихря (мы просверлили в гловке) дырочку и нарезаете резьбу под штатный датчик ВАЗ 2106. Поверьте, все работает прекрасно. Ну а если сверлить не охота, распилилте датчик, там увидите таблеточку термоелемента. Прижмите ее к блоку хомутиком, под хомутик- проводочек, его к приборчику. Залейте все герметиком и все. Приятного Вам хода!!!!
Мініатюри долучень
Щоб збільшити малюнок, клацніть по ньому
Назва:  vixr.JPG
Переглядів: 2568
Розмір:  78,8 КБ
ID:	22967   Щоб збільшити малюнок, клацніть по ньому
Назва:  P1010077.JPG
Переглядів: 1933
Розмір:  44,1 КБ
ID:	22968   Щоб збільшити малюнок, клацніть по ньому
Назва:  P1010068.JPG
Переглядів: 1812
Розмір:  42,3 КБ
ID:	22969   Щоб збільшити малюнок, клацніть по ньому
Назва:  P1010067.JPG
Переглядів: 1756
Розмір:  38,7 КБ
ID:	22970   Щоб збільшити малюнок, клацніть по ньому
Назва:  P1010066.JPG
Переглядів: 1485
Розмір:  34,3 КБ
ID:	22971   Щоб збільшити малюнок, клацніть по ньому
Назва:  P1010062.JPG
Переглядів: 3370
Розмір:  111,3 КБ
ID:	22972   Щоб збільшити малюнок, клацніть по ньому
Назва:  P1010058.JPG
Переглядів: 1961
Розмір:  109,0 КБ
ID:	22973   Щоб збільшити малюнок, клацніть по ньому
Назва:  P1010057.JPG
Переглядів: 2157
Розмір:  120,0 КБ
ID:	22974  

Щоб збільшити малюнок, клацніть по ньому
Назва:  065.JPG
Переглядів: 1372
Розмір:  32,9 КБ
ID:	22975  
Вовчик зараз поза форумом   Відповісти з цитуванням
2 пользователя(ей) сказали cпасибо:
bethov (22.04.2012), Рамзес (26.04.2012)