Перегляд одного допису
Старий 09.10.2019, 09:14   #320 (permalink)
SHAFAR
Активный участник
 
Аватар для SHAFAR
 
Псевдо: SHAFAR
Звідки Ви: Киев
Карапь: "Прогресс"
Дописи: 385
Сказал(а) спасибо: 198
Поблагодарили 126 раз(а) в 51 сообщениях
Типово Re: Ветерок. Новое зажигание.

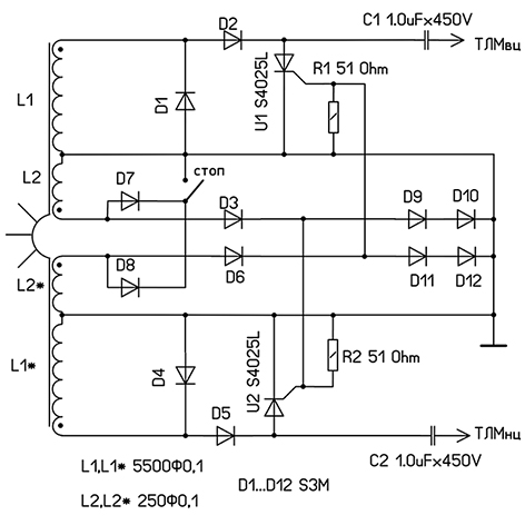
Попалась така схема. Чи працюватиме ? Питання виникло через присутність діодів Д9...д12.
Мініатюри долучень
Щоб збільшити малюнок, клацніть по ньому
Назва:  МБЭП.JPG
Переглядів: 353
Розмір:  79,9 КБ
ID:	159782  
SHAFAR зараз поза форумом   Відповісти з цитуванням