 |
Цитата: |
 |
|
|
|
|
|
|
|
|
|
|
полиуретановое кольцо для защиты сальника
|
|
 |
|
 |
|
Можно и ПУ. с небольшим натягом т.е. трением....
Я думал пользовать с минимальным зазором (0,02мм) пластик ПОМ (полиацеталь) чем то похож на капролон но в отличии от него имеет нулевое водо поглощение и в отличии от него в воде не меняет линейных размеров (не набухает) как капролон.
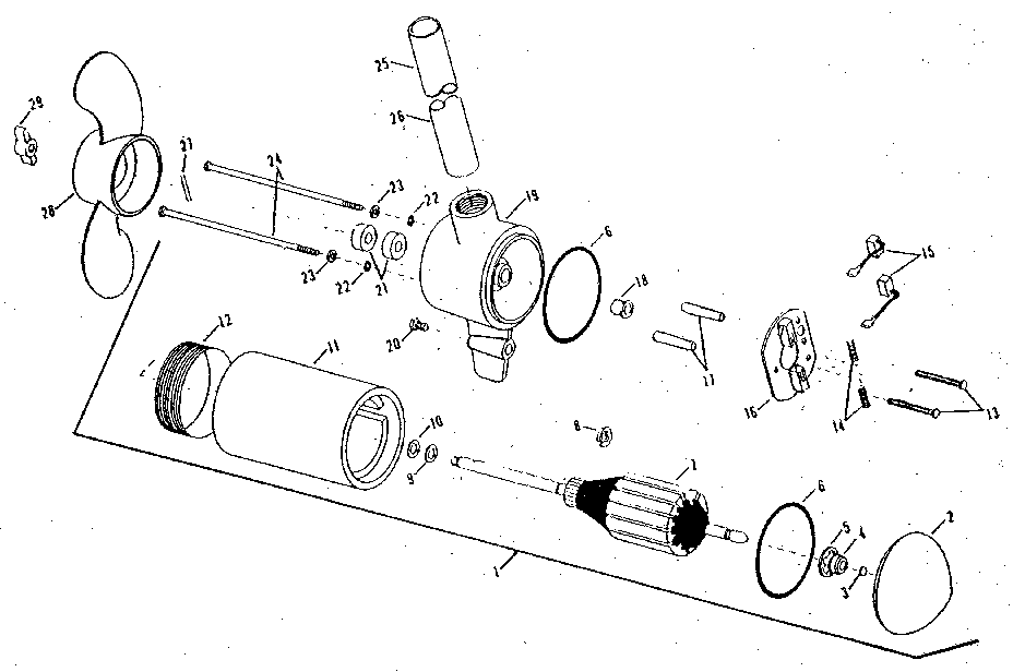
Нагуглил несколько картинок.
Т.к. проект идет можно сказать в онлайне, до этого не обдумывался, чисто так по наитию, то картинки раскрывают вопросы компановки.
К примеру видно что в основном корпуса собираются на шпильках с одной ступенью защиты (уплотнения) тупо резиновое колечко под шляпку винта. Как масляная пробка редуктора.
Объем обтекателя даже в коммерческих проектах просто голимый балласт.
Существуют варианты где ротор установлен на подшипники качения, существуют где на бронзовые втулки или вовсе пластиковый корпус он же втулка (подшипник скольжения).
Кабел не герметизирован гермоводом, полость мотора сообщена с ногой, мотор может "дышать"
Ну и др.