Форум водно-моторного Клуба Фрегат

Назад   Форум водно-моторного Клуба Фрегат > Водномоторная тематика > Околодвигательные вопросы > Аксессуары двигателей

Аксессуары двигателей рулевое, топливная, датчики, приборы

Відповідь
 
LinkBack Параметри теми Параметри перегляду
Старий 31.05.2013, 15:47   #1 (permalink)
Активный участник
 
Аватар для Serhios
 
Псевдо: Сергей
Звідки Ви: Киев РОП-6
Карапь: Прог4
Дописи: 1.345
Сказал(а) спасибо: 888
Поблагодарили 963 раз(а) в 214 сообщениях
Типово Куда можна подключить тах.

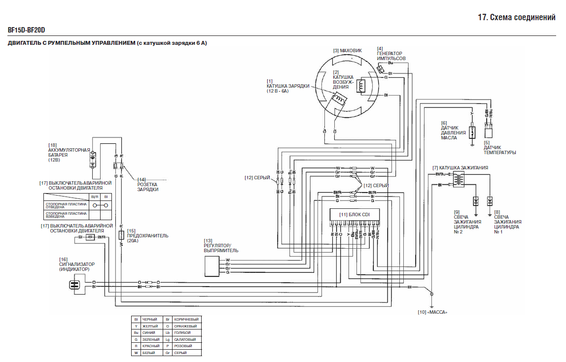
Привет всем! Подскажите плиз куда на этой схеме можна подключить тахометр. провода на тахе sig. bat. grnd
Мініатюри долучень
Щоб збільшити малюнок, клацніть по ньому
Назва:  Безымянный.png
Переглядів: 797
Розмір:  154,7 КБ
ID:	44179  
Serhios зараз поза форумом   Відповісти з цитуванням
Старий 01.06.2013, 00:09   #2 (permalink)
Клубень
 
Аватар для Гена
 
Псевдо: Гена
Звідки Ви: м. Київ,
Карапь: ----------------------
Дописи: 15.285
Сказал(а) спасибо: 4.540
Поблагодарили 4.495 раз(а) в 2.709 сообщениях
Типово Re: Куда можна подключить тах.

Bat подключаете на плюс,по схеме белый, потом становится красным, SIGN на серый из под генератора, GND на зелёный провод или массу его.
__________________
067 598 00 00 Командери, гвинти, прилади контролю та інша комплектація до човнів.

Востаннє редагував Гена: 01.06.2013 о 00:11.
Гена зараз поза форумом   Відповісти з цитуванням
Пользователь сказал cпасибо:
Serhios (01.06.2013)
Старий 01.06.2013, 15:50   #3 (permalink)
Активный участник
 
Аватар для Serhios
 
Псевдо: Сергей
Звідки Ви: Киев РОП-6
Карапь: Прог4
Дописи: 1.345
Сказал(а) спасибо: 888
Поблагодарили 963 раз(а) в 214 сообщениях
Типово Re: Куда можна подключить тах.

Если я правильно понял то сигнал на тах надо цеплять на серый провод из под генератора ,до того как этот провод попадает на выпрямитель.Спасибо буду на выходных пробовать подключится.
Serhios зараз поза форумом   Відповісти з цитуванням
Старий 02.06.2013, 11:47   #4 (permalink)
Клубень
 
Аватар для Гена
 
Псевдо: Гена
Звідки Ви: м. Київ,
Карапь: ----------------------
Дописи: 15.285
Сказал(а) спасибо: 4.540
Поблагодарили 4.495 раз(а) в 2.709 сообщениях
Типово Re: Куда можна подключить тах.

именно так.
__________________
067 598 00 00 Командери, гвинти, прилади контролю та інша комплектація до човнів.
Гена зараз поза форумом   Відповісти з цитуванням
ВідповідьПереход на главную страницу


Тут присутні: 1 (учасників - 0 , гостей - 1)
 

Ваші права у розділі
Ви не можете створювати теми
Ви не можете писати дописи
Ви не можете долучати файли
Ви не можете редагувати дописи

BB-код є Увімк.
Усмішки Увімк.
[IMG] код Увімк.
HTML код Вимк.
Trackbacks are Увімк.
Pingbacks are Увімк.
Refbacks are Увімк.


Схожі теми
Тема Автор Розділ Відповідей Останній допис
Как подключить прибор трима к мотору YAMAHA F80 BETL Maxim78 Подвесные импортные брендовые 2 09.06.2013 08:09
Как подключить тахометр к Сузуки 50 инжектор андрей пав Электрика 5 03.08.2012 22:13
Помогите подключить электрику Yamaha 40XWS Jaguarkr Подвесные импортные брендовые 13 15.06.2012 01:25
Есть в наличии спидометр и тахометр. Как подключить? Grachv Аксессуары двигателей 6 13.04.2011 15:27


Часовий пояс GMT +3. Поточний час: 03:53.


vBulletin 3.8.7 ; Copyright © 2000-2026 Jelsoft Enterprises Limited
Переклад: © Віталій Стопчанський, 2004-2010

Search Engine Optimization by vBSEO 3.6.0