Форум водно-моторного Клуба Фрегат

Назад   Форум водно-моторного Клуба Фрегат > Водномоторная тематика > Плавсредства > Катера, лодки

Відповідь
 
LinkBack Параметри теми Параметри перегляду
Старий 05.05.2014, 11:31   #1 (permalink)
Участник
 
Псевдо: Антон
Звідки Ви: Смела
Карапь: Катер
Дописи: 65
Сказал(а) спасибо: 9
Поблагодарили 23 раз(а) в 3 сообщениях
Типово Самострой

Всем привет!! есть тут кто сам строил катера?? меня интересует проект и чертежи каютного катера длиной 5-7 метров под стационарный двигатель и материал фанера ФСФ!! требования изьяты из возможностей!
pumbamорячок зараз поза форумом   Відповісти з цитуванням
Старий 05.05.2014, 12:09   #2 (permalink)
Клубень
 
Аватар для dberegovoy
 
Псевдо: Денис
Звідки Ви: Херсон
Карапь: Крым
Дописи: 7.462
Сказал(а) спасибо: 3.226
Поблагодарили 3.786 раз(а) в 1.606 сообщениях
Типово Re: Самострой

Цитата:
Допис від pumbamорячок Переглянути допис
интересует проект

Проекты лодок
__________________
Крым + Mercury 25 EFI
Сбавь скорость и начни жить!!!
dberegovoy зараз поза форумом   Відповісти з цитуванням
Старий 05.05.2014, 14:56   #3 (permalink)
Участник
 
Псевдо: Антон
Звідки Ви: Смела
Карапь: Катер
Дописи: 65
Сказал(а) спасибо: 9
Поблагодарили 23 раз(а) в 3 сообщениях
Типово Re: Самострой

но это не проэкты, только обзор! а счего начать? размеры деталей, и т. д.
pumbamорячок зараз поза форумом   Відповісти з цитуванням
Старий 05.05.2014, 14:59   #4 (permalink)
Клубень
 
Аватар для dberegovoy
 
Псевдо: Денис
Звідки Ви: Херсон
Карапь: Крым
Дописи: 7.462
Сказал(а) спасибо: 3.226
Поблагодарили 3.786 раз(а) в 1.606 сообщениях
Типово Re: Самострой

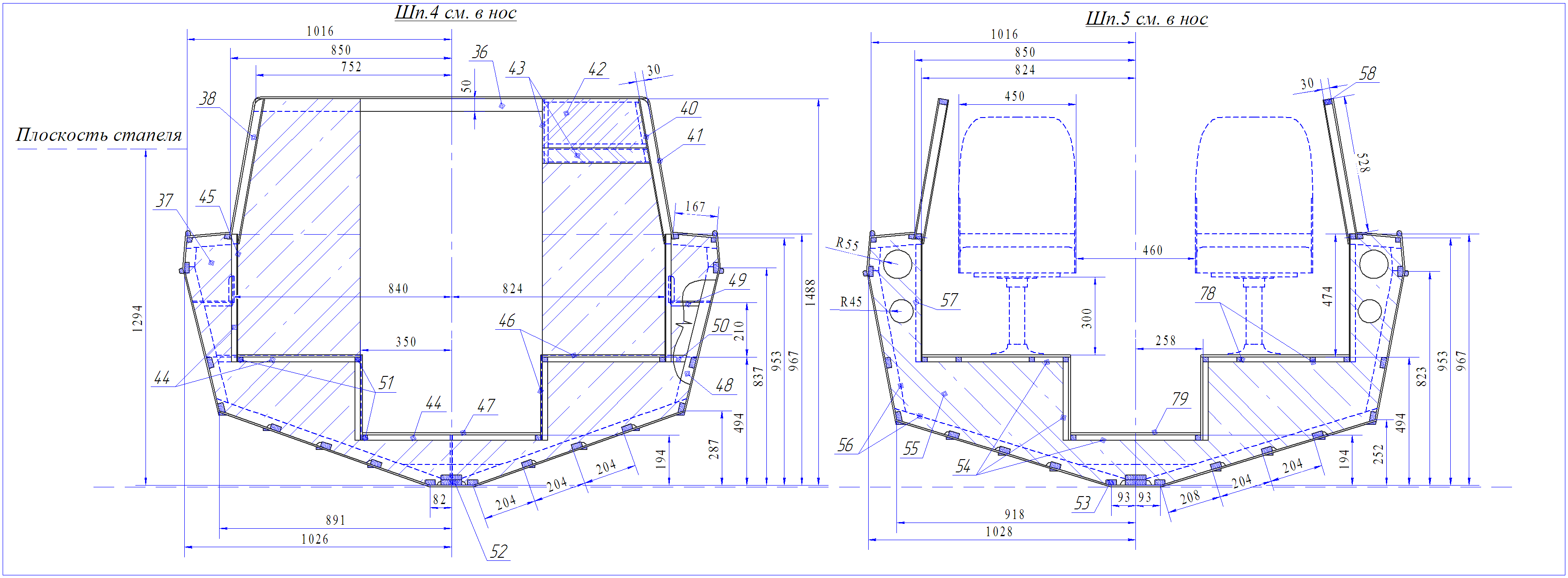
Там есть по некоторым проект с полным раскладом, включая выкройки.
По некоторым есть общие размерности, более подробные как понял придется покупать, либо по имеющимся размером смоделировать на комьютере модель и сделать с нее развертки.
Я к примеру с Сервера 520 в СолидВоркс (в других КАД пока не умею работать), за один вечер попивая чаек посторил часть обшивки и развертки, только лыжу убрал.
Щоб збільшити малюнок, клацніть по ньому
Назва:  с севера 520-2.JPG
Переглядів: 986
Розмір:  99,1 КБ
ID:	62564Щоб збільшити малюнок, клацніть по ньому
Назва:  с севера 520.JPG
Переглядів: 858
Розмір:  86,0 КБ
ID:	62565

Для этого хватает тех эксизов что опубликованы на сайте.
Щоб збільшити малюнок, клацніть по ньому
Назва:  00.gif
Переглядів: 1477
Розмір:  80,7 КБ
ID:	62566Щоб збільшити малюнок, клацніть по ньому
Назва:  01.gif
Переглядів: 907
Розмір:  122,2 КБ
ID:	62567Щоб збільшити малюнок, клацніть по ньому
Назва:  02.gif
Переглядів: 1005
Розмір:  119,8 КБ
ID:	62568Щоб збільшити малюнок, клацніть по ньому
Назва:  03.gif
Переглядів: 799
Розмір:  81,4 КБ
ID:	62569Щоб збільшити малюнок, клацніть по ньому
Назва:  04.gif
Переглядів: 794
Розмір:  92,9 КБ
ID:	62570Щоб збільшити малюнок, клацніть по ньому
Назва:  05.gif
Переглядів: 849
Розмір:  236,4 КБ
ID:	62571Щоб збільшити малюнок, клацніть по ньому
Назва:  10.gif
Переглядів: 922
Розмір:  130,2 КБ
ID:	62572Щоб збільшити малюнок, клацніть по ньому
Назва:  11.gif
Переглядів: 909
Розмір:  56,7 КБ
ID:	62573Щоб збільшити малюнок, клацніть по ньому
Назва:  12.gif
Переглядів: 786
Розмір:  16,9 КБ
ID:	62574
__________________
Крым + Mercury 25 EFI
Сбавь скорость и начни жить!!!

Востаннє редагував dberegovoy: 05.05.2014 о 15:05.
dberegovoy зараз поза форумом   Відповісти з цитуванням
Старий 12.05.2014, 20:44   #5 (permalink)
Участник
 
Псевдо: Антон
Звідки Ви: Смела
Карапь: Катер
Дописи: 65
Сказал(а) спасибо: 9
Поблагодарили 23 раз(а) в 3 сообщениях
Типово Re: Самострой

я уже третий год присматриваюсь, придумываюсь, никак не могу решиться на постройку, в последнее время понимаю что все-таки с постройкой каютного катера нужно подождать! а вот начать с лодки можно) все решил что буду строить лодку с фанеры на 3-4 человека, под мотостационар!

Добавлено через 11 минут
кроме ссылок на платные сайты, может кто помочь с теорией в постройке лодки?
pumbamорячок зараз поза форумом   Відповісти з цитуванням
Старий 13.05.2014, 09:59   #6 (permalink)
Кандидат в "клубни"
 
Псевдо: Игорь
Звідки Ви: Киев
Карапь: Сарепта + Хонда 50
Дописи: 615
Сказал(а) спасибо: 305
Поблагодарили 233 раз(а) в 205 сообщениях
Типово Re: Самострой

Антон! Я когда учился в Черкассах, тоже загорелся идеей построить каютный катер. Но места для постройки не было. Но для проверки сил построил лодочку по проекту Динги и еще 3-х метровую лодочку из М-К под парус. Правда давно это было, интернет только зарождался. Всю информацию брал из Курбатова и справочников.Также перечитал почти все журналы Катера и Яхты. Если надо сохранилась почти все журналы КиЯ и литература Курбатов, Баядер.
Доцент Киев зараз поза форумом   Відповісти з цитуванням
Старий 13.05.2014, 14:53   #7 (permalink)
Участник
 
Псевдо: Антон
Звідки Ви: Смела
Карапь: Катер
Дописи: 65
Сказал(а) спасибо: 9
Поблагодарили 23 раз(а) в 3 сообщениях
Типово Re: Самострой

мне нужен проэкт лодки!!
pumbamорячок зараз поза форумом   Відповісти з цитуванням
Старий 13.05.2014, 16:04   #8 (permalink)
Кандидат в "клубни"
 
Псевдо: Игорь
Звідки Ви: Киев
Карапь: Сарепта + Хонда 50
Дописи: 615
Сказал(а) спасибо: 305
Поблагодарили 233 раз(а) в 205 сообщениях
Типово Re: Самострой

Скажите, что конкретно Вы хотите? Должно быть хотя бы тех.задание, чтобы что- то порекомендовать. Как я понял фанера+ стеклоткань, 3 - 4 человека и стационар. А дальше ...... Регион плавания, трейлерный вариант, сборка на стапеле или СиС и т.д.
Кстати, будете клеить фанерку - есть бочечка 50 л. эбокситки ЭД-20 незадорого.
Себе взял, но мне- много. Могу поделиться.
Доцент Киев зараз поза форумом   Відповісти з цитуванням
Старий 13.05.2014, 16:09   #9 (permalink)
Клубень
 
Аватар для dberegovoy
 
Псевдо: Денис
Звідки Ви: Херсон
Карапь: Крым
Дописи: 7.462
Сказал(а) спасибо: 3.226
Поблагодарили 3.786 раз(а) в 1.606 сообщениях
Типово Re: Самострой

Цитата:
Допис від Доцент Киев Переглянути допис
Скажите, что конкретно Вы хотите?

Цитата:
Допис від pumbamорячок Переглянути допис
мне нужен проэкт лодки!!

И быстро Я СКАЗАЛ!!!!!!!!!
__________________
Крым + Mercury 25 EFI
Сбавь скорость и начни жить!!!

Востаннє редагував dberegovoy: 13.05.2014 о 16:11.
dberegovoy зараз поза форумом   Відповісти з цитуванням
Старий 13.05.2014, 16:18   #10 (permalink)
Кандидат в "клубни"
 
Псевдо: Игорь
Звідки Ви: Киев
Карапь: Сарепта + Хонда 50
Дописи: 615
Сказал(а) спасибо: 305
Поблагодарили 233 раз(а) в 205 сообщениях
Типово Re: Самострой

www.svoimi-rukami.com.ua Вот можете посмотреть.
Доцент Киев зараз поза форумом   Відповісти з цитуванням
Старий 13.05.2014, 16:23   #11 (permalink)
Активный участник
 
Аватар для Сергей Вишня
 
Псевдо: --
Звідки Ви: Кременчуг
Карапь: самодельная лодка
Дописи: 716
Сказал(а) спасибо: 142
Поблагодарили 825 раз(а) в 314 сообщениях
Типово Re: Самострой

Цитата:
Допис від pumbamорячок Переглянути допис
мне нужен проэкт лодки!!

Прежде чем потратить первую гривну советую уточнить, как самострой регистрировать. Этим занимаются две организации Укрморречинспекция и Регистр судоходства. Первая требует одобренный Регистром проект и чеки на все, а второй - собственно одобрить проект по его Правилам постройки малых судов. Одно без другого никак. Подходящий по хотелкам готовый проект не найти, чтоб под Регистр, а не под Регистр найденный, не факт, что Регистр его одобрит, скорее не одобрит вовсе. Заказать индивидуальный проект - дороже лодки выйдет гораздо. Построить и, не регистрируя, плавать в куширях. Не серьезно. Выход один - про самострой забыть.
Регістр судноплавства України
Порядок реєстрації плавзасобів
Сергей Вишня зараз поза форумом   Відповісти з цитуванням
ВідповідьПереход на главную страницу


Тут присутні: 1 (учасників - 0 , гостей - 1)
 

Ваші права у розділі
Ви не можете створювати теми
Ви не можете писати дописи
Ви не можете долучати файли
Ви не можете редагувати дописи

BB-код є Увімк.
Усмішки Увімк.
[IMG] код Увімк.
HTML код Вимк.
Trackbacks are Увімк.
Pingbacks are Увімк.
Refbacks are Увімк.


Схожі теми
Тема Автор Розділ Відповідей Останній допис
Самострой. Или как я Казанку 5м перестраиваю Олег 71 Казанка (2-5) 591 29.05.2016 17:34
моя лодка из стеклопластика(самострой) Felis chaus Пластик 17 13.01.2013 10:56
Как зарегистрировать катер самострой? Бейлайнер Регистрация, техосмотр, права и т.д. 1 04.09.2012 06:25
Двигатель на самострой!!! pumbamорячок Самострой 34 05.03.2012 21:07
Оцените самострой ivva boat Самострой 28 05.06.2011 23:17


Часовий пояс GMT +3. Поточний час: 07:06.


vBulletin 3.8.7 ; Copyright © 2000-2026 Jelsoft Enterprises Limited
Переклад: © Віталій Стопчанський, 2004-2010

Search Engine Optimization by vBSEO 3.6.0