Форум водно-моторного Клуба Фрегат

Назад   Форум водно-моторного Клуба Фрегат > Водномоторная тематика > Стационарные двигатели > Стационарные импортные

Відповідь
 
LinkBack Параметри теми Параметри перегляду
Старий 05.07.2017, 03:29   #1 (permalink)
Активный участник
 
Псевдо: Александр
Звідки Ви: РОП-1
Карапь: Moskva-2L yamaha 70betol
Дописи: 326
Сказал(а) спасибо: 36
Поблагодарили 151 раз(а) в 78 сообщениях
Типово Нужен электрик, проблема с Yamaha 3.0 стационар

Отзовитесь кто готов помочь!
Мотор Yamaha 130(или 135) лошадей
Стационар, очень похож на Мерк 3.0, почти копия.
История такая:
Сперва заметили что нет зарядки на АКБ, друг возил лодку куда то "спецам" в Вышгород. После них сбросили на воду и начались проблемы, хотя зарядка на АКБ появилась. Сначала заметили то, что при включении передачи вперед мотор глох, а назад нет, оказалось что "регулировали троса", хоть никто и не просил. Ну а трос газа зафиксирован не был вообще. Эти вопросы решили на месте с помощью какой то матери и наборчика инструментов.
Затем включив таки передачу пошли на воду дать просраться, но и тут оказалось не то.
Во первых разогнать удалось только до 45 км/ч, а до этого получалось 55 и с грузом поболее раза в два.
Во вторых приборы на панели нервно дергаются и приборка тухнет регулярно и вольтметр в этот момент падает до 8.
Кроме того иногда есть хлопки в карб.

По моим ощущениям, какая то очень неприятная, но все же мелочь отбирает питание у двигателя (у зажигания), так как приборы по всей видимости запитаны из того же места как и мотор. Связь с потуханием приборов и перебоями очень наблюдается.

Ехать к таким "спецам" больше не хочется!
Но вопрос решать надо.
Лодка находится на осокорках, но приедет если что на лафете.
1BMWMB1 зараз поза форумом   Відповісти з цитуванням
Старий 05.07.2017, 10:04   #2 (permalink)
Активный участник
 
Аватар для Mazdovuy
 
Псевдо: Максим
Звідки Ви: Черкассы
Карапь: Казанка МД + Тоха 9.8... Обь 3 + Мэрк 60 EFI
Дописи: 822
Сказал(а) спасибо: 206
Поблагодарили 587 раз(а) в 175 сообщениях
Типово Re: Нужен электрик, проблема с Yamaha 3.0 стационар

Нужно смотреть по месту! Так как причин может быть много, начиная от банального окисления контактов и до...
Mazdovuy зараз поза форумом   Відповісти з цитуванням
Старий 05.07.2017, 10:11   #3 (permalink)
Активный участник
 
Псевдо: Александр
Звідки Ви: РОП-1
Карапь: Moskva-2L yamaha 70betol
Дописи: 326
Сказал(а) спасибо: 36
Поблагодарили 151 раз(а) в 78 сообщениях
Типово Re: Нужен электрик, проблема с Yamaha 3.0 стационар

Смотреть естественно по месту, но надо знать куда смотреть.
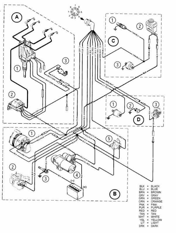
Я нашел в интернете схему мерка 3.0, на вид один в один.
Мініатюри долучень
Щоб збільшити малюнок, клацніть по ньому
Назва:  d67134fa5072.jpg
Переглядів: 540
Розмір:  45,6 КБ
ID:	136738   Щоб збільшити малюнок, клацніть по ньому
Назва:  3bc6d45a6d24.jpg
Переглядів: 526
Розмір:  97,2 КБ
ID:	136739  
1BMWMB1 зараз поза форумом   Відповісти з цитуванням
Старий 05.07.2017, 12:00   #4 (permalink)
MAX
Клубень
 
Аватар для MAX
 
Псевдо: Максим
Звідки Ви: Киев РОП-6
Карапь: Прогресс-2м
Дописи: 9.053
Сказал(а) спасибо: 8.079
Поблагодарили 2.149 раз(а) в 711 сообщениях
Типово Re: Нужен электрик, проблема с Yamaha 3.0 стационар

Раз не было зарядки, что-то делали с Генератором. Приборы дергаются, очень похже на пробадающий +, - , посмотри все котакты на гене аж до АКБ.
MAX зараз поза форумом   Відповісти з цитуванням
Пользователь сказал cпасибо:
1BMWMB1 (05.07.2017)
Старий 05.07.2017, 12:07   #5 (permalink)
Кандидат в "клубни"
 
Аватар для Паяльник
 
Псевдо: Геннадий
Звідки Ви: Киев РОП-6
Карапь: ПРОГРЕСС 4М UT4UMV
Дописи: 1.810
Сказал(а) спасибо: 981
Поблагодарили 876 раз(а) в 346 сообщениях
Типово Re: Нужен электрик, проблема с Yamaha 3.0 стационар

еще приборы могут дергаться из-за не исправного реле регулятора
чем меньше обороты тем меньше напряжение
надо смотреть ( вскрытие покажет )
Паяльник зараз поза форумом   Відповісти з цитуванням
Пользователь сказал cпасибо:
1BMWMB1 (05.07.2017)
Старий 05.07.2017, 13:11   #6 (permalink)
Активный участник
 
Псевдо: Александр
Звідки Ви: РОП-1
Карапь: Moskva-2L yamaha 70betol
Дописи: 326
Сказал(а) спасибо: 36
Поблагодарили 151 раз(а) в 78 сообщениях
Типово Re: Нужен электрик, проблема с Yamaha 3.0 стационар

Цитата:
Допис від Паяльник Переглянути допис
еще приборы могут дергаться из-за не исправного реле регулятора
чем меньше обороты тем меньше напряжение
надо смотреть ( вскрытие покажет )

В том и дело, что тухнет как раз после 2500об/мин примерно, то есть на высоких оборотах
1BMWMB1 зараз поза форумом   Відповісти з цитуванням
Старий 05.07.2017, 13:22   #7 (permalink)
Активный участник
 
Псевдо: Владимир
Звідки Ви: Запорожье
Карапь: Крым + Выхорь 40+20
Дописи: 1.682
Сказал(а) спасибо: 277
Поблагодарили 1.298 раз(а) в 483 сообщениях
Типово Re: Нужен электрик, проблема с Yamaha 3.0 стационар

Была подобная хрень, всё оказалось банально просто , небыло массы на двигателе (окислилась)
Владимир гризли зараз поза форумом   Відповісти з цитуванням
2 пользователя(ей) сказали cпасибо:
1BMWMB1 (05.07.2017), MAX (06.07.2017)
Старий 05.07.2017, 14:29   #8 (permalink)
Активный участник
 
Псевдо: Александр
Звідки Ви: РОП-1
Карапь: Moskva-2L yamaha 70betol
Дописи: 326
Сказал(а) спасибо: 36
Поблагодарили 151 раз(а) в 78 сообщениях
Типово Re: Нужен электрик, проблема с Yamaha 3.0 стационар

Масса на двигателе в норме...
1BMWMB1 зараз поза форумом   Відповісти з цитуванням
Старий 05.07.2017, 23:43   #9 (permalink)
Клубень
 
Аватар для popovitch
 
Псевдо: Андрій
Звідки Ви: Київ.
Карапь: селедка Л-12
Дописи: 9.038
Сказал(а) спасибо: 4.725
Поблагодарили 6.368 раз(а) в 1.767 сообщениях
Типово Re: Нужен электрик, проблема с Yamaha 3.0 стационар

Регулируйте отсечку при включении передач, очень похоже она мудует. Это то что вы уже смотрели.
Снимите пламегаситель на карбюраторе, откройте руками воздушную заслонку (верхнюю) затем на заглушенном моторе дайте полный газ, смотрите на дроссель, он должен встать ровно вертикально.
__________________
__________________________
popovitch зараз поза форумом   Відповісти з цитуванням
Пользователь сказал cпасибо:
1BMWMB1 (06.07.2017)
Старий 06.07.2017, 10:45   #10 (permalink)
Активный участник
 
Псевдо: Александр
Звідки Ви: РОП-1
Карапь: Moskva-2L yamaha 70betol
Дописи: 326
Сказал(а) спасибо: 36
Поблагодарили 151 раз(а) в 78 сообщениях
Типово Re: Нужен электрик, проблема с Yamaha 3.0 стационар

Отсечку включения передач отключал на ходу, но от этого ничего не меняется. Дроссель тоже ходит в полный диапазон.
Найду чуть времени и сам пройдусь по схеме и заодно проверю надежность всех электрических соединений
1BMWMB1 зараз поза форумом   Відповісти з цитуванням
Старий 15.07.2017, 17:01   #11 (permalink)
Активный участник
 
Псевдо: Александр
Звідки Ви: РОП-1
Карапь: Moskva-2L yamaha 70betol
Дописи: 326
Сказал(а) спасибо: 36
Поблагодарили 151 раз(а) в 78 сообщениях
Типово Re: Нужен электрик, проблема с Yamaha 3.0 стационар

Полазил в лодке, осмотрел проводку и нашел что разболтан разьем после замка зажигания. После того как разьем поправил, мотор не дергается.
1BMWMB1 зараз поза форумом   Відповісти з цитуванням
3 пользователя(ей) сказали cпасибо:
sergey71 (16.07.2017), Sergii79 (15.07.2017), КТМОВ-- (15.07.2017)
Старий 15.07.2017, 18:16   #12 (permalink)
Активный участник
 
Аватар для Zefir323
 
Псевдо: Алексей
Звідки Ви: Киев - Вышгород
Карапь: Прогресс 2 +вихрь 30
Дописи: 342
Сказал(а) спасибо: 105
Поблагодарили 158 раз(а) в 68 сообщениях
Типово Re: Нужен электрик, проблема с Yamaha 3.0 стационар

В Вышгороде на ямахе работают делитанты !!! Я сам Вышгородец , так вот у нас в городе по лодкам людей шаряших /знающих- на пальцах одной руки можно посчитать!!!!
На ямаху 4 мотора возил на ТО в итоге - не один после этих спецов не работал нормально , а один так вообще колпаки перепутали, отдавали с подраным , поднял кипиш - ой мы перепутали ,25 с 30 , ах что вы говорите , ничего так подход , (колпак родной вернули спустя 2 дня )

Востаннє редагував Zefir323: 15.07.2017 о 18:27.
Zefir323 зараз поза форумом   Відповісти з цитуванням
Пользователь сказал cпасибо:
1BMWMB1 (15.07.2017)
ВідповідьПереход на главную страницу


Тут присутні: 1 (учасників - 0 , гостей - 1)
 

Ваші права у розділі
Ви не можете створювати теми
Ви не можете писати дописи
Ви не можете долучати файли
Ви не можете редагувати дописи

BB-код є Увімк.
Усмішки Увімк.
[IMG] код Увімк.
HTML код Вимк.
Trackbacks are Увімк.
Pingbacks are Увімк.
Refbacks are Увімк.


Схожі теми
Тема Автор Розділ Відповідей Останній допис
Проблема с Yamaha 30 нужен совет Баркас Подвесные импортные брендовые 25 20.06.2014 09:36
Нужен электрик. MALIBU Строительство, ремонт 8 08.06.2013 01:23
Нужен электрик!!! Пух Куплю, где купить 0 29.05.2013 11:34


Часовий пояс GMT +3. Поточний час: 15:01.


vBulletin 3.8.7 ; Copyright © 2000-2026 Jelsoft Enterprises Limited
Переклад: © Віталій Стопчанський, 2004-2010

Search Engine Optimization by vBSEO 3.6.0