Форум водно-моторного Клуба Фрегат

Назад   Форум водно-моторного Клуба Фрегат > Водномоторная тематика > Подвесные двигатели > Подвесные отечественные (СССР, СНГ)

Відповідь
 
LinkBack Параметри теми Параметри перегляду
Старий 15.03.2012, 17:50   #81 (permalink)
Активный участник
 
Аватар для vladymyr
 
Псевдо: Владимир
Звідки Ви: Киев
Карапь: самострой, минкота 30, ветерок 8
Дописи: 168
Сказал(а) спасибо: 60
Поблагодарили 67 раз(а) в 29 сообщениях
Типово Re: Ветерок. Новое зажигание.

Вот на этой фотке видно. На дюралевой пластине (шасси), с загнутым краем, собран коммутатор. На загнутом крае крепятся катушки, и есть две дырки под резьбу свечи, такой себе свечкодержатель для проверки искры, продувки цилиндров (запасные можно хранить). На основной плоскости привинчена плата. Это шасси крепится двемя винтами вставки продувки к двигателю (т.е. масса).
Мініатюри долучень
Щоб збільшити малюнок, клацніть по ньому
Назва:  21-08-11_1451.jpg
Переглядів: 3291
Розмір:  413,6 КБ
ID:	20916  
vladymyr зараз поза форумом   Відповісти з цитуванням
Старий 15.03.2012, 18:02   #82 (permalink)
Активный участник
 
Аватар для vladymyr
 
Псевдо: Владимир
Звідки Ви: Киев
Карапь: самострой, минкота 30, ветерок 8
Дописи: 168
Сказал(а) спасибо: 60
Поблагодарили 67 раз(а) в 29 сообщениях
Типово Re: Ветерок. Новое зажигание.

По поводу подмаховичных катушек. Мотал на родных каркасах, по часовой, если смотреть в торец магнитопровода. Обе обмотки в одном направлении. Когда поставил на мотор и начал проверять стробоскопом по заранее нанесенным меткам (сын неспешно тягал стартером) ни фига не увидел (блымает где попало, но не на метках и както по две искры лупит). Поменял местами началы и концы всех обмоток - все стало окей. Т.е. направление важно тогда, когда все коммутируется под маховиком и сразу что-то паяется к массе. У меня из-под маховика выходит 8 проводов, коммутируй как хочешь (делал так спецом для экспериментов). Даже если обмотки на одной катушке намотать в разные стороны, их просто будет нужно правильно подключить (т.е. будет больше гемора с поиском).
vladymyr зараз поза форумом   Відповісти з цитуванням
Пользователь сказал cпасибо:
D.J.Owl (16.03.2012)
Старий 15.03.2012, 19:37   #83 (permalink)
Активный участник
 
Аватар для brodigy
 
Псевдо: Дмитрий
Звідки Ви: Харьков
Карапь: Adventure
Дописи: 209
Сказал(а) спасибо: 8
Поблагодарили 68 раз(а) в 40 сообщениях
Типово Re: Ветерок. Новое зажигание.

Цитата:
Допис від D.J.Owl Переглянути допис
В многих описаниях по намотке указывается направление намотки: если смотреть на "щечку" с контактами - по часовой стрелке. Вот только гложит меня одна мысль: то-ли приснилось, то-ли где-то прочел, что верхнюю обмотку, управляющую (250 витков), та что наматывается поверх основной, нужно мотать во встречном направлении. Или обе мотаются в одном, указанном - по часовой стрелке, направлении???

Мотать в принципе без разницы в какую сторону, главное это помнить и понимать, направление меняется путем перекидки проводов начала и конца. Управляющую можно и в том же направлени мотать - 4 провода будет а можно и в обратном - три провода будет. На картинке (взята с мотолодки.ру) усе подробно нарисовано.
Мініатюри долучень
Щоб збільшити малюнок, клацніть по ньому
Назва:  353620_32773.gif
Переглядів: 1759
Розмір:  65,8 КБ
ID:	20917  

Востаннє редагував brodigy: 15.03.2012 о 20:07.
brodigy зараз поза форумом   Відповісти з цитуванням
Пользователь сказал cпасибо:
D.J.Owl (16.03.2012)
Старий 16.03.2012, 10:22   #84 (permalink)
Активный участник
 
Аватар для D.J.Owl
 
Псевдо: Сергей
Звідки Ви: Кременчуг
Карапь: Captain "Combat" 410 под "Мерк-20" и "Ямаха-2""
Дописи: 185
Сказал(а) спасибо: 60
Поблагодарили 142 раз(а) в 36 сообщениях
Типово Re: Ветерок. Новое зажигание.

Цитата:
Допис від brodigy Переглянути допис
...На картинке (взята с мотолодки.ру) усе подробно нарисовано...

О - знакомая картинка. Я её видел, а потом потерял из виду. Там-же ещё и преведена была родная ветерковская схема зажигания с дорисованным от руки дополнительными диодами - по одному в канал. Вот её и собираюсь делать.
Дмитрий! А нет-ли у Вас часом к этой схеме дополнения по стоповой кнопке??? Если попадёт на глаза - выложите пожалуйста тут. Или ссылку на тему упомянутого форума. Мотолодковский форум как-то мне уж очень неудобен - не могу привыкнуть и приловчиться к его структуре. А найти там что-то без ссылки на конкретную тему - для меня вообще "тёмный лес".
D.J.Owl зараз поза форумом   Відповісти з цитуванням
Старий 16.03.2012, 10:38   #85 (permalink)
Активный участник
 
Аватар для vladymyr
 
Псевдо: Владимир
Звідки Ви: Киев
Карапь: самострой, минкота 30, ветерок 8
Дописи: 168
Сказал(а) спасибо: 60
Поблагодарили 67 раз(а) в 29 сообщениях
Типово Re: Ветерок. Новое зажигание.

Тоже видел эту табличку. Но сопротивление накопительной у меня получилось ~800 Ом, проводом 0,1, при 5200 витков. Управляющая как в таблице.
А ошибся с направлением (тем, что в таблице), т.к. толком не въехал толи катушку вертеть ручкой по часовой, толи провод укладывать, поэтому мотал, как мне было удобно вертеть катушку и укладку провода контролировать. Через каждые 600 витков - изоляция из фторопластовой (сантехнической) ленты.
vladymyr зараз поза форумом   Відповісти з цитуванням
Старий 16.03.2012, 10:54   #86 (permalink)
Активный участник
 
Аватар для vladymyr
 
Псевдо: Владимир
Звідки Ви: Киев
Карапь: самострой, минкота 30, ветерок 8
Дописи: 168
Сказал(а) спасибо: 60
Поблагодарили 67 раз(а) в 29 сообщениях
Типово Re: Ветерок. Новое зажигание.

Я, вот так спаял. "Стоп" поставил на накопительную фиксированным двухканальным темблером.
Мініатюри долучень
Щоб збільшити малюнок, клацніть по ньому
Назва:  моя схема на ветерок.jpg
Переглядів: 2183
Розмір:  106,7 КБ
ID:	20949  
vladymyr зараз поза форумом   Відповісти з цитуванням
Старий 16.03.2012, 11:12   #87 (permalink)
Активный участник
 
Аватар для brodigy
 
Псевдо: Дмитрий
Звідки Ви: Харьков
Карапь: Adventure
Дописи: 209
Сказал(а) спасибо: 8
Поблагодарили 68 раз(а) в 40 сообщениях
Типово Re: Ветерок. Новое зажигание.

Все доброго дня. По кнопке "стоп" распространена такая схема:

Тоже самое, что у Владимира в предыдущем сообщении. Вариаций может быть несколько но суть остается, аноды накопительных - на массу.

Добавлено через 2 минуты
Цитата:
Допис від D.J.Owl Переглянути допис
родная ветерковская схема зажигания с дорисованным от руки дополнительными диодами - по одному в канал...

Че-то я не пойму зачем эти доп. диоды, какую роль выполняют... Есть инфа?
brodigy зараз поза форумом   Відповісти з цитуванням
Старий 16.03.2012, 11:20   #88 (permalink)
Активный участник
 
Аватар для vladymyr
 
Псевдо: Владимир
Звідки Ви: Киев
Карапь: самострой, минкота 30, ветерок 8
Дописи: 168
Сказал(а) спасибо: 60
Поблагодарили 67 раз(а) в 29 сообщениях
Типово Re: Ветерок. Новое зажигание.

На лето хочу спаять еще раз эту схемку, но поставить на накопительные диодные мосты (отвязав их от массы) и увеличить емкость кондеров до 1,5 мкФ. И если найду красивый текстолит, сделаю из него клапана. Типа борюсь за устойчивые низа и середину (я про обороты).
vladymyr зараз поза форумом   Відповісти з цитуванням
Старий 16.03.2012, 11:21   #89 (permalink)
Активный участник
 
Аватар для brodigy
 
Псевдо: Дмитрий
Звідки Ви: Харьков
Карапь: Adventure
Дописи: 209
Сказал(а) спасибо: 8
Поблагодарили 68 раз(а) в 40 сообщениях
Типово Re: Ветерок. Новое зажигание.

Ага, вот подробная инструкция по намотке катух и переделки магнето: - Ветерок,электронное зажигание из МЛ-10 -- Форум водномоторников.
brodigy зараз поза форумом   Відповісти з цитуванням
Старий 16.03.2012, 11:22   #90 (permalink)
Активный участник
 
Аватар для vladymyr
 
Псевдо: Владимир
Звідки Ви: Киев
Карапь: самострой, минкота 30, ветерок 8
Дописи: 168
Сказал(а) спасибо: 60
Поблагодарили 67 раз(а) в 29 сообщениях
Типово Re: Ветерок. Новое зажигание.

..............Че-то я не пойму зачем эти доп. диоды, какую роль выполняют... Есть инфа? .....................

Про какие диоды речь?
vladymyr зараз поза форумом   Відповісти з цитуванням
Старий 16.03.2012, 11:35   #91 (permalink)
Активный участник
 
Аватар для brodigy
 
Псевдо: Дмитрий
Звідки Ви: Харьков
Карапь: Adventure
Дописи: 209
Сказал(а) спасибо: 8
Поблагодарили 68 раз(а) в 40 сообщениях
Типово Re: Ветерок. Новое зажигание.

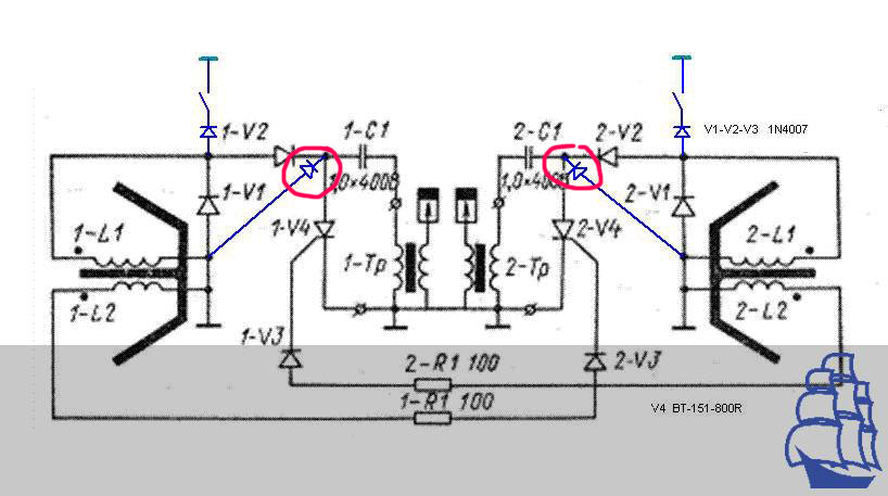
Про эти (выделил красным)
Мініатюри долучень
Щоб збільшити малюнок, клацніть по ньому
Назва:  моя схема на ветерок.jpg
Переглядів: 5015
Розмір:  73,5 КБ
ID:	20952  
brodigy зараз поза форумом   Відповісти з цитуванням
Старий 16.03.2012, 11:51   #92 (permalink)
Активный участник
 
Аватар для vladymyr
 
Псевдо: Владимир
Звідки Ви: Киев
Карапь: самострой, минкота 30, ветерок 8
Дописи: 168
Сказал(а) спасибо: 60
Поблагодарили 67 раз(а) в 29 сообщениях
Типово Re: Ветерок. Новое зажигание.

Прошлой зимой, несколько изучая вопрос переделки зажигания, просматривал много схемных решений. Некоторыми (уважаемыми мною) людьми желательная установка (без них тоже все работает) данных диодов объяснялась, как подстраховка (поддержка) тиристоров (они включены им паралельно) при колебательных процессах после искры. В других схемных решениях CDI зажиганий они присутствуют. Поэтому ставил по аналогии, так сказать.

Добавлено через 3 минуты
Диоды в кнопке "Стоп", как я делал, можно смело выкинуть (они там не нужны), но я тоже оставил.
vladymyr зараз поза форумом   Відповісти з цитуванням
Старий 16.03.2012, 12:02   #93 (permalink)
Активный участник
 
Аватар для brodigy
 
Псевдо: Дмитрий
Звідки Ви: Харьков
Карапь: Adventure
Дописи: 209
Сказал(а) спасибо: 8
Поблагодарили 68 раз(а) в 40 сообщениях
Типово Re: Ветерок. Новое зажигание.

Цитата:
Допис від vladymyr Переглянути допис
П
Диоды в кнопке "Стоп", как я делал, можно смело выкинуть (они там не нужны), но я тоже оставил.

Мне кажется, что как раз они нужны, чтоб заряд с кондеров в обратку на катухи не пускать. ИМХО.
brodigy зараз поза форумом   Відповісти з цитуванням
Старий 16.03.2012, 12:14   #94 (permalink)
Активный участник
 
Аватар для vladymyr
 
Псевдо: Владимир
Звідки Ви: Киев
Карапь: самострой, минкота 30, ветерок 8
Дописи: 168
Сказал(а) спасибо: 60
Поблагодарили 67 раз(а) в 29 сообщениях
Типово Re: Ветерок. Новое зажигание.

Диоды в кнопке "Стоп", я имел в виду те, дорисованные вверху, что коротят зарядный импульс на массу при включении тумблера "СТОП".
vladymyr зараз поза форумом   Відповісти з цитуванням
Старий 16.03.2012, 12:18   #95 (permalink)
Активный участник
 
Аватар для brodigy
 
Псевдо: Дмитрий
Звідки Ви: Харьков
Карапь: Adventure
Дописи: 209
Сказал(а) спасибо: 8
Поблагодарили 68 раз(а) в 40 сообщениях
Типово Re: Ветерок. Новое зажигание.

Да, я понял, я о них и говорю. Без них тож будет работать, но их нужно оставить.
brodigy зараз поза форумом   Відповісти з цитуванням
Старий 16.03.2012, 13:52   #96 (permalink)
Активный участник
 
Псевдо: Igor
Звідки Ви: Kiev
Карапь: herring:)
Дописи: 295
Сказал(а) спасибо: 88
Поблагодарили 89 раз(а) в 48 сообщениях
Типово Re: Ветерок. Новое зажигание.

Цитата:
Допис від D.J.Owl Переглянути допис
мысль о выносной плате.У него есть и ещё одно приемущество - можно будет сам электронный блок менять очень быстро на такой-же резервный

у меня именно такое исполнение, не сам делал, с таким пришло. В моем коммутаторе все провода выходят на одну сторону пучком - и такая зараза оччень чувствительная к прокладке подводимых проводов, чуть пересекутся сигнальный провод на тиристор с проводом на бобину - и пошли перебои зажиганием. подмаховичный коммутатор по крайней мере гарантированно менее чувствителен к такому

Добавлено через 5 минут
Цитата:
Допис від D.J.Owl Переглянути допис
А нет-ли у Вас часом к этой схеме дополнения по стоповой кнопке??? Если попадёт на глаза

у меня стоповая кнопка через диоды (общий катод - к кнопке, аноды-к обмоткам) подключена к обмоткам управления (тем, с которых на управляющий электрод тиристора идет). Кнопка нужна на одну контактную пару, длина провода к кнопке порядка 9М - никаких перебоев не вызывает

Добавлено через 6 минут
Цитата:
Допис від vladymyr Переглянути допис
Я, вот так спаял. "Стоп" поставил на накопительную фиксированным двухканальным темблером.

а зачем при двухконтактном тумблере последовательно с ним диод?? ИМХО необязательное излишество, опять же на работоспособность не влияет.. нет, влияет типа на надежность - появляется лишний элемент в цепи глушения:)

Добавлено через 1 минуту
Цитата:
Допис від brodigy Переглянути допис
Без них тож будет работать, но их нужно оставить.

так а зачем? типа мы бережно шунтируем катушку, только одну полуволну?

Добавлено через 6 минут
Цитата:
Допис від vladymyr Переглянути допис
желательная установка диодов объяснялась, как подстраховка (поддержка) тиристоров (они включены им паралельно) при колебательных процессах после искры. В других схемных решениях CDI зажиганий они присутствуют.

Я вижу в них смысл как защиту тиристора от обратной полуволны при колебательном процессе.. опять же может удлиниться длительность искры за счет того что колебательный процесс не будет прерван - может еще раз прострелит искра на второй полуволне.. но это все так, абстрактные рассуждения как это может быть
manjul зараз поза форумом   Відповісти з цитуванням
Старий 16.03.2012, 15:19   #97 (permalink)
Активный участник
 
Аватар для vladymyr
 
Псевдо: Владимир
Звідки Ви: Киев
Карапь: самострой, минкота 30, ветерок 8
Дописи: 168
Сказал(а) спасибо: 60
Поблагодарили 67 раз(а) в 29 сообщениях
Типово Re: Ветерок. Новое зажигание.

.............................а зачем при двухконтактном тумблере последовательно с ним диод?? ИМХО необязательное излишество, опять же на работоспособность не влияет.. нет, влияет типа на надежность - появляется лишний элемент в цепи глушения:)........................

Установка диодов кнопки "Стоп" сложилась исторически: сначала все делалось, как на схеме, которую выше разместил brodigy. Потом, когда я проверял работу каждого канала стробоскопом на разброс искрообразованиея, стробоскоп (он примитивный, самопальный, так сказать одноразовый) давал ложную вспышку. Как определить виновника - отключить один канал. Так родился двухканальный переключатель (с фиксацией, что б кнопку не держать). Диоды остались. У меня плат (всяких) битых от техники мешок (на работе), в основном горят симисторы, релюхи, электролиты, контроллеры. Ни одного диода битого не встретил, так что пусть стоят на этой плате (я то про них знаю).
Про наводки. У меня тоже жгут проводов выходит с основания, обжат термоусадкой по всей длинне и в гофре, на конце разъем (для всяких экспериментов). Тфу, тьфу, тьфу....... Сбоев пока не наблюдал. Управление тиристором тут примитивное, можно погуляться резюком, если чего (подобрать, в смысле). Да и эта схема (для переделки контактного) изначально была предложена, как выносной коммутатор, под маховик ее умельцы загнали.
vladymyr зараз поза форумом   Відповісти з цитуванням
Старий 16.03.2012, 16:31   #98 (permalink)
Активный участник
 
Аватар для brodigy
 
Псевдо: Дмитрий
Звідки Ви: Харьков
Карапь: Adventure
Дописи: 209
Сказал(а) спасибо: 8
Поблагодарили 68 раз(а) в 40 сообщениях
Типово Re: Ветерок. Новое зажигание.

Цитата:
Допис від manjul Переглянути допис
... В моем коммутаторе все провода выходят на одну сторону пучком - и такая зараза оччень чувствительная к прокладке подводимых проводов, чуть пересекутся сигнальный провод на тиристор с проводом на бобину - и пошли перебои зажиганием.

Тут по сути дело в изоляции, попробуй провода типа ПВ 0,5 кв.мм. - они с усиленной изоляцией в том числе и от влаги, их на шахтном оборудовании используют, распространены на авторынках, либо ПГШВ тоже сечения либо чуть меньше (0,35), у них тож изоляция на уровне + шелк в оплетке для повышения устойчивости к перегибам, эти на радио-рынках искать.
brodigy зараз поза форумом   Відповісти з цитуванням
Старий 16.03.2012, 17:00   #99 (permalink)
Активный участник
 
Аватар для D.J.Owl
 
Псевдо: Сергей
Звідки Ви: Кременчуг
Карапь: Captain "Combat" 410 под "Мерк-20" и "Ямаха-2""
Дописи: 185
Сказал(а) спасибо: 60
Поблагодарили 142 раз(а) в 36 сообщениях
Типово Re: Ветерок. Новое зажигание.

Цитата:
Допис від brodigy Переглянути допис
Тут по сути дело в изоляции...

Тоже так думаю. Можно и уже существующие "усилить" - накинуть на них термоусадку соответсвующего диаметра и прогреть, чтобы утянулась. Очень хорошие изоляционные качества - держит высокие напряжения-токи на предмет пробоя. Бывает самых разных цветов - что одобно при маркировке\обозначении проводов.
Кроме того если подобрать правильно исходный диаметр - посте утягивания и дополнительно от влаги защитит. Вот только чтобы накинуть термоусадку - придётся отпаивать с одной стороны провода. Чтоб не перепутать - можно по одному.
D.J.Owl зараз поза форумом   Відповісти з цитуванням
Старий 16.03.2012, 18:11   #100 (permalink)
Активный участник
 
Аватар для vladymyr
 
Псевдо: Владимир
Звідки Ви: Киев
Карапь: самострой, минкота 30, ветерок 8
Дописи: 168
Сказал(а) спасибо: 60
Поблагодарили 67 раз(а) в 29 сообщениях
Типово Re: Ветерок. Новое зажигание.

Единственная проблема, провод (и жгут) станут очень жесткими. Я тоже с проводом эксперементировал, пока не подобрал во фторопластовой изоляции плюс тряпичная оболочка (в термозонах применяется). И относительно мягкий. Термоусадку тоже подбирал, та, что нашел в магазине при ужимке жестковатая, нашел китайскую (черную, тонкостенную) - бильш-меньш.
vladymyr зараз поза форумом   Відповісти з цитуванням
ВідповідьПереход на главную страницу


Тут присутні: 1 (учасників - 0 , гостей - 1)
 

Ваші права у розділі
Ви не можете створювати теми
Ви не можете писати дописи
Ви не можете долучати файли
Ви не можете редагувати дописи

BB-код є Увімк.
Усмішки Увімк.
[IMG] код Увімк.
HTML код Вимк.
Trackbacks are Увімк.
Pingbacks are Увімк.
Refbacks are Увімк.



Часовий пояс GMT +3. Поточний час: 00:09.


vBulletin 3.8.7 ; Copyright © 2000-2026 Jelsoft Enterprises Limited
Переклад: © Віталій Стопчанський, 2004-2010

Search Engine Optimization by vBSEO 3.6.0