Форум водно-моторного Клуба Фрегат

Назад   Форум водно-моторного Клуба Фрегат > Водномоторная тематика > Подвесные двигатели > Подвесные импортные брендовые

Відповідь
 
LinkBack Параметри теми Параметри перегляду
Старий 13.04.2019, 01:46   #1 (permalink)
Активный участник
 
Псевдо: Олег
Звідки Ви: Днепр
Карапь: Крым
Дописи: 355
Сказал(а) спасибо: 127
Поблагодарили 27 раз(а) в 16 сообщениях
Типово Как понять модель мотора Honda

Доброго времени суток всем.
Купил лодку с мотором, в документах указано, что мотор Honda 15BALJ, тоже самое написано на шильдике с номером, загуглил инструкцию, открываю, а там какая-то непонятная классификация:



в общем, не могу понять, как "притянуть" свои BALJ к тем SHOE и т.д...
Мініатюри долучень
Щоб збільшити малюнок, клацніть по ньому
Назва:  55555.jpg
Переглядів: 2346
Розмір:  232,2 КБ
ID:	156685  
brauncomm зараз поза форумом   Відповісти з цитуванням
Старий 13.04.2019, 02:20   #2 (permalink)
Активный участник
 
Аватар для Сергей1974
 
Псевдо: Сергей
Звідки Ви: Николаев
Карапь: RIB 450 Honda BF40D
Дописи: 284
Сказал(а) спасибо: 171
Поблагодарили 61 раз(а) в 37 сообщениях
Типово Re: Как понять модель мотора Honda

Цитата:
Допис від brauncomm Переглянути допис
не могу понять, как "притянуть" свои BALJ к тем SHOE и т.д...

Никак, Honda 15BALJХХХХХХХ это просто номер в котором буквами указан год выпуска мотора
Сергей1974 зараз поза форумом   Відповісти з цитуванням
Пользователь сказал cпасибо:
brauncomm (13.04.2019)
Старий 13.04.2019, 02:38   #3 (permalink)
Активный участник
 
Псевдо: Олег
Звідки Ви: Днепр
Карапь: Крым
Дописи: 355
Сказал(а) спасибо: 127
Поблагодарили 27 раз(а) в 16 сообщениях
Типово Re: Как понять модель мотора Honda

Цитата:
Допис від Сергей1974 Переглянути допис
Никак, Honda 15BALJХХХХХХХ это просто номер в котором буквами указан год выпуска мотора

где тогда искать модификацию?
brauncomm зараз поза форумом   Відповісти з цитуванням
Старий 13.04.2019, 07:45   #4 (permalink)
Клубень
 
Аватар для Morgh_Olegovsky
 
Псевдо: Oleg
Звідки Ви: Kyiv (РВП-6)
Карапь: Progress-2M, Honda BF40A
Дописи: 5.129
Сказал(а) спасибо: 4.304
Поблагодарили 765 раз(а) в 452 сообщениях
Типово Re: Как понять модель мотора Honda

Цитата:
Допис від brauncomm Переглянути допис
где тогда искать модификацию?

Олеже, все не так складно: кожній характеристиці в таблиці відповідає своя літера. Загальний код модифікації може складатися максимально із чотирьох літер.
Наприклад: перша літера у коді модифікації означає довжину дейдвуда і може бути згідно таблиці S, H, X. Від того, якої довжини дейдвуд Вашого двигуна і буде залежати перша літера у коді модифікації.
І так далі, проходите по всім характеристикам в таблиці і маєте всі чотири літери, що визначать загальний код Вашої модифікації.
__________________
Немає того, що ми не можемо, є те, що недуже хочемо
Morgh_Olegovsky зараз поза форумом   Відповісти з цитуванням
Пользователь сказал cпасибо:
Святовит (14.04.2019)
Старий 13.04.2019, 22:25   #5 (permalink)
Активный участник
 
Псевдо: Олег
Звідки Ви: Днепр
Карапь: Крым
Дописи: 355
Сказал(а) спасибо: 127
Поблагодарили 27 раз(а) в 16 сообщениях
Типово Re: Как понять модель мотора Honda

Цитата:
Допис від Morgh_Olegovsky Переглянути допис
Олеже, все не так складно: кожній характеристиці в таблиці відповідає своя літера. Загальний код модифікації може складатися максимально із чотирьох літер.
Наприклад: перша літера у коді модифікації означає довжину дейдвуда і може бути згідно таблиці S, H, X. Від того, якої довжини дейдвуд Вашого двигуна і буде залежати перша літера у коді модифікації.
І так далі, проходите по всім характеристикам в таблиці і маєте всі чотири літери, що визначать загальний код Вашої модифікації.


Да это я понял, но хочу наоборот, по буквам понять модификацию (и соответственно, какая длина дейдвуда и т.д.) :) Проблема в том, что не нашёл этих букв в принципе на моторе
brauncomm зараз поза форумом   Відповісти з цитуванням
Старий 13.04.2019, 23:09   #6 (permalink)
Активный участник
 
Аватар для РЫБОЕД- ЭКСПЕРТ
 
Псевдо: Дмитрий
Звідки Ви: Одесса мама
Карапь: Ю2 Long+ Yamaha F60, Brig D330+Yam 15 2т. Було: Обь ЗиЧ+Honda 30, Toha20MFS, E-tec 60...
Дописи: 2.731
Сказал(а) спасибо: 1.237
Поблагодарили 1.663 раз(а) в 507 сообщениях
Типово Re: Как понять модель мотора Honda

У меня есть табличка с буквами и номером РАМЫ на подвесе мотора.
Номер самого мотора выбит на голове, под стартером.
Или я что-то не правильно понял?
Мініатюри долучень
Щоб збільшити малюнок, клацніть по ньому
Назва:  IMG_20190413_210759.jpg
Переглядів: 814
Розмір:  2,14 МБ
ID:	156690  
РЫБОЕД- ЭКСПЕРТ зараз поза форумом   Відповісти з цитуванням
Старий 13.04.2019, 23:55   #7 (permalink)
Активный участник
 
Псевдо: Олег
Звідки Ви: Днепр
Карапь: Крым
Дописи: 355
Сказал(а) спасибо: 127
Поблагодарили 27 раз(а) в 16 сообщениях
Типово Re: Как понять модель мотора Honda

Цитата:
Допис від РЫБОЕД- ЭКСПЕРТ Переглянути допис
У меня есть табличка с буквами и номером РАМЫ на подвесе мотора.
Номер самого мотора выбит на голове, под стартером.
Или я что-то не правильно понял?

Нет, я хочу понять, какая у меня модификация мотора (таблица в первом моём посте этой темы).
Т.е. банальные вещи, типа есть ли у меня электростартер (потому что заводится "шморгалкой" и когда я покупал, то мы заводили двигатель именно так, мне было сказало в стиле "захочешь - сделаешь автозапуск", но теперь я не уверен, что это возможно) и т.д.
Где блин найти эту долбанную модификацию? Что за непонятная конспирация у Хонды?
brauncomm зараз поза форумом   Відповісти з цитуванням
Старий 14.04.2019, 00:02   #8 (permalink)
Активный участник
 
Аватар для РЫБОЕД- ЭКСПЕРТ
 
Псевдо: Дмитрий
Звідки Ви: Одесса мама
Карапь: Ю2 Long+ Yamaha F60, Brig D330+Yam 15 2т. Було: Обь ЗиЧ+Honda 30, Toha20MFS, E-tec 60...
Дописи: 2.731
Сказал(а) спасибо: 1.237
Поблагодарили 1.663 раз(а) в 507 сообщениях
Типово Re: Как понять модель мотора Honda

А что не понятного? Померяла ногу- знаешь длину, открыл колпак- нет стартера, значит без эл. Запуска соответственно без выпрямителя. Есть венец на маховике? Можно приладить стартер, нет, тоже можно но более геморойно. Ну и т.д.
РЫБОЕД- ЭКСПЕРТ зараз поза форумом   Відповісти з цитуванням
Старий 14.04.2019, 01:13   #9 (permalink)
Активный участник
 
Псевдо: Олег
Звідки Ви: Днепр
Карапь: Крым
Дописи: 355
Сказал(а) спасибо: 127
Поблагодарили 27 раз(а) в 16 сообщениях
Типово Re: Как понять модель мотора Honda

Цитата:
Допис від РЫБОЕД- ЭКСПЕРТ Переглянути допис
А что не понятного? Померяла ногу- знаешь длину, открыл колпак- нет стартера, значит без эл. Запуска соответственно без выпрямителя. Есть венец на маховике? Можно приладить стартер, нет, тоже можно но более геморойно. Ну и т.д.

завтра пофоткаю под колпаком :)

А что такое "дистанционное управление"? Возможность подключить к рулю? Если да, то у меня уже подключено :)



Стрелками пометил то, что вызывает у меня сомнения и что я не нашёл в инструкции.
A - я правильно понимаю, это генератор? Если да, то провода, подключённые к нему, реально говняные, ещё и сечением 4 мм, не больше. Как они вообще не перегорели тогда...

B - что это? Подключены 2 тросика
А также что за резиновая заглушка C ?
Мініатюри долучень
Щоб збільшити малюнок, клацніть по ньому
Назва:  6666.jpg
Переглядів: 1862
Розмір:  335,2 КБ
ID:	156691  
brauncomm зараз поза форумом   Відповісти з цитуванням
Старий 14.04.2019, 01:29   #10 (permalink)
Клубень
 
Аватар для Morgh_Olegovsky
 
Псевдо: Oleg
Звідки Ви: Kyiv (РВП-6)
Карапь: Progress-2M, Honda BF40A
Дописи: 5.129
Сказал(а) спасибо: 4.304
Поблагодарили 765 раз(а) в 452 сообщениях
Типово Re: Как понять модель мотора Honda

B - це троси передачі і газу.

Добавлено через 3 минуты
Зробіть, будь-ласка, фото без колпака.
__________________
Немає того, що ми не можемо, є те, що недуже хочемо
Morgh_Olegovsky зараз поза форумом   Відповісти з цитуванням
Пользователь сказал cпасибо:
brauncomm (14.04.2019)
Старий 14.04.2019, 18:36   #11 (permalink)
Активный участник
 
Псевдо: Donald
Звідки Ви: Николаев
Карапь: Прогресс 4 + Мercury 50 elpto
Дописи: 381
Сказал(а) спасибо: 19
Поблагодарили 144 раз(а) в 86 сообщениях
Типово Re: Как понять модель мотора Honda

... сначала куплю, потом туплю, затем всё понял, но хочу наоборот и теперь не уверен, что это возможно, потому что законспирированные блины у Хонды возможно подключить к рулю...
Donald зараз поза форумом   Відповісти з цитуванням
Старий 15.04.2019, 00:00   #12 (permalink)
Активный участник
 
Псевдо: Олег
Звідки Ви: Днепр
Карапь: Крым
Дописи: 355
Сказал(а) спасибо: 127
Поблагодарили 27 раз(а) в 16 сообщениях
Типово Re: Как понять модель мотора Honda

Цитата:
Допис від Donald Переглянути допис
... сначала куплю, потом туплю, затем всё понял, но хочу наоборот и теперь не уверен, что это возможно, потому что законспирированные блины у Хонды возможно подключить к рулю...

Блин, как хочу так и покупаю, не знаю, где Вы тупите, но я лично не туплю, а просто пытаюсь разобраться во всех фишках мотора.

ЗЫ. Если нечего сказать по теме - к чему писать сообщения? Погладить своё ЧСВ?

Добавлено через 58 секунд
Цитата:
Допис від Morgh_Olegovsky Переглянути допис
B - це троси передачі і газу.

Добавлено через 3 минуты
Зробіть, будь-ласка, фото без колпака.

дякую!
Завтра зроблю з різних ракурсів, якщо буде можливість.
brauncomm зараз поза форумом   Відповісти з цитуванням
Старий 15.04.2019, 17:15   #13 (permalink)
Активный участник
 
Псевдо: Михаил
Звідки Ви: KIEV
Карапь: rib 360.YAMAHA 30
Дописи: 139
Сказал(а) спасибо: 7
Поблагодарили 99 раз(а) в 44 сообщениях
Типово Re: Как понять модель мотора Honda

Цитата:
Допис від brauncomm Переглянути допис
завтра пофоткаю под колпаком :)

А что такое "дистанционное управление"? Возможность подключить к рулю? Если да, то у меня уже подключено :)



Стрелками пометил то, что вызывает у меня сомнения и что я не нашёл в инструкции.
A - я правильно понимаю, это генератор? Если да, то провода, подключённые к нему, реально говняные, ещё и сечением 4 мм, не больше. Как они вообще не перегорели тогда...

B - что это? Подключены 2 тросика
А также что за резиновая заглушка C ?

мотор был румпельный переделан под дистанцию,резиновая заглушка -там была тяга переключения передач с румпеля,дальше фото под капотом
MIHA_nik зараз поза форумом   Відповісти з цитуванням
2 пользователя(ей) сказали cпасибо:
brauncomm (16.04.2019), Oldmen (23.04.2019)
Старий 23.04.2019, 05:30   #14 (permalink)
Активный участник
 
Псевдо: Олег
Звідки Ви: Днепр
Карапь: Крым
Дописи: 355
Сказал(а) спасибо: 127
Поблагодарили 27 раз(а) в 16 сообщениях
Типово Re: Как понять модель мотора Honda

Извините, что так долго фоткал, не было возможности :(
Мініатюри долучень
Щоб збільшити малюнок, клацніть по ньому
Назва:  IMG_20190421_181807_HDR.jpg
Переглядів: 528
Розмір:  1,13 МБ
ID:	156891   Щоб збільшити малюнок, клацніть по ньому
Назва:  IMG_20190421_181814_HDR.jpg
Переглядів: 428
Розмір:  1,16 МБ
ID:	156892   Щоб збільшити малюнок, клацніть по ньому
Назва:  IMG_20190421_181824_HDR.jpg
Переглядів: 421
Розмір:  1,07 МБ
ID:	156893   Щоб збільшити малюнок, клацніть по ньому
Назва:  IMG_20190421_181833_HDR.jpg
Переглядів: 455
Розмір:  1,01 МБ
ID:	156894   Щоб збільшити малюнок, клацніть по ньому
Назва:  IMG_20190421_181847_HDR.jpg
Переглядів: 417
Розмір:  1,18 МБ
ID:	156895   Щоб збільшити малюнок, клацніть по ньому
Назва:  IMG_20190421_181857_HDR.jpg
Переглядів: 404
Розмір:  1,18 МБ
ID:	156896   Щоб збільшити малюнок, клацніть по ньому
Назва:  IMG_20190421_181908_HDR.jpg
Переглядів: 399
Розмір:  951,2 КБ
ID:	156897   Щоб збільшити малюнок, клацніть по ньому
Назва:  IMG_20190421_181914_HDR.jpg
Переглядів: 378
Розмір:  979,8 КБ
ID:	156898  

Щоб збільшити малюнок, клацніть по ньому
Назва:  IMG_20190421_181925_HDR.jpg
Переглядів: 398
Розмір:  1,02 МБ
ID:	156899  
brauncomm зараз поза форумом   Відповісти з цитуванням
Старий 23.04.2019, 10:17   #15 (permalink)
Активный участник
 
Псевдо: Андрей
Звідки Ви: Запорожье
Карапь: Колибри 360
Дописи: 353
Сказал(а) спасибо: 217
Поблагодарили 359 раз(а) в 96 сообщениях
Типово Re: Как понять модель мотора Honda

Мотор был переделан, скорее всего немного сэъкономили на конверсии. Справа заглушка с отверстием - выходит тяга переключения реверса. На ДУшной Хонде там стоит глухая заглушка. Индикатора на ДУшной Хонде нет. Справа где глухая заглушка должны выходить силовые кабеля на АКБ. Учитывая что Х15 у Вас без стартера - то генератор дает в максимуме 6А. (на стартерной 12А) т.е. 4мм2 на зарядку АКБ Вам хватит с запасом. Чтобы подключить фирменную Хондовскую машинку с индикацией перегрева и давления масла надо будет постараться и проверить проводку, а также дооснастить парой разъемов. В Киеве могу посоветовать Гену Б :) у него есть опыт :) Регулировки усилия поворота (черный рычажек ) на ДУ Хондах нет. Можно его просто отжать до конца.
Oldmen зараз поза форумом   Відповісти з цитуванням
Пользователь сказал cпасибо:
brauncomm (25.04.2019)
Старий 25.04.2019, 15:04   #16 (permalink)
Активный участник
 
Псевдо: Олег
Звідки Ви: Днепр
Карапь: Крым
Дописи: 355
Сказал(а) спасибо: 127
Поблагодарили 27 раз(а) в 16 сообщениях
Типово Re: Как понять модель мотора Honda

Цитата:
Допис від Oldmen Переглянути допис
Мотор был переделан, скорее всего немного сэъкономили на конверсии. Справа заглушка с отверстием - выходит тяга переключения реверса. На ДУшной Хонде там стоит глухая заглушка. Индикатора на ДУшной Хонде нет. Справа где глухая заглушка должны выходить силовые кабеля на АКБ. Учитывая что Х15 у Вас без стартера - то генератор дает в максимуме 6А. (на стартерной 12А) т.е. 4мм2 на зарядку АКБ Вам хватит с запасом. Чтобы подключить фирменную Хондовскую машинку с индикацией перегрева и давления масла надо будет постараться и проверить проводку, а также дооснастить парой разъемов. В Киеве могу посоветовать Гену Б :) у него есть опыт :) Регулировки усилия поворота (черный рычажек ) на ДУ Хондах нет. Можно его просто отжать до конца.

Спасибо большое. Что такое "конверсия" в данном контексте я погуглю, как будет возможность.
Т.е. стартера нет, заводить можно только "шморгалкой"? А поставить его можно? Если даже и нет, то, в принципе, тоже не такая уж и большая проблема.
Я не в Киеве :) А зачем подключать "фирменную Хондовскую машинку", что мне это даст, кроме индикации перегрева и давления масла"?
brauncomm зараз поза форумом   Відповісти з цитуванням
Старий 25.04.2019, 15:53   #17 (permalink)
Активный участник
 
Псевдо: Андрей
Звідки Ви: Запорожье
Карапь: Колибри 360
Дописи: 353
Сказал(а) спасибо: 217
Поблагодарили 359 раз(а) в 96 сообщениях
Типово Re: Как понять модель мотора Honda

переделка румпеля в ДУ возможно с помощью специального КИТа (комплекта запчастей и заглушек) в данном случае съэкономили. Поставить стартер можно, вопрос в стоимости. По уму надо ставить стартер, менять катушку генератора, ставить другой реле регулятор, реле стартера, "автоподсос" - клапан и катушку, вероятно всего менять "мозги" или дорабатывать электропроводку к штатным мозгам - надо смотреть по каталогам. С вышеописанного возможны промежуточные варианты - поставить стартер и дозаряжать АКБ на берегу, вручную включать подсос на холодную и заводить без подсоса на горячую и т.д.

ДУ Хонда хороша тем что на ней есть индикация проблем по перегреву и по маслу (лампочки и зумер), очень удобно на ходу. Умельцы переделывают Ямаховские машинки под Хонду (это дешевле) - световой индикации нет, есть только зуммер.

Учитывая количество необходимых переделок я бы смотрел сразу Хонду под ДУ и брал Хондовскую машинку. В итоге будет быстрее и дешевле, чем "дооснащать"

Кроилово ведет к попадалову
Oldmen зараз поза форумом   Відповісти з цитуванням
2 пользователя(ей) сказали cпасибо:
brauncomm (27.04.2019), КТМОВ-- (25.04.2019)
Старий 25.04.2019, 23:31   #18 (permalink)
Клубень
 
Аватар для Гена
 
Псевдо: Гена
Звідки Ви: м. Київ,
Карапь: ----------------------
Дописи: 15.285
Сказал(а) спасибо: 4.540
Поблагодарили 4.495 раз(а) в 2.709 сообщениях
Типово Re: Как понять модель мотора Honda

Андрей 15 и 20 не дают если точно попню данных на датчик масла. К ним родной оригинальный командер вообще идёт с одним диодом.
__________________
067 598 00 00 Командери, гвинти, прилади контролю та інша комплектація до човнів.
Гена зараз поза форумом   Відповісти з цитуванням
Старий 26.04.2019, 12:40   #19 (permalink)
Активный участник
 
Псевдо: Андрей
Звідки Ви: Запорожье
Карапь: Колибри 360
Дописи: 353
Сказал(а) спасибо: 217
Поблагодарили 359 раз(а) в 96 сообщениях
Радость Re: Как понять модель мотора Honda

Цитата:
Допис від Гена Переглянути допис
Андрей 15 и 20 не дают если точно попню данных на датчик масла. К ним родной оригинальный командер вообще идёт с одним диодом.

Гена ошибаешься Ты же мне дистанцию и делал. Как раз дают и более того в электросхеме и мануле четко описано и есть порядок проверки. И на каждую лампочку идет свой сигнальный провод. Когда я тебе звонил меня терзали сомнения что все работает правильно, пришлось убедиться экспериментальным путем:
датчик температуры меняет сопротивление и при определенном значении (по мануалу) срабатывает сигнальная лампа и зумер (просто закоротить датчик -не вариант)
Датчик давления - обычный имеет 2 состояния, но мозги мотора его начинают нюхать только после заводки и определенных оборотов (коротим датчик - и срабатывает лампочка давления и зумер)

Но вот что на Х15-Х20 не работает на машинке - так это индикаторы зарядки АКБ и Чекэнджин. По зарядке АКБ можно в принципе скоммутировать, но это только от скуки. Так хватает картплоттера.

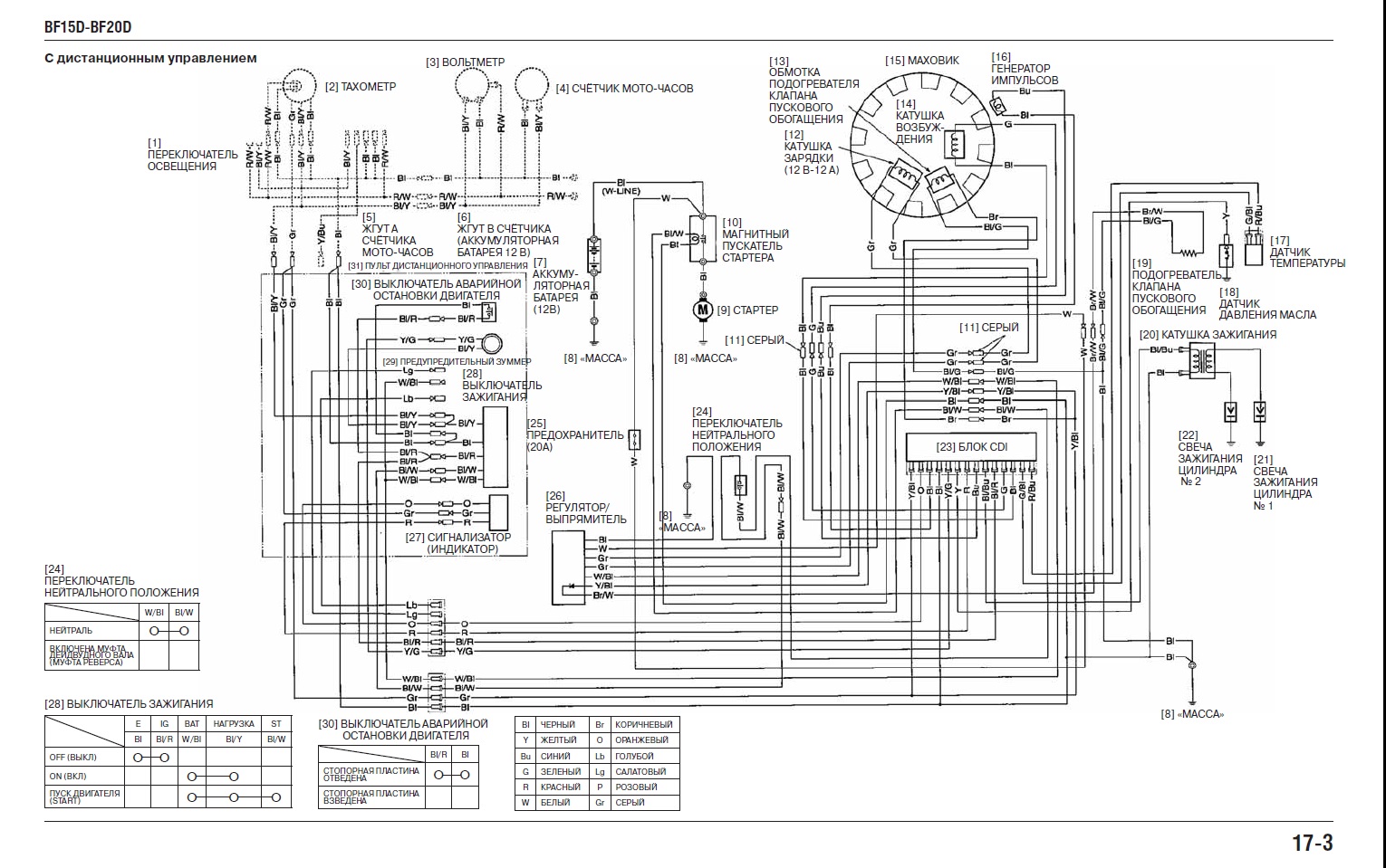
По схеме основное отличие от румпеля - это на машинку идет 12В сигнал а не 160в как на газоразрядную лампочку. И на данной схеме есть неточность, она же есть на большинстве схем в мануалах - но это совершенно не важно для подключения машинки по схеме

Схема Хонды
Мініатюри долучень
Щоб збільшити малюнок, клацніть по ньому
Назва:  c6dd47694fa5183b81e80f66ef453a2c.jpg
Переглядів: 362
Розмір:  402,0 КБ
ID:	157009  
Oldmen зараз поза форумом   Відповісти з цитуванням
Старий 27.04.2019, 04:22   #20 (permalink)
Активный участник
 
Псевдо: Олег
Звідки Ви: Днепр
Карапь: Крым
Дописи: 355
Сказал(а) спасибо: 127
Поблагодарили 27 раз(а) в 16 сообщениях
Типово Re: Как понять модель мотора Honda

Цитата:
Допис від Oldmen Переглянути допис
переделка румпеля в ДУ возможно с помощью специального КИТа (комплекта запчастей и заглушек) в данном случае съэкономили.

т.е. наколхозили? И насколько это серьёзно или можно оставить пока как есть, если работает?

Цитата:
Допис від Oldmen Переглянути допис
Поставить стартер можно, вопрос в стоимости. По уму надо ставить стартер, менять катушку генератора, ставить другой реле регулятор, реле стартера, "автоподсос" - клапан и катушку, вероятно всего менять "мозги" или дорабатывать электропроводку к штатным мозгам - надо смотреть по каталогам. С вышеописанного возможны промежуточные варианты - поставить стартер и дозаряжать АКБ на берегу, вручную включать подсос на холодную и заводить без подсоса на горячую и т.д.

ну и фиг со всем этим, пройти 2 метра и дёргнуть за шморгалку я пока что в состоянии

Цитата:
Допис від Oldmen Переглянути допис
ДУ Хонда хороша тем что на ней есть индикация проблем по перегреву и по маслу (лампочки и зумер), очень удобно на ходу. Умельцы переделывают Ямаховские машинки под Хонду (это дешевле) - световой индикации нет, есть только зуммер.

а у меня этого нет вообще? или надо лезть к мотору и смотреть?

Цитата:
Допис від Oldmen Переглянути допис
Учитывая количество необходимых переделок я бы смотрел сразу Хонду под ДУ и брал Хондовскую машинку. В итоге будет быстрее и дешевле, чем "дооснащать"

Кроилово ведет к попадалову

Да уже купил, не думал, что столько тонкостей есть. Уже как есть, нужно исходить из этого Пойти дёргнуть за шморгалку - не проблема, насколько опасно то, что нет индикации? Меня бы и зумер устроил, необязательно лампочка на панели. Или вообще можно оставить как есть?

Я так понял, я могу заряжать аккум от своего мотора (кинув даже 4мм провод, там кстати идёт какой-то 5-тижильный, 4 из них используются, я пока не понял, почему 4, а не 2) для эхолота/освещения/помпы?
brauncomm зараз поза форумом   Відповісти з цитуванням
ВідповідьПереход на главную страницу


Тут присутні: 1 (учасників - 0 , гостей - 1)
 

Ваші права у розділі
Ви не можете створювати теми
Ви не можете писати дописи
Ви не можете долучати файли
Ви не можете редагувати дописи

BB-код є Увімк.
Усмішки Увімк.
[IMG] код Увімк.
HTML код Вимк.
Trackbacks are Увімк.
Pingbacks are Увімк.
Refbacks are Увімк.


Схожі теми
Тема Автор Розділ Відповідей Останній допис
Диагностика при покупке мотора б/у Honda BF 115 Моряк Запросы об услугах 29 16.09.2018 21:30
куплю румпель для мотора honda bf 8-20 или обменяю на ямаховский start-jerk Куплю, где купить 0 29.01.2015 18:12
Продам реле регулятор лодочного мотора Honda BF (35-50л.с.) #31600-ZV5-003 Tomahawk Архив 0 10.06.2014 16:18
покупка мотора Honda BF30 D4 SRTU Impextr Подвесные импортные брендовые 15 04.04.2012 15:16
Модель Байлайнера Андрейкин Пластик 7 10.02.2010 04:28


Часовий пояс GMT +3. Поточний час: 00:13.


vBulletin 3.8.7 ; Copyright © 2000-2026 Jelsoft Enterprises Limited
Переклад: © Віталій Стопчанський, 2004-2010

Search Engine Optimization by vBSEO 3.6.0