Форум водно-моторного Клуба Фрегат

Назад   Форум водно-моторного Клуба Фрегат > Водномоторная тематика > Электрика и электроника > Электрика

Відповідь
 
LinkBack Параметри теми Параметри перегляду
Старий 06.03.2013, 14:20   #1 (permalink)
Клубень
 
Аватар для Роман 37
 
Псевдо: Роман
Звідки Ви: Киев
Карапь: Днепр+mercury 40
Дописи: 10.422
Сказал(а) спасибо: 6.736
Поблагодарили 4.419 раз(а) в 1.635 сообщениях
Типово Правильная электрика в лодке от А до Я

Добрый день! Прочитал тему в разделе и подумал нисоздать ли новую правильную под конкретные задачи. Из соседней темы понял што переключатели должны быть мощные и минус тянуть к каждому прибору. Про зарядку вихрей неинтересно (времени осталось мало) токо без обид
Задумка такова. Как все правильно сделать! Для начала проложил трубы пластиковые (диамером 50мм) по бортам потом в нужных местах просверлю отверстия для проводки (под динамики, освещение....). А дальше усе мой опыт закончился (ну неселен в електрике) Подсказывайте. Щиток приборов буду ставить от ваз 2105 (там все необходимые приборы есть)
Интересует какие выключатели и где брать, толщина кабеля, как и куда всунуть предохранители? Ну и што еще понадобится? подсказывайте кто как и чего сделал, ато политика политика. Хочется сделать раз и навсегда. (как всегда невовремя електрик уволился).

ПС модераторам если щитаете што тема ненужна обьедините ее с другой.

Востаннє редагував sema: 20.07.2013 о 01:49.
Роман 37 зараз поза форумом   Відповісти з цитуванням
Старий 06.03.2013, 14:37   #2 (permalink)
Активный участник
 
Аватар для vlad2002
 
Псевдо: Влад
Звідки Ви: Дніпро
Карапь: Ю-2, Мерк-40
Дописи: 18.183
Сказал(а) спасибо: 11.888
Поблагодарили 12.362 раз(а) в 3.030 сообщениях
Типово Re: Правильная електрика в лодке от А до Я

Да тут писать и писать... лучше чтоб по месту кто-нибудь показал-рассказал...
__________________
Москаль мені не брат
vlad2002 зараз поза форумом   Відповісти з цитуванням
Старий 06.03.2013, 19:19   #3 (permalink)
Клубень
 
Аватар для dberegovoy
 
Псевдо: Денис
Звідки Ви: Херсон
Карапь: Крым
Дописи: 7.462
Сказал(а) спасибо: 3.226
Поблагодарили 3.786 раз(а) в 1.606 сообщениях
Типово Re: Правильная електрика в лодке от А до Я

А что из мощных потребителей планируется?
Я не электрик, но тоже недавно этот вопрос обдумывал. Если под лебедку то тянуть не менее 10 квадратов от АКБ к "электро щитку".
Прерыватель массы на "+" максимально близко к АКБ.
Помпу с датчиком (поплавком), для того что бы лодка не случайно утонула на стоянках, можно подключить мимо прерывателя на прямую к АКБ через предохранитель.

Кстати вопрос а кто что думает, если нет потребляющих электроенергию во время стоянки про замену прерывателя массы предохранителем 80-100А. (либо от газели, либо от усилителя сабвуфера, цена 25-50грн). Т.к. во время стоянки нет потребления, то и массу не нужно скидывать, а если не дай бок где то коротнет проводку то от пожара спасет предохранитель.
__________________
Крым + Mercury 25 EFI
Сбавь скорость и начни жить!!!

Востаннє редагував dberegovoy: 06.03.2013 о 19:26.
dberegovoy зараз поза форумом   Відповісти з цитуванням
Старий 06.03.2013, 19:40   #4 (permalink)
Активный участник
 
Псевдо: Олег
Звідки Ви: Николаев
Карапь: Самодельная, МС-40
Дописи: 1.487
Сказал(а) спасибо: 1.107
Поблагодарили 218 раз(а) в 131 сообщениях
Типово Re: Правильная електрика в лодке от А до Я

Цитата:
Допис від dberegovoy Переглянути допис
Кстати вопрос а кто что думает, если нет потребляющих электроенергию во время стоянки про замену прерывателя массы предохранителем 80-100А. (либо от газели, либо от усилителя сабвуфера, цена 25-50грн). Т.к. во время стоянки нет потребления, то и массу не нужно скидывать, а если не дай бок где то коротнет проводку то от пожара спасет предохранитель.

Если с таким предохранителем закоротить "проводку", что питается слаботочными проводами - пожара не миновать, особенно если этот провод на длину лодки. Он раскалится и пока не сгорит сам будет жечь все с чем касается. Поэтому, соблюдайте старую пропорцию предохранитель (если плавкий) в 3 раза больше тока нагрузки. Если нагрузка мощная, например цепь стартера - то или под присмотром содержать или выключать.
Кроме этого неухоженные держатели предохранителя могут обеспечить такое падение напряжения что и мотор не заведешь. А на 12 Вольтах и пол Вольта жалко когда стартер крутить хочется.
УНА-0531 зараз поза форумом   Відповісти з цитуванням
Пользователь сказал cпасибо:
dberegovoy (06.03.2013)
Старий 06.03.2013, 19:47   #5 (permalink)
Клубень
 
Аватар для dberegovoy
 
Псевдо: Денис
Звідки Ви: Херсон
Карапь: Крым
Дописи: 7.462
Сказал(а) спасибо: 3.226
Поблагодарили 3.786 раз(а) в 1.606 сообщениях
Типово Re: Правильная електрика в лодке от А до Я

Цитата:
Допис від УНА-0531 Переглянути допис
А на 12 Вольтах и пол Вольта жалко когда стартер крутить хочется

У меня следующим образом:
АКБ-Плавкий передохранитель (от Газели, в корпусе пластинки прикрученные винтами к клемам)-Прерыватель массы-отдельные предохранители потребителей.

Суть вопроса, уйти от прерывателя, получив схему
АКБ-мощный предохранитель-предохранители потребителей.
__________________
Крым + Mercury 25 EFI
Сбавь скорость и начни жить!!!

Востаннє редагував dberegovoy: 06.03.2013 о 19:49.
dberegovoy зараз поза форумом   Відповісти з цитуванням
Старий 06.03.2013, 20:12   #6 (permalink)
Правление, модератор
 
Аватар для БОНДЫК
 
Псевдо: Андрей
Звідки Ви: г.Герой Киев
Карапь: ой на многом.....
Дописи: 27.638
Сказал(а) спасибо: 20.626
Поблагодарили 16.088 раз(а) в 3.525 сообщениях
Типово Re: Правильная електрика в лодке от А до Я

Вот бы Niyazovitsh(Днепропетровск) сюда заглянул со своим Крымом!!!
Более грамотной проводки, я в лодках пока не видал!
__________________


A ship in the harbour is safe, but that's not what ships are built for....
БОНДЫК зараз поза форумом   Відповісти з цитуванням
3 пользователя(ей) сказали cпасибо:
B55 (08.03.2013), Niyazovitsh (08.03.2013), Роман 37 (06.03.2013)
Старий 06.03.2013, 20:23   #7 (permalink)
Активный участник
 
Аватар для vlad2002
 
Псевдо: Влад
Звідки Ви: Дніпро
Карапь: Ю-2, Мерк-40
Дописи: 18.183
Сказал(а) спасибо: 11.888
Поблагодарили 12.362 раз(а) в 3.030 сообщениях
Типово Re: Правильная електрика в лодке от А до Я

Цитата:
Допис від dberegovoy Переглянути допис
А что из мощных потребителей планируется?
Я не электрик, но тоже недавно этот вопрос обдумывал. Если под лебедку то тянуть не менее 10 квадратов от АКБ к "электро щитку".
Прерыватель массы на "+" максимально близко к АКБ.
Помпу с датчиком (поплавком), для того что бы лодка не случайно утонула на стоянках, можно подключить мимо прерывателя на прямую к АКБ через предохранитель.

Кстати вопрос а кто что думает, если нет потребляющих электроенергию во время стоянки про замену прерывателя массы предохранителем 80-100А. (либо от газели, либо от усилителя сабвуфера, цена 25-50грн). Т.к. во время стоянки нет потребления, то и массу не нужно скидывать, а если не дай бок где то коротнет проводку то от пожара спасет предохранитель.

полностью не согласен!
__________________
Москаль мені не брат
vlad2002 зараз поза форумом   Відповісти з цитуванням
Старий 06.03.2013, 20:32   #8 (permalink)
Клубень
 
Аватар для sema
 
Псевдо: Сергей
Звідки Ви: Забуянье
Карапь: Длинномер, П2
Дописи: 7.953
Сказал(а) спасибо: 3.709
Поблагодарили 5.402 раз(а) в 1.609 сообщениях
Типово Re: Правильная електрика в лодке от А до Я

Цитата:
Допис від dberegovoy Переглянути допис
Т.к. во время стоянки нет потребления, то и массу не нужно скидывать, а если не дай бок где то коротнет проводку то от пожара спасет предохранитель.

Категорически "против"! Ни от чего предохранитель не спасет.
__________________
Не ждите лучших времён и мест - лучшее время может быть только одно. Оно называется - «сейчас». А лучшее место — "здесь".
sema зараз поза форумом   Відповісти з цитуванням
Пользователь сказал cпасибо:
dberegovoy (06.03.2013)
Старий 06.03.2013, 21:19   #9 (permalink)
Клубень
 
Псевдо: ........
Звідки Ви: Киев
Карапь: ..........
Дописи: 3.307
Сказал(а) спасибо: 1.864
Поблагодарили 1.406 раз(а) в 619 сообщениях
Типово Re: Правильная електрика в лодке от А до Я

Цитата:
Допис від БОНДЫК Переглянути допис
Вот бы Niyazovitsh(Днепропетровск) сюда заглянул со своим Крымом!!!
Более грамотной проводки, я в лодках пока не видал!

Да ладно,есть у нас еще один разбирающийся в электрике Сня ПАСИК довольно грамоно подходит к этому делу.
morgan зараз поза форумом   Відповісти з цитуванням
Пользователь сказал cпасибо:
Роман 37 (16.07.2013)
Старий 06.03.2013, 21:49   #10 (permalink)
Активный участник
 
Аватар для vlad2002
 
Псевдо: Влад
Звідки Ви: Дніпро
Карапь: Ю-2, Мерк-40
Дописи: 18.183
Сказал(а) спасибо: 11.888
Поблагодарили 12.362 раз(а) в 3.030 сообщениях
Типово Re: Правильная електрика в лодке от А до Я

Я выключатель массы (Прогресс) поставил на "-" АКБ, "+" кинул на колодку от "ГАЗель"и от нее: 1) на двигатель; 2) на колодку предохранителей под приборную панель сечением 4 мм2; 3) ... у меня нет лебедки, но для нее отдельно бы кинул провод 4 мм2. И уже колодки предохранителей через тумблера на свет, эхолот, помпу, музыку... и т.д.
__________________
Москаль мені не брат
vlad2002 зараз поза форумом   Відповісти з цитуванням
Старий 06.03.2013, 22:18   #11 (permalink)
Клубень
 
Аватар для Олег 71
 
Псевдо: _______
Звідки Ви: _______________
Карапь: ________________
Дописи: 5.999
Сказал(а) спасибо: 4.572
Поблагодарили 2.242 раз(а) в 670 сообщениях
Типово Re: Правильная електрика в лодке от А до Я

Так так так..... В аккурат по теме тема. Нуно все оч внимательно читать! Сам не дока а хочца шоб было хорошо! Сразу вопросик возник, а накой под лебедку 10 квадратов???? Сварку параллельно подключать? По жизни делаю проводку из расчета 1 квадрат на 4 ампера, и все всегда тип топ! А тут 10!!!! Не занадто????
Олег 71 зараз поза форумом   Відповісти з цитуванням
Старий 06.03.2013, 22:19   #12 (permalink)
Клубень
 
Аватар для dberegovoy
 
Псевдо: Денис
Звідки Ви: Херсон
Карапь: Крым
Дописи: 7.462
Сказал(а) спасибо: 3.226
Поблагодарили 3.786 раз(а) в 1.606 сообщениях
Типово Re: Правильная електрика в лодке от А до Я

Цитата:
Допис від vlad2002 Переглянути допис
полностью не согласен!

С чем именно? Обоснуй
Цитата:
Допис від vlad2002 Переглянути допис
Я выключатель массы (Прогресс) поставил на "-" АКБ, "+" кинул на колодку от "ГАЗель"и от нее: 1) на двигатель; 2) на колодку предохранителей под приборную панель сечением 4 мм2;

"-" На корпусе лодки есть от мотора, даже если мы минус на корпус не сажали
__________________
Крым + Mercury 25 EFI
Сбавь скорость и начни жить!!!
dberegovoy зараз поза форумом   Відповісти з цитуванням
Старий 06.03.2013, 22:20   #13 (permalink)
Клубень
 
Аватар для Anatol
 
Псевдо: Анатолий
Звідки Ви: Киев
Карапь: Прогресс-4 Ямаха 50 инжектор
Дописи: 788
Сказал(а) спасибо: 35
Поблагодарили 375 раз(а) в 176 сообщениях
Типово Re: Правильная електрика в лодке от А до Я

Расчет сечения проводки и защита цепи или если надо потребителей производится из конкретной длины линии и мощности потребителей. Не ждите конкретных ответов на общие вопросы. Хотите дельных советов нарисуйте от руки схему что где будет стоять и номиналы потребителей, тогда можно конкретно советовать сечение кабеля и необходимую защиту для цепи и (или) потребителя. К примеру длина лодки 4,6м АКБ в носу лебедка на носу достаточно 4 кв.мм на лебедку но к двиглу в зависимости от мощности и типа стартера от 16 кв.мм. Та же лодка но АКБ в корме на лебеду надо 6 кв.мм на двиг от 10кв.мм. При расчете проводки надо учитывать и экономическую целесообразность, но и без глупой экономии.
Anatol зараз поза форумом   Відповісти з цитуванням
4 пользователя(ей) сказали cпасибо:
dberegovoy (06.03.2013), morgan (06.03.2013), Евгений_77 (06.03.2013), Роман 37 (06.03.2013)
Старий 06.03.2013, 22:33   #14 (permalink)
Активный участник
 
Аватар для vlad2002
 
Псевдо: Влад
Звідки Ви: Дніпро
Карапь: Ю-2, Мерк-40
Дописи: 18.183
Сказал(а) спасибо: 11.888
Поблагодарили 12.362 раз(а) в 3.030 сообщениях
Типово Re: Правильная електрика в лодке от А до Я

Цитата:
Допис від dberegovoy Переглянути допис
С чем именно? Обоснуй

Я повторюсь... писанины много! если есть вопросы, могу по телефону...
__________________
Москаль мені не брат
vlad2002 зараз поза форумом   Відповісти з цитуванням
Старий 06.03.2013, 22:53   #15 (permalink)
Клубень
 
Аватар для dberegovoy
 
Псевдо: Денис
Звідки Ви: Херсон
Карапь: Крым
Дописи: 7.462
Сказал(а) спасибо: 3.226
Поблагодарили 3.786 раз(а) в 1.606 сообщениях
Типово Re: Правильная електрика в лодке от А до Я

Цитата:
Допис від Олег 67 Переглянути допис
а накой под лебедку 10 квадратов???

10 квадратов одножильного не так дорого стоит что бы на этом экономить.
Акб в корме, лебедка на носу, к лебедке у меня 4 жилы по 1.5кв (может и по 2.5 уже не помню), т.е. не меньше 6ти квадратов. Подымаю якорь на заведенном моторе. По показаниям эхолота напряжение просаживается с 14 вольт до 10 вольт а иногда и ниже. АКБ в норме, зимой без нареканий трудился на авто. Меньше напряжения, меньше мощности и оборотов на лебедке.

Добавлено через 7 минут
Цитата:
Допис від vlad2002 Переглянути допис
Да тут писать и писать... лучше чтоб по месту кто-нибудь показал-рассказал...

Цитата:
Допис від vlad2002 Переглянути допис
полностью не согласен!

Цитата:
Допис від vlad2002 Переглянути допис
Я повторюсь... писанины много! если есть вопросы, могу по телефону..

Из 4х постов, 3 на грани флуда.
Зачем было говорить А если нет желания говорить Б?
Если есть что написать, пожалуйста не поленитесь, ведь это форум, Вам потом многие, и я в том числе, благодарны будут.

Добавлено через 9 минут
Раз от А до Я то давайте поэтапно систематизировать.
1 Прерыватель массы максимально близко к АКБ. По этому вопросу нет возражений?
2 Прерыватель массы ставить на "+" или "-". Вопрос отрыт, прошу специалистов аргументировано высказываться.

Предлагаю закрыть второй вопрос после чего идти дальше.
__________________
Крым + Mercury 25 EFI
Сбавь скорость и начни жить!!!

Востаннє редагував dberegovoy: 06.03.2013 о 23:51.
dberegovoy зараз поза форумом   Відповісти з цитуванням
Старий 06.03.2013, 23:06   #16 (permalink)
Клубень
 
Аватар для Роман 37
 
Псевдо: Роман
Звідки Ви: Киев
Карапь: Днепр+mercury 40
Дописи: 10.422
Сказал(а) спасибо: 6.736
Поблагодарили 4.419 раз(а) в 1.635 сообщениях
Типово Re: Правильная електрика в лодке от А до Я

Цитата:
Допис від БОНДЫК Переглянути допис
Вот бы Niyazovitsh(Днепропетровск) сюда заглянул со своим Крымом!!!
Более грамотной проводки, я в лодках пока не видал!

Честно говоря мне тоже очень понравилось.
Роман 37 зараз поза форумом   Відповісти з цитуванням
Старий 06.03.2013, 23:09   #17 (permalink)
Активный участник
 
Псевдо: Николай
Звідки Ви: Чернигов
Карапь: Южанка2 Адвенчер320 Таймень2;3
Дописи: 3.846
Сказал(а) спасибо: 1.810
Поблагодарили 3.800 раз(а) в 911 сообщениях
Типово Re: Правильная електрика в лодке от А до Я

Цитата:
Допис від Олег 67 Переглянути допис
ат на 4 ампера, и все всегда тип топ! А тут 10!!!! Не занадто????

На минкоте заводской предохранитель на 30А при зацепах за коряги срабатывает.
Карапуз зараз поза форумом   Відповісти з цитуванням
2 пользователя(ей) сказали cпасибо:
dberegovoy (08.03.2013), Олег 71 (06.03.2013)
Старий 07.03.2013, 10:59   #18 (permalink)
Правление, модератор
 
Аватар для БОНДЫК
 
Псевдо: Андрей
Звідки Ви: г.Герой Киев
Карапь: ой на многом.....
Дописи: 27.638
Сказал(а) спасибо: 20.626
Поблагодарили 16.088 раз(а) в 3.525 сообщениях
Типово Re: Правильная електрика в лодке от А до Я

Цитата:
Допис від morgan Переглянути допис
Да ладно,есть у нас еще один разбирающийся в электрике Сня ПАСИК довольно грамоно подходит к этому делу.

А я разве Я сказал, что у Пасика "руки из жопы"...
__________________


A ship in the harbour is safe, but that's not what ships are built for....
БОНДЫК зараз поза форумом   Відповісти з цитуванням
Старий 07.03.2013, 11:40   #19 (permalink)
Клубень
 
Аватар для Роман 37
 
Псевдо: Роман
Звідки Ви: Киев
Карапь: Днепр+mercury 40
Дописи: 10.422
Сказал(а) спасибо: 6.736
Поблагодарили 4.419 раз(а) в 1.635 сообщениях
Типово Re: Правильная електрика в лодке от А до Я

Цитата:
Допис від dberegovoy Переглянути допис
1 Прерыватель массы максимально близко к АКБ. По этому вопросу нет возражений?
2 Прерыватель массы ставить на "+" или "-". Вопрос отрыт, прошу специалистов аргументировано высказываться.

Начало положено! думаю сдесь рядышком нужно будет и мощные предохранители ставить (типа газелевских).
Роман 37 зараз поза форумом   Відповісти з цитуванням
Старий 07.03.2013, 11:44   #20 (permalink)
Кандидат в "клубни"
 
Аватар для Walentin
 
Псевдо: Валентин
Звідки Ви: Киев
Карапь: ПилотХаус 535,Хонда 150
Дописи: 2.125
Сказал(а) спасибо: 1.614
Поблагодарили 1.013 раз(а) в 256 сообщениях
Типово Re: Правильная електрика в лодке от А до Я

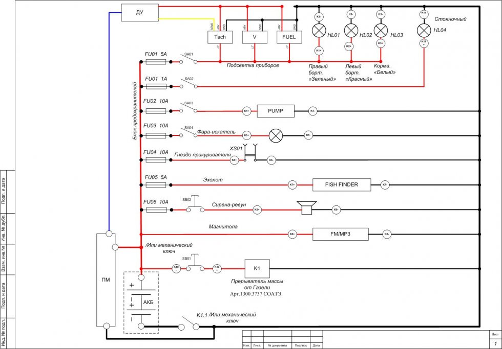
Посмотри, пожалуйста, эту ел. схему.
Будут вопросы задавай.
Мініатюри долучень
Щоб збільшити малюнок, клацніть по ньому
Назва:  Эл Схема на бестер.jpg
Переглядів: 7219
Розмір:  87,7 КБ
ID:	38566  
Walentin зараз поза форумом   Відповісти з цитуванням
14 пользователя(ей) сказали cпасибо:
dberegovoy (08.03.2013), Jack Sparrow (20.05.2016), jacksms (28.07.2016), morgan (08.03.2013), Niyazovitsh (08.03.2013), olbob005 (03.05.2013), Pandimm (22.03.2013), БОНДЫК (07.03.2013), Олег 71 (07.03.2013), просто Андрей (26.05.2013), Роман 37 (07.03.2013), санек 75 (09.03.2013), Сергей Торба (24.01.2014), слава (27.03.2013)
ВідповідьПереход на главную страницу


Тут присутні: 1 (учасників - 0 , гостей - 1)
 

Ваші права у розділі
Ви не можете створювати теми
Ви не можете писати дописи
Ви не можете долучати файли
Ви не можете редагувати дописи

BB-код є Увімк.
Усмішки Увімк.
[IMG] код Увімк.
HTML код Вимк.
Trackbacks are Увімк.
Pingbacks are Увімк.
Refbacks are Увімк.


Схожі теми
Тема Автор Розділ Відповідей Останній допис
Правильная установка подвесного мотора Чехардон Установка и настройка двигателя 60 25.09.2014 16:53
Электрика в лодке. Fix Электрика 147 14.07.2013 19:46
Вёсла в лодке. promokan Катера, лодки 29 02.04.2012 00:09
Автомобильный БК в лодке. Святовит Электрика 84 21.03.2012 01:50
Правильная регулировка лафета под лодку Чехардон Прицепы 42 18.12.2010 23:59


Часовий пояс GMT +3. Поточний час: 12:39.


vBulletin 3.8.7 ; Copyright © 2000-2026 Jelsoft Enterprises Limited
Переклад: © Віталій Стопчанський, 2004-2010

Search Engine Optimization by vBSEO 3.6.0