Форум водно-моторного Клуба Фрегат

Назад   Форум водно-моторного Клуба Фрегат > Водномоторная тематика > Подвесные двигатели > Подвесные отечественные (СССР, СНГ)

Відповідь
 
LinkBack Параметри теми Параметри перегляду
Старий 29.06.2017, 10:26   #201 (permalink)
Активный участник
 
Аватар для SHAFAR
 
Псевдо: SHAFAR
Звідки Ви: Киев
Карапь: "Прогресс"
Дописи: 385
Сказал(а) спасибо: 198
Поблагодарили 126 раз(а) в 51 сообщениях
Типово Re: Электронное зажигание на все совкомоторы

Дмитрий22 пишет, что изменение направления намотки катушек равносильно перестановке на другой "рог" сердечника. Значит можно для фазирования катушек просто поменять местами выводы на коммутатор. Вопрос: менять выводы нужно комплектно от обеих катушек или достаточно поменять только для управляющей?
SHAFAR зараз поза форумом   Відповісти з цитуванням
Старий 29.06.2017, 14:30   #202 (permalink)
Кандидат в "клубни"
 
Аватар для дмитрий22
 
Псевдо: Дмитрий
Звідки Ви: Украина,Херсон, Белозерка
Карапь: Крым, Джонсон15; "Кайман305";"ПеллаФиорд430"
Дописи: 235
Сказал(а) спасибо: 73
Поблагодарили 248 раз(а) в 82 сообщениях
Типово Re: Электронное зажигание на все совкомоторы

На обеих конечно.
дмитрий22 зараз поза форумом   Відповісти з цитуванням
Пользователь сказал cпасибо:
SHAFAR (29.06.2017)
Старий 30.06.2017, 08:38   #203 (permalink)
Активный участник
 
Аватар для SHAFAR
 
Псевдо: SHAFAR
Звідки Ви: Киев
Карапь: "Прогресс"
Дописи: 385
Сказал(а) спасибо: 198
Поблагодарили 126 раз(а) в 51 сообщениях
Типово Re: Электронное зажигание на все совкомоторы

Схема из шапки темы. Накопительная-7500, управляющая-1300, ВТ-151-800. Мотор заводится, но не держит малые обороты-глохнет. Может ли причина скрываться в электронике? Регулировка кличество-качество не дает результата.
SHAFAR зараз поза форумом   Відповісти з цитуванням
Старий 10.07.2017, 17:42   #204 (permalink)
Кандидат в "клубни"
 
Аватар для дмитрий22
 
Псевдо: Дмитрий
Звідки Ви: Украина,Херсон, Белозерка
Карапь: Крым, Джонсон15; "Кайман305";"ПеллаФиорд430"
Дописи: 235
Сказал(а) спасибо: 73
Поблагодарили 248 раз(а) в 82 сообщениях
Типово Re: Электронное зажигание на все совкомоторы

дмитрий22 зараз поза форумом   Відповісти з цитуванням
2 пользователя(ей) сказали cпасибо:
Андрей:) (10.07.2017), Дядя Саша (03.08.2017)
Старий 13.07.2017, 23:37   #205 (permalink)
Новичок
 
Псевдо: Николай
Звідки Ви: РО
Карапь: казанка
Дописи: 18
Сказал(а) спасибо: 0
Поблагодарили 0 раз(а) в 0 сообщениях
Типово Re: Электронное зажигание на все совкомоторы

Добрый вечер форумчане! Собрал я свою москву30, нашёл поршень новый, жаль только один. Выставил зажигание по моментоскопу, так как стробоскопом не увидел метку. Выставлял по метке, той которая на маховике стоит перед меткой ВМТ, свечи а17дврм, мотор запускается просто чудесно, но на лодке развивает мощность только на половину т.е лодку выводит на глиссер и все, дальше начинает дергаться и не идёт так сказать в полный рост. Пробовал ставить контактное родное зажигание, но это просто ужас, хрен заведешь, как будто мотор подменили. После того как руки уже перестали подниматься поставил на место эсз и начал регулировать по моментоскопу, полностью открыта дроссельная заслонка, только уже не по метке на маховике а по штангелю, 8,6 мм до ВМТ,разница с маховичными метками около 1 см, точно не мерил, и на лодке ещё не пробовал, завтра буду пробовать. В чем может быть причина не полного развития мощности, и какие свечи лучше применять с ЭСЗ?
P.S. когда разбирал мотор заменил верхний сальник, и нижнее лабиринтное уплотнение на два сальника, и сделал систему перекачки конденсата к верхнему и среднему подшипникам.
chemetev09 зараз поза форумом   Відповісти з цитуванням
Старий 14.07.2017, 04:40   #206 (permalink)
Активный участник
 
Псевдо: Ярослав
Звідки Ви: Киев
Карапь: Крым
Дописи: 3.675
Сказал(а) спасибо: 1.409
Поблагодарили 2.857 раз(а) в 1.080 сообщениях
Типово Re: Электронное зажигание на все совкомоторы

Очень сильное влияние на УОЗ оказывает поле магнитов, насколько "свежие". В ЭСЗ момент зажигания формируется напряжением в обмотке. В Вихре проще, в Нептуне придется танцевать рок-н-ролл с подбором витков управляющей обмотки. В Нептуне вообще попадались маховики с магнитами замкнутыми последовательно, это жесть... Стальной бендекс в Нептуне заметно ослабляет поле, замыкая магниты снаружи. Мало витков в управляющей - недостаточный диапазон УОЗ, либо не заведется, либо не будет тянуть на максимуме. Много витков - слишком большое опережение на высоких. Я маховик Москвы не рассматривал подробно, но там с магнитной системой вроде та же болячка, магниты сами на себя замкнули зачем-то...
В моем Нептуне стоит микропроцессорное, с датчиками Холла на маховике. На приборной панели октан-корректор +-8 градусов. Этого не хватает, на малых слишком большой УОЗ, меньше тысячи работа нестабильная. Для малых по расчету дает 0-+1 градус УОЗ, где-то так. Похоже, на малых вообще с запаздыванием зажигание давать нужно. Это все при электронно-батарейном, искра на малых такая, что рыбу можно жарить...
__________________
Карантин только оттягивает неизбежное...
Ярослав JK зараз поза форумом   Відповісти з цитуванням
Старий 14.07.2017, 11:36   #207 (permalink)
Кандидат в "клубни"
 
Аватар для дмитрий22
 
Псевдо: Дмитрий
Звідки Ви: Украина,Херсон, Белозерка
Карапь: Крым, Джонсон15; "Кайман305";"ПеллаФиорд430"
Дописи: 235
Сказал(а) спасибо: 73
Поблагодарили 248 раз(а) в 82 сообщениях
Типово Re: Электронное зажигание на все совкомоторы

дмитрий22 зараз поза форумом   Відповісти з цитуванням
Пользователь сказал cпасибо:
Андрей:) (14.07.2017)
Старий 14.07.2017, 23:02   #208 (permalink)
Активный участник
 
Аватар для Витёк
 
Псевдо: Витёк
Звідки Ви: Житомир
Карапь: Ветерок Сузуки
Дописи: 143
Сказал(а) спасибо: 34
Поблагодарили 91 раз(а) в 62 сообщениях
Типово Re: Электронное зажигание на все совкомоторы

Дмитрий, а как быть с такой переделкой?
Мініатюри долучень
Щоб збільшити малюнок, клацніть по ньому
Назва:  Кит4.jpg
Переглядів: 751
Розмір:  54,8 КБ
ID:	137074  
Витёк зараз поза форумом   Відповісти з цитуванням
Старий 15.07.2017, 09:13   #209 (permalink)
Кандидат в "клубни"
 
Аватар для дмитрий22
 
Псевдо: Дмитрий
Звідки Ви: Украина,Херсон, Белозерка
Карапь: Крым, Джонсон15; "Кайман305";"ПеллаФиорд430"
Дописи: 235
Сказал(а) спасибо: 73
Поблагодарили 248 раз(а) в 82 сообщениях
Типово Re: Электронное зажигание на все совкомоторы

Цитата:
Допис від Витёк Переглянути допис
Дмитрий, а как быть с такой переделкой?

Забыть. Вы бы еще Ленина на броневике нарыли.
дмитрий22 зараз поза форумом   Відповісти з цитуванням
Старий 15.07.2017, 14:11   #210 (permalink)
Активный участник
 
Аватар для Витёк
 
Псевдо: Витёк
Звідки Ви: Житомир
Карапь: Ветерок Сузуки
Дописи: 143
Сказал(а) спасибо: 34
Поблагодарили 91 раз(а) в 62 сообщениях
Типово Re: Электронное зажигание на все совкомоторы

А зачем такой сарказм в ответе? С такой переделкой ходит много моторов. Наверное не одного меня волнует такой вопрос.
Витёк зараз поза форумом   Відповісти з цитуванням
Старий 15.07.2017, 17:19   #211 (permalink)
Кандидат в "клубни"
 
Аватар для дмитрий22
 
Псевдо: Дмитрий
Звідки Ви: Украина,Херсон, Белозерка
Карапь: Крым, Джонсон15; "Кайман305";"ПеллаФиорд430"
Дописи: 235
Сказал(а) спасибо: 73
Поблагодарили 248 раз(а) в 82 сообщениях
Типово Re: Электронное зажигание на все совкомоторы

Цитата:
Допис від Витёк Переглянути допис
А зачем такой сарказм в ответе? С такой переделкой ходит много моторов. Наверное не одного меня волнует такой вопрос.

Там совсем другие комплекты были.
дмитрий22 зараз поза форумом   Відповісти з цитуванням
Старий 15.07.2017, 17:38   #212 (permalink)
Активный участник
 
Аватар для SHAFAR
 
Псевдо: SHAFAR
Звідки Ви: Киев
Карапь: "Прогресс"
Дописи: 385
Сказал(а) спасибо: 198
Поблагодарили 126 раз(а) в 51 сообщениях
Типово Re: Электронное зажигание на все совкомоторы

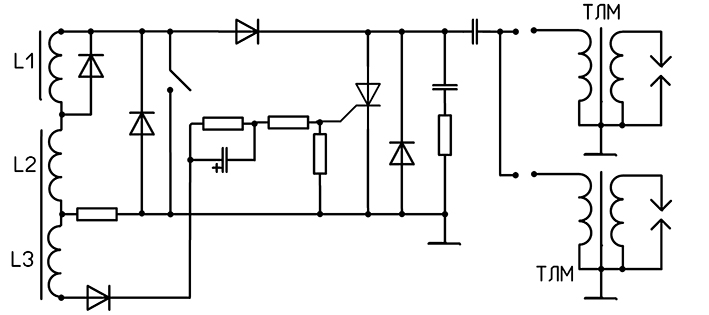
"ovchinnikov 1966" з "motorkaorg" замість VD4 у схемі NEW ставить супресор 1.5KE220A. Що можеш сказати з цього приводу? Ще питання-схема до ТЛМ підключється так само, як і до двоіскрової?
SHAFAR зараз поза форумом   Відповісти з цитуванням
Старий 15.07.2017, 18:01   #213 (permalink)
Кандидат в "клубни"
 
Аватар для дмитрий22
 
Псевдо: Дмитрий
Звідки Ви: Украина,Херсон, Белозерка
Карапь: Крым, Джонсон15; "Кайман305";"ПеллаФиорд430"
Дописи: 235
Сказал(а) спасибо: 73
Поблагодарили 248 раз(а) в 82 сообщениях
Типово Re: Электронное зажигание на все совкомоторы

"ovchinnikov 1966" з "motorkaorg" замість VD4 у схемі NEW ставить супресор 1.5KE220A. Що можеш сказати з цього приводу?
За пределами моего понимания. Не знаю. Он тоже сказать не сможет- уровень знаний у него ноль.
Ще питання-схема до ТЛМ підключється так само, як і до двоіскрової?
Для ТЛМ каждый вывод на вход. Для двухискровой выводы к входным клеммам.
дмитрий22 зараз поза форумом   Відповісти з цитуванням
Пользователь сказал cпасибо:
SHAFAR (15.07.2017)
Старий 15.07.2017, 18:58   #214 (permalink)
Активный участник
 
Аватар для SHAFAR
 
Псевдо: SHAFAR
Звідки Ви: Киев
Карапь: "Прогресс"
Дописи: 385
Сказал(а) спасибо: 198
Поблагодарили 126 раз(а) в 51 сообщениях
Типово Re: Электронное зажигание на все совкомоторы

Це правильно?
Мініатюри долучень
Щоб збільшити малюнок, клацніть по ньому
Назва:  Підкл.jpg
Переглядів: 811
Розмір:  104,7 КБ
ID:	137088  
SHAFAR зараз поза форумом   Відповісти з цитуванням
Старий 15.07.2017, 19:36   #215 (permalink)
Кандидат в "клубни"
 
Аватар для дмитрий22
 
Псевдо: Дмитрий
Звідки Ви: Украина,Херсон, Белозерка
Карапь: Крым, Джонсон15; "Кайман305";"ПеллаФиорд430"
Дописи: 235
Сказал(а) спасибо: 73
Поблагодарили 248 раз(а) в 82 сообщениях
Типово Re: Электронное зажигание на все совкомоторы

Цитата:
Допис від SHAFAR Переглянути допис
Це правильно?

Так.
дмитрий22 зараз поза форумом   Відповісти з цитуванням
Пользователь сказал cпасибо:
SHAFAR (15.07.2017)
Старий 22.07.2017, 10:16   #216 (permalink)
Активный участник
 
Аватар для SHAFAR
 
Псевдо: SHAFAR
Звідки Ви: Киев
Карапь: "Прогресс"
Дописи: 385
Сказал(а) спасибо: 198
Поблагодарили 126 раз(а) в 51 сообщениях
Типово Re: Электронное зажигание на все совкомоторы

Питання до Дмитрий22. Зробив схему NEW ,підключив до ТЛМ. Мотор заводиться нормально і розвиває оберти до середніх. Додавання ручкою газу не додає обертів двигуна. Чому? Може , таки, треба ставити двоіскрову катушку? Чи причина в іншому? До тих само катушок під*єднав попередню схему , не використовуючи L3(закоротив її) і мотор запрацював штатно на усіх режимах.
SHAFAR зараз поза форумом   Відповісти з цитуванням
Старий 22.07.2017, 11:58   #217 (permalink)
Кандидат в "клубни"
 
Аватар для дмитрий22
 
Псевдо: Дмитрий
Звідки Ви: Украина,Херсон, Белозерка
Карапь: Крым, Джонсон15; "Кайман305";"ПеллаФиорд430"
Дописи: 235
Сказал(а) спасибо: 73
Поблагодарили 248 раз(а) в 82 сообщениях
Типово Re: Электронное зажигание на все совкомоторы

Не знаю. Схема 100 процентов рабочая. Повторить буквально и все заработает.
дмитрий22 зараз поза форумом   Відповісти з цитуванням
Пользователь сказал cпасибо:
SHAFAR (22.07.2017)
Старий 22.07.2017, 23:13   #218 (permalink)
Активный участник
 
Аватар для SHAFAR
 
Псевдо: SHAFAR
Звідки Ви: Киев
Карапь: "Прогресс"
Дописи: 385
Сказал(а) спасибо: 198
Поблагодарили 126 раз(а) в 51 сообщениях
Типово Re: Электронное зажигание на все совкомоторы

Думаю спробувати ось таке з*єднання. Що скажеш?
Мініатюри долучень
Щоб збільшити малюнок, клацніть по ньому
Назва:  ТЛМ.jpg
Переглядів: 589
Розмір:  53,5 КБ
ID:	137342  
SHAFAR зараз поза форумом   Відповісти з цитуванням
Старий 27.07.2017, 00:05   #219 (permalink)
Активный участник
 
Аватар для SHAFAR
 
Псевдо: SHAFAR
Звідки Ви: Киев
Карапь: "Прогресс"
Дописи: 385
Сказал(а) спасибо: 198
Поблагодарили 126 раз(а) в 51 сообщениях
Типово Re: Электронное зажигание на все совкомоторы

Пропозиція вислати тобі плату прийнята. Потрібна адреса "Нова пошта"(номер відділку, місто, хто отимувач). Я в Києві.
SHAFAR зараз поза форумом   Відповісти з цитуванням
Старий 27.07.2017, 08:23   #220 (permalink)
Кандидат в "клубни"
 
Аватар для дмитрий22
 
Псевдо: Дмитрий
Звідки Ви: Украина,Херсон, Белозерка
Карапь: Крым, Джонсон15; "Кайман305";"ПеллаФиорд430"
Дописи: 235
Сказал(а) спасибо: 73
Поблагодарили 248 раз(а) в 82 сообщениях
Типово Re: Электронное зажигание на все совкомоторы

Цитата:
Допис від SHAFAR Переглянути допис
Пропозиція вислати тобі плату прийнята. Потрібна адреса "Нова пошта"(номер відділку, місто, хто отимувач). Я в Києві.

Не только плату.Катушки тоже .
дмитрий22 зараз поза форумом   Відповісти з цитуванням
ВідповідьПереход на главную страницу

Мітки
зажигание


Тут присутні: 1 (учасників - 0 , гостей - 1)
 

Ваші права у розділі
Ви не можете створювати теми
Ви не можете писати дописи
Ви не можете долучати файли
Ви не можете редагувати дописи

BB-код є Увімк.
Усмішки Увімк.
[IMG] код Увімк.
HTML код Вимк.
Trackbacks are Увімк.
Pingbacks are Увімк.
Refbacks are Увімк.


Схожі теми
Тема Автор Розділ Відповідей Останній допис
Ветерок. Новое зажигание. SUAL Подвесные отечественные (СССР, СНГ) 324 08.01.2022 21:15
Куплю зажигание на Нептун 23 kosiyan Куплю, где купить 3 22.02.2012 00:48
А-92 и наши совкомоторы morgan Подскажите плиз... 11 06.08.2011 18:06


Часовий пояс GMT +3. Поточний час: 09:13.


vBulletin 3.8.7 ; Copyright © 2000-2026 Jelsoft Enterprises Limited
Переклад: © Віталій Стопчанський, 2004-2010

Search Engine Optimization by vBSEO 3.6.0