Форум водно-моторного Клуба Фрегат

Назад   Форум водно-моторного Клуба Фрегат > Водномоторная тематика > Электрика и электроника > Электрика

Відповідь
 
LinkBack Параметри теми Параметри перегляду
Старий 07.03.2013, 11:54   #21 (permalink)
Активный участник
 
Аватар для vlad2002
 
Псевдо: Влад
Звідки Ви: Дніпро
Карапь: Ю-2, Мерк-40
Дописи: 18.183
Сказал(а) спасибо: 11.888
Поблагодарили 12.362 раз(а) в 3.030 сообщениях
Типово Re: Правильная електрика в лодке от А до Я

Цитата:
Допис від Walentin Переглянути допис
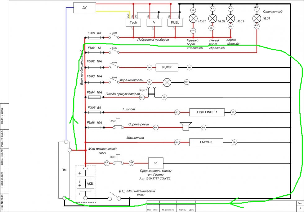
Посмотри, пожалуйста, эту ел. схему.
Будут вопросы задавай.

надо теперь на 15-20 страниц расписать что и для чего...

Добавлено через 2 минуты
Цитата:
Допис від dberegovoy Переглянути допис
10 квадратов одножильного не так дорого стоит что бы на этом экономить.
Акб в корме, лебедка на носу, к лебедке у меня 4 жилы по 1.5кв (может и по 2.5 уже не помню), т.е. не меньше 6ти квадратов. Подымаю якорь на заведенном моторе. По показаниям эхолота напряжение просаживается с 14 вольт до 10 вольт а иногда и ниже. АКБ в норме, зимой без нареканий трудился на авто. Меньше напряжения, меньше мощности и оборотов на лебедке.

Добавлено через 7 минут



Из 4х постов, 3 на грани флуда.
Зачем было говорить А если нет желания говорить Б?
Если есть что написать, пожалуйста не поленитесь, ведь это форум, Вам потом многие, и я в том числе, благодарны будут.

Добавлено через 9 минут
Раз от А до Я то давайте поэтапно систематизировать.
1 Прерыватель массы максимально близко к АКБ. По этому вопросу нет возражений?
2 Прерыватель массы ставить на "+" или "-". Вопрос отрыт, прошу специалистов аргументировано высказываться.

Предлагаю закрыть второй вопрос после чего идти дальше.

в 10 посту я все описал, что еще нужно? Флуд, это как раз то, что в 15 посту...
__________________
Москаль мені не брат
vlad2002 зараз поза форумом   Відповісти з цитуванням
Старий 07.03.2013, 12:51   #22 (permalink)
Клубень
 
Аватар для dberegovoy
 
Псевдо: Денис
Звідки Ви: Херсон
Карапь: Крым
Дописи: 7.462
Сказал(а) спасибо: 3.226
Поблагодарили 3.786 раз(а) в 1.606 сообщениях
Типово Re: Правильная електрика в лодке от А до Я

Цитата:
Допис від vlad2002 Переглянути допис
надо теперь на 15-20 страниц расписать что и для чего...

А Вам какая разница, с Вас в этом плане судя по всему толку мало, эмоций много!!!
А кто то может и сможет разжувать подробно или просто не поленится

Цитата:
Допис від vlad2002 Переглянути допис
в 10 посту я все описал, что еще нужно? Флуд, это как раз то, что в 15 посту...

Вы достаточно разбираетесь в электрике, что бы аргументировано обосновать, что лучше на лодке прерывать "-" или "+"?

P.S. Из 5ти постов 1 полезный, 4 - флуд. Цель?
__________________
Крым + Mercury 25 EFI
Сбавь скорость и начни жить!!!

Востаннє редагував dberegovoy: 07.03.2013 о 13:11.
dberegovoy зараз поза форумом   Відповісти з цитуванням
Старий 07.03.2013, 13:15   #23 (permalink)
Активный участник
 
Псевдо: Дмитрий
Звідки Ви: Днепропетровск
Карапь: Buster Lx-Yamaha70
Дописи: 588
Сказал(а) спасибо: 485
Поблагодарили 92 раз(а) в 50 сообщениях
Типово Re: Правильная електрика в лодке от А до Я

Вот пример проводки Buster , размыкают +, но автоматическая помпа остается вкл.
Мініатюри долучень
Щоб збільшити малюнок, клацніть по ньому
Назва:  Buster Lx.JPG
Переглядів: 2847
Розмір:  95,2 КБ
ID:	38570  

Востаннє редагував Dillann: 07.03.2013 о 13:30.
Dillann зараз поза форумом   Відповісти з цитуванням
2 пользователя(ей) сказали cпасибо:
dberegovoy (07.03.2013), БОНДЫК (07.03.2013)
Старий 07.03.2013, 13:45   #24 (permalink)
Активный участник
 
Псевдо: Николай
Звідки Ви: Чернигов
Карапь: Южанка2 Адвенчер320 Таймень2;3
Дописи: 3.846
Сказал(а) спасибо: 1.810
Поблагодарили 3.800 раз(а) в 911 сообщениях
Типово Re: Правильная електрика в лодке от А до Я

Рекомендую такие приблуды. Надёжно, удобно на случай поиска неисправности или модернизации.
Мініатюри долучень
Щоб збільшити малюнок, клацніть по ньому
Назва:  07.03.2012 1245.jpg
Переглядів: 1956
Розмір:  365,7 КБ
ID:	38572   Щоб збільшити малюнок, клацніть по ньому
Назва:  07.03.2012 1246.jpg
Переглядів: 1637
Розмір:  370,3 КБ
ID:	38573   Щоб збільшити малюнок, клацніть по ньому
Назва:  07.03.2012 1249.jpg
Переглядів: 1504
Розмір:  283,2 КБ
ID:	38574   Щоб збільшити малюнок, клацніть по ньому
Назва:  07.03.2012 1251.jpg
Переглядів: 1503
Розмір:  302,2 КБ
ID:	38575   Щоб збільшити малюнок, клацніть по ньому
Назва:  07.03.2012 1250.jpg
Переглядів: 1706
Розмір:  423,6 КБ
ID:	38576  

Востаннє редагував Карапуз: 07.03.2013 о 13:48.
Карапуз зараз поза форумом   Відповісти з цитуванням
5 пользователя(ей) сказали cпасибо:
dberegovoy (08.03.2013), Jack Sparrow (20.05.2016), Niyazovitsh (08.03.2013), Yuriy 65 (16.01.2015), Бекас (22.01.2014)
Старий 08.03.2013, 00:49   #25 (permalink)
Клубень
 
Аватар для mityay76
 
Псевдо: Дмитрий
Звідки Ви: Киев
Карапь: Казанка 5
Дописи: 2.640
Сказал(а) спасибо: 1.654
Поблагодарили 1.333 раз(а) в 437 сообщениях
Типово Re: Правильная електрика в лодке от А до Я

Цитата:
Допис від Anatol Переглянути допис
Та же лодка но АКБ в корме

Себе планирую сдельть примерно так
Мініатюри долучень
Щоб збільшити малюнок, клацніть по ньому
Назва:  PIC224_resize.jpg
Переглядів: 3292
Розмір:  131,2 КБ
ID:	38631   Щоб збільшити малюнок, клацніть по ньому
Назва:  PIC225_resize.jpg
Переглядів: 2716
Розмір:  97,3 КБ
ID:	38632   Щоб збільшити малюнок, клацніть по ньому
Назва:  PIC226_resize.jpg
Переглядів: 2656
Розмір:  125,3 КБ
ID:	38633   Щоб збільшити малюнок, клацніть по ньому
Назва:  PIC227_resize.jpg
Переглядів: 2566
Розмір:  140,9 КБ
ID:	38634   Щоб збільшити малюнок, клацніть по ньому
Назва:  PIC228_resize.jpg
Переглядів: 2657
Розмір:  119,0 КБ
ID:	38635  
mityay76 зараз поза форумом   Відповісти з цитуванням
Старий 08.03.2013, 01:57   #26 (permalink)
Клубень
 
Аватар для Гена
 
Псевдо: Гена
Звідки Ви: м. Київ,
Карапь: ----------------------
Дописи: 15.285
Сказал(а) спасибо: 4.540
Поблагодарили 4.495 раз(а) в 2.709 сообщениях
Типово Re: Правильная електрика в лодке от А до Я

Цитата:
Допис від Карапуз Переглянути допис
Рекомендую такие приблуды. Надёжно, удобно на случай поиска неисправности или модернизации.

Используем только закрытые, открытые и советские разьёмы не используем. Не могу найти нормальные обжимкидля закрытых коннекторов - любые проживают 3-4 месяца и потом в корзину.
То Денис Бреговой По поводу чего разрывать -Денис у тебя масса приходит с мотора, то есть она априори присутствует, даже если ты разорвал её выключателем и КЗ получить,когда у тебя разорван минус выключателем очень легко. А вот когда разорван плюс, то КЗ получить очень сложно, поскольку он присутствует только на участке аккумуляторная клемма-выклбчатель. Мы всегда рвём плюс, а автомат помпы бросаем на другой контакт выключателя, тот который приходит от батареи.
__________________
067 598 00 00 Командери, гвинти, прилади контролю та інша комплектація до човнів.
Гена зараз поза форумом   Відповісти з цитуванням
4 пользователя(ей) сказали cпасибо:
dberegovoy (08.03.2013), Niyazovitsh (08.03.2013), БОНДЫК (08.03.2013), Олег 71 (08.03.2013)
Старий 08.03.2013, 02:10   #27 (permalink)
Активный участник
 
Аватар для Niyazovitsh
 
Псевдо: Дмитрий
Звідки Ви: Днепр
Карапь: Серенькие лодочки с серенькими моторчиками)
Дописи: 5.181
Сказал(а) спасибо: 3.992
Поблагодарили 2.387 раз(а) в 797 сообщениях
Типово Re: Правильная електрика в лодке от А до Я

Цитата:
Допис від БОНДЫК Переглянути допис
Вот бы Niyazovitsh(Днепропетровск) сюда заглянул со своим Крымом!!!
Более грамотной проводки, я в лодках пока не видал!

Ты меня просто засмущал тем более, что в электрике мне товарищ даже голову приложить не разрешил (кроме пожелания и размещения потребителей).
Просмотрел схемки из интернетов, которые я приволок, и сказал: "Отойди, маЛчЫк!" ))))
В схеме ничего революционного, она подобна схеме, которую выложил Walentin, в посте №20 (у меня ходовые огни так же включаются вместе с габаритами, очень удобная фишка, в сумерках не забудешь)

Как это делалось:
- размечены точки потребителей
- нарезаны нужные провода по длине (+ немного для удобства монтажа)
- лужение и обжим ( полезные фишечки + инструмент из поста Карапуза)
- разложено по веткам и закрыто разрезной гофрой
- собранная схема разложена по лодке и подключена
- всё притянуто к бортам,карточкам и проч, что бы не тёрлось болталось, нигде.
*! - расстояние от аккумулятора до стартера и до прерывателя массы по возможности должно быть минимальным.

Электрика это система жизнеобеспечения судна, на ней мне экономить не хотелось, поэтому прерыватель массы, планка "-" и блок предохранителей,
были выбраны не самые бюджетные, правда, выбирать приходилось "из того, что было"

На фотках:
В рецессе:
В над аккумуляторным ящиком прерыватель массы (Новозеландский, хороший) стартерные провода: один сразу с "-" брошен на мотор, "+" ессно через массу и ключ зажигания.
У меня разрывается "+" (вопрос религии), но в случае (крайне эфемерном) замыкания одним махом снимаешь нагрузку со всех потребителей судна.
На ещё пару проводов и пимпочку под прерывателем массы не обращайте внимания, это питание трима СМС и его персональный предохранительный блочок.
! развоздушка бака выведена за борт, так что аккум рядом с баком хоть и не совсем фен-шуй, но в этом варианте я спокоен.

Под консолью:
""+" на блоке предохранителей, "-" на планке, дальше каждый потребитель запитан отдельно: Предохранитель-Тумблер-Потребитель(группа потребителей)-Планка.
Немного больше проводов, но при таком монтаже добавление/снятие потребителя не вызывает гимора никакого, удобно.
Провода, по задумке, уходили под карточку по центру консоли, но, когда лодка уже была собрана, консоль пришлось немного двинуть вперёд, так как неожиданно подвернулась отличная капитанская тубаретка, а меряли размещение консоли изначально под другое кресло.

Сори, что не сразу ответил, заработался :)
Фото рецесса и разводкой под консолью, ну и пара фоток просто так, с прокладкой проводов, и консолью:
Мініатюри долучень
Щоб збільшити малюнок, клацніть по ньому
Назва:  IMGP0851.jpg
Переглядів: 4157
Розмір:  285,7 КБ
ID:	38637   Щоб збільшити малюнок, клацніть по ньому
Назва:  проводка1.jpg
Переглядів: 4145
Розмір:  300,0 КБ
ID:	38638   Щоб збільшити малюнок, клацніть по ньому
Назва:  проводка2.jpg
Переглядів: 3633
Розмір:  266,5 КБ
ID:	38639   Щоб збільшити малюнок, клацніть по ньому
Назва:  проводка3.jpg
Переглядів: 3551
Розмір:  236,8 КБ
ID:	38640   Щоб збільшити малюнок, клацніть по ньому
Назва:  консоль.jpg
Переглядів: 3260
Розмір:  193,3 КБ
ID:	38641  
Niyazovitsh зараз поза форумом   Відповісти з цитуванням
19 пользователя(ей) сказали cпасибо:
Andrey 09 (08.03.2013), bas1982 (22.11.2018), dberegovoy (08.03.2013), Konar 777 (10.03.2013), MERLIN (08.03.2013), olbob005 (09.03.2013), Pandimm (22.03.2013), sleva11 (13.03.2013), Yuriy 65 (16.01.2015), Бекас (22.01.2014), БОНДЫК (08.03.2013), ВинБот (09.03.2013), Влад1972 (04.05.2020), Голык (14.04.2018), Карапуз (08.03.2013), Олег 71 (08.03.2013), Роман 37 (08.03.2013), санек 75 (09.03.2013), слава (27.03.2013)
Старий 08.03.2013, 02:24   #28 (permalink)
Клубень
 
Аватар для Andrey 09
 
Псевдо: Андрей
Звідки Ви: Киев
Карапь: П-4 МС-40
Дописи: 9.646
Сказал(а) спасибо: 4.465
Поблагодарили 5.554 раз(а) в 1.931 сообщениях
Типово Re: Правильная електрика в лодке от А до Я

Да, действительно по человечески сделано...
Andrey 09 зараз поза форумом   Відповісти з цитуванням
Пользователь сказал cпасибо:
vlpelyh (09.03.2013)
Старий 08.03.2013, 07:56   #29 (permalink)
Клубень
 
Аватар для dberegovoy
 
Псевдо: Денис
Звідки Ви: Херсон
Карапь: Крым
Дописи: 7.462
Сказал(а) спасибо: 3.226
Поблагодарили 3.786 раз(а) в 1.606 сообщениях
Типово Re: Правильная електрика в лодке от А до Я

Цитата:
Допис від dberegovoy Переглянути допис
"-" На корпусе лодки есть от мотора, даже если мы минус на корпус не сажали

Спасибо Гена, я об этом как раз говорил раньше, если я задаю вопрос это не значит что я не знаю на него ответ. Я просто стараюсь ничего никому не доказывать и безапелляционно утверждать. Проще наводящими вопросами помочь разобраться и подвести к принятию решения.
Мало того если лодку транспортируем на лафете то выходит связь:
ПЛМ-корпус-тарлеп-лафет-фаркоп-"-"АКБ авто. Правда "+" от АКБ авто даже теоретически на корпусе лодки очень тяжело нарисовать.

А если посмотреть с другой стороны (случай с лафетом откидываем): Электрика построена следующим образом АКБ "-" - прерыватель- масса мотора и соответственно лодка. То на не рабочем моторе мы отсекам массу без проблем. Зато на рабочем моторе и с замкнутым прерывателем, в случае проблем с проводкой , закоротить "+" на корпус очень велики шансы.
Для себя решил размыкать "+"
Добавлено через 2 минуты
Цитата:
Допис від mityay76 Переглянути допис
Себе планирую сдельть примерно так

Это мое
Был удивлен как подоражал прерыватель массы от Газели. (240грн), и китайцы начали штамповать корявые клоны, на рынке по 120грн.
__________________
Крым + Mercury 25 EFI
Сбавь скорость и начни жить!!!

Востаннє редагував dberegovoy: 08.03.2013 о 08:21.
dberegovoy зараз поза форумом   Відповісти з цитуванням
2 пользователя(ей) сказали cпасибо:
mityay76 (08.03.2013), Niyazovitsh (08.03.2013)
Старий 08.03.2013, 11:54   #30 (permalink)
Клубень
 
Аватар для dberegovoy
 
Псевдо: Денис
Звідки Ви: Херсон
Карапь: Крым
Дописи: 7.462
Сказал(а) спасибо: 3.226
Поблагодарили 3.786 раз(а) в 1.606 сообщениях
Типово Re: Правильная електрика в лодке от А до Я

Цитата:
Допис від Карапуз Переглянути допис
Рекомендую такие приблуды

Смазка бомба!!!! Не пожалеете. Себе изначально ее покупал (около 100грн) для гребного вала, командера, наконечников тросов, шарниров дроссельной заслонки, а использую практически везде. Изолента и не только от 3М - вещь.
Инструмент у меня по проще, но тоже справляется.
Для крепления не тяжелой проводки не плохо зарекомендовали себя площадки с двусторонним скотчем. Два года полет нормальный, только перед приклейкой обязательно обезжирить поверхность к которой будет клеится площадка.
У себя в районекомандера закрепил 2 клемные колодки с одной раздаю "-" с другой "+", предохранители использую под каждый потребитель отдельные в резиновых корпусах, колодку предохранителей от ВАЗ было бы красивей и аккуратней, зато так проще быстрей и влагозащищенней. На торпедо врезана только кнопка лебедки, под командером кнопка дистанционного включения/выключения прерывателя и принудительного включения помпы. Освещения пока нет, только в этом году буду делать.
Щоб збільшити малюнок, клацніть по ньому
Назва:  P1010402_800x600.jpg
Переглядів: 2719
Розмір:  70,2 КБ
ID:	38675Щоб збільшити малюнок, клацніть по ньому
Назва:  P1010403_800x600.jpg
Переглядів: 2559
Розмір:  49,4 КБ
ID:	38676Щоб збільшити малюнок, клацніть по ньому
Назва:  P1010405_800x600.jpg
Переглядів: 2330
Розмір:  82,7 КБ
ID:	38677
__________________
Крым + Mercury 25 EFI
Сбавь скорость и начни жить!!!

Востаннє редагував dberegovoy: 08.03.2013 о 12:25.
dberegovoy зараз поза форумом   Відповісти з цитуванням
Пользователь сказал cпасибо:
Карапуз (08.03.2013)
Старий 08.03.2013, 13:04   #31 (permalink)
Активный участник
 
Псевдо: Николай
Звідки Ви: Чернигов
Карапь: Южанка2 Адвенчер320 Таймень2;3
Дописи: 3.846
Сказал(а) спасибо: 1.810
Поблагодарили 3.800 раз(а) в 911 сообщениях
Типово Re: Правильная електрика в лодке от А до Я

Я смазываю соединения папа-мама, чтобы не "закисали"
Карапуз зараз поза форумом   Відповісти з цитуванням
Пользователь сказал cпасибо:
dberegovoy (08.03.2013)
Старий 08.03.2013, 13:23   #32 (permalink)
Активный участник
 
Аватар для A_Hill
 
Псевдо: Анатолий
Звідки Ви: Киев
Карапь: Прогресс-4+МС40 на Десне
Дописи: 14.370
Сказал(а) спасибо: 9.761
Поблагодарили 27.484 раз(а) в 3.639 сообщениях
Типово Re: Правильная електрика в лодке от А до Я

Сколько много всего наговорили....
Да нет особо принципиальной разницы, что рвать , "+" или "-"..
Ведь надо понимать главную задачу "прерывателя(размыкателя и пр.) массы" - механически отсечь энергоёмкий источник тока, способный за секунды выдать сотни А в сеть. А как вы это сделаете, какую клемму с аккумулятора снимете, нет никакой разницы.
A_Hill зараз поза форумом   Відповісти з цитуванням
2 пользователя(ей) сказали cпасибо:
dberegovoy (08.03.2013), vlad2002 (08.03.2013)
Старий 08.03.2013, 13:30   #33 (permalink)
Клубень
 
Аватар для dberegovoy
 
Псевдо: Денис
Звідки Ви: Херсон
Карапь: Крым
Дописи: 7.462
Сказал(а) спасибо: 3.226
Поблагодарили 3.786 раз(а) в 1.606 сообщениях
Типово Re: Правильная електрика в лодке от А до Я

Цитата:
Допис від A_Hill Переглянути допис
Да нет особо принципиальной разницы, что рвать , "+" или "-"..
Ведь надо понимать главную задачу "прерывателя(размыкателя и пр.) массы" - механически отсечь энергоёмкий источник тока, способный за секунды выдать сотни А в сеть. А как вы это сделаете, какую клемму с аккумулятора снимете, нет никакой разницы.

А если зайти с этого угла:
Предположим отсекаем "-"
Работает мотор, т.е. генератор выдает напругу, при этом у нас случается короткое замыкание плюсового кабеля на корпус лодки ("-"). Мы отсекаем прерывателем "-" от клемы АКБ, но при этом у нас остается все равно "-" на корпусе от работающего генератора мотора. Нужно еще и мотор глушить.
А если отсекать "+" то только прерывателем отсечется "+" с АКБ и генератора мотора, при этом мотор можно не глушить и дальше передвигаться (ситуации ведь разные бывают), при этом помпа запитаная на прямую может откачивать воду. Считаю что в критической ситуации данные мелочи могут быть ценою в жизнь
Если я заблуждаюсь, поправьте пожалуйста
__________________
Крым + Mercury 25 EFI
Сбавь скорость и начни жить!!!

Востаннє редагував dberegovoy: 08.03.2013 о 13:58.
dberegovoy зараз поза форумом   Відповісти з цитуванням
3 пользователя(ей) сказали cпасибо:
Oleggnat (22.01.2018), Карапуз (08.03.2013), Олег 71 (08.03.2013)
Старий 08.03.2013, 14:12   #34 (permalink)
Клубень
 
Аватар для Гена
 
Псевдо: Гена
Звідки Ви: м. Київ,
Карапь: ----------------------
Дописи: 15.285
Сказал(а) спасибо: 4.540
Поблагодарили 4.495 раз(а) в 2.709 сообщениях
Типово Re: Правильная електрика в лодке от А до Я

Цитата:
Допис від dberegovoy Переглянути допис
А если зайти с этого угла:
Предположим отсекаем "-"
Работает мотор, т.е. генератор выдает напругу, при этом у нас случается короткое замыкание плюсового кабеля на корпус лодки ("-"). Мы отсекаем прерывателем "-" от клемы АКБ, но при этом у нас остается все равно "-" на корпусе от работающего генератора мотора. Нужно еще и мотор глушить.
А если отсекать "+" то только прерывателем отсечется "+" с АКБ и генератора мотора, при этом мотор можно не глушить и дальше передвигаться (ситуации ведь разные бывают), при этом помпа запитаная на прямую может откачивать воду. Считаю что в критической ситуации данные мелочи могут быть ценою в жизнь
Если я заблуждаюсь, поправьте пожалуйста

Денис, а я тебе не тоже написал?
__________________
067 598 00 00 Командери, гвинти, прилади контролю та інша комплектація до човнів.
Гена зараз поза форумом   Відповісти з цитуванням
Старий 08.03.2013, 14:16   #35 (permalink)
Активный участник
 
Аватар для A_Hill
 
Псевдо: Анатолий
Звідки Ви: Киев
Карапь: Прогресс-4+МС40 на Десне
Дописи: 14.370
Сказал(а) спасибо: 9.761
Поблагодарили 27.484 раз(а) в 3.639 сообщениях
Типово Re: Правильная електрика в лодке от А до Я

А в чём разница между этими двумя реализациями выключателя массы?
Что так, что так, при работающем двигателе угроза "КЗ" будет существовать.
А вот для борьбы с этим и существуют предохранители.
Мініатюри долучень
Щоб збільшити малюнок, клацніть по ньому
Назва:  %20%20~1.JPG
Переглядів: 1906
Розмір:  170,9 КБ
ID:	38682   Щоб збільшити малюнок, клацніть по ньому
Назва:  %20%20~12.JPG
Переглядів: 1563
Розмір:  170,3 КБ
ID:	38683  
A_Hill зараз поза форумом   Відповісти з цитуванням
2 пользователя(ей) сказали cпасибо:
dberegovoy (08.03.2013), Sedobor (08.03.2013)
Старий 08.03.2013, 18:08   #36 (permalink)
Клубень
 
Аватар для Sedobor
 
Псевдо: Сергей
Звідки Ви: г.Херсон
Карапь: Южанка 2
Дописи: 7.448
Сказал(а) спасибо: 3.911
Поблагодарили 4.974 раз(а) в 1.608 сообщениях
Типово Re: Правильная електрика в лодке от А до Я

Цитата:
Допис від A_Hill Переглянути допис
Что так, что так, при работающем двигателе угроза "КЗ" будет существовать

Т.к. Двигатель не отключается выключателем массы от бортовой сети, а только аккумулятор. Точно, а я об этом и не задумывался.
__________________
Не ждите чуда, чудите сами!

Востаннє редагував Sedobor: 08.03.2013 о 18:11.
Sedobor зараз поза форумом   Відповісти з цитуванням
Старий 08.03.2013, 20:20   #37 (permalink)
Клубень
 
Аватар для dberegovoy
 
Псевдо: Денис
Звідки Ви: Херсон
Карапь: Крым
Дописи: 7.462
Сказал(а) спасибо: 3.226
Поблагодарили 3.786 раз(а) в 1.606 сообщениях
Типово Re: Правильная електрика в лодке от А до Я

Цитата:
Допис від A_Hill Переглянути допис
А в чём разница между этими двумя реализациями выключателя массы?
Что так, что так, при работающем двигателе угроза "КЗ" будет существовать.
А вот для борьбы с этим и существуют предохранители.

Точно, согласен!
Т.е. получается что бы было как в моем предыдущем посту то нужно:
1 Прерывать "+"
2 Двигатель подключать до прерывателя, на прямую к АКБ. На сколько это целесообразно, чем это грозит?
__________________
Крым + Mercury 25 EFI
Сбавь скорость и начни жить!!!
dberegovoy зараз поза форумом   Відповісти з цитуванням
Старий 09.03.2013, 00:58   #38 (permalink)
Активный участник
 
Аватар для vlad2002
 
Псевдо: Влад
Звідки Ви: Дніпро
Карапь: Ю-2, Мерк-40
Дописи: 18.183
Сказал(а) спасибо: 11.888
Поблагодарили 12.362 раз(а) в 3.030 сообщениях
Типово Re: Правильная електрика в лодке от А до Я

Цитата:
Допис від dberegovoy Переглянути допис
2 Двигатель подключать до прерывателя, на прямую к АКБ. На сколько это целесообразно, чем это грозит?

прерывайте что хотите, а двигатель подключайте через плавкую вставку(предохранитель).
__________________
Москаль мені не брат
vlad2002 зараз поза форумом   Відповісти з цитуванням
Старий 09.03.2013, 01:06   #39 (permalink)
Клубень
 
Аватар для Гена
 
Псевдо: Гена
Звідки Ви: м. Київ,
Карапь: ----------------------
Дописи: 15.285
Сказал(а) спасибо: 4.540
Поблагодарили 4.495 раз(а) в 2.709 сообщениях
Типово Re: Правильная електрика в лодке от А до Я

Цитата:
Допис від vlad2002 Переглянути допис
прерывайте что хотите, а двигатель подключайте через плавкую вставку(предохранитель).

А на сколько ампер её ставить. Там скачки бывают больше 100 Ампер, особенно по осени в холодную погоду.
__________________
067 598 00 00 Командери, гвинти, прилади контролю та інша комплектація до човнів.
Гена зараз поза форумом   Відповісти з цитуванням
Старий 09.03.2013, 08:14   #40 (permalink)
Клубень
 
Аватар для dberegovoy
 
Псевдо: Денис
Звідки Ви: Херсон
Карапь: Крым
Дописи: 7.462
Сказал(а) спасибо: 3.226
Поблагодарили 3.786 раз(а) в 1.606 сообщениях
Типово Re: Правильная електрика в лодке от А до Я

Предохранитель на 60А у меня сгорал.
АКБ был уставший, не всегда ему хватало стаортер с нормальной скоростью крутануть. Так вот, если с первой попытки нормально не крутанул и с сразу же без паузы предпринять вторую, то 2 раза сгорал 60А газелевский. Предполагаю что первая попытка его разогревала, вторая сжигала. С нормальным АКБ проблем не было. Сейчас стоит что то по мощней, честно не помню сколько, проблем нет.

Подытожим.
Если подключать мотор после прерывателя то что разрывать ("+" или "-") без разницы.
Если подходить маниакально то есть смысл подключать по следующей схеме:
"+" АКБ - мощный плавкий предохранитель - "+" стартера мотора - прерыватель - предохранители потребителей - потребители.

Открытый вопрос на сколько ампер выбрать предохранитель исходя из мотора (до 50 сил, от 50 до 100, свыше 100 сил)?
__________________
Крым + Mercury 25 EFI
Сбавь скорость и начни жить!!!
dberegovoy зараз поза форумом   Відповісти з цитуванням
ВідповідьПереход на главную страницу


Тут присутні: 1 (учасників - 0 , гостей - 1)
 

Ваші права у розділі
Ви не можете створювати теми
Ви не можете писати дописи
Ви не можете долучати файли
Ви не можете редагувати дописи

BB-код є Увімк.
Усмішки Увімк.
[IMG] код Увімк.
HTML код Вимк.
Trackbacks are Увімк.
Pingbacks are Увімк.
Refbacks are Увімк.


Схожі теми
Тема Автор Розділ Відповідей Останній допис
Правильная установка подвесного мотора Чехардон Установка и настройка двигателя 60 25.09.2014 16:53
Электрика в лодке. Fix Электрика 147 14.07.2013 19:46
Вёсла в лодке. promokan Катера, лодки 29 02.04.2012 00:09
Автомобильный БК в лодке. Святовит Электрика 84 21.03.2012 01:50
Правильная регулировка лафета под лодку Чехардон Прицепы 42 18.12.2010 23:59


Часовий пояс GMT +3. Поточний час: 19:59.


vBulletin 3.8.7 ; Copyright © 2000-2026 Jelsoft Enterprises Limited
Переклад: © Віталій Стопчанський, 2004-2010

Search Engine Optimization by vBSEO 3.6.0